GM Service Manual Online
For 1990-2009 cars only
Figure 1:

Starter and Solenoid Controls


Object Number: 669170  Size: FS
Master Electrical Component List
Generator Controls and Battery
Serial Data Class 2
Start 1 Relay, INJR 2, PCM IGN, CR CONT, and INJR 2 Fuses (Fuse Block - Underhood)
G305, G310, G404, and G303
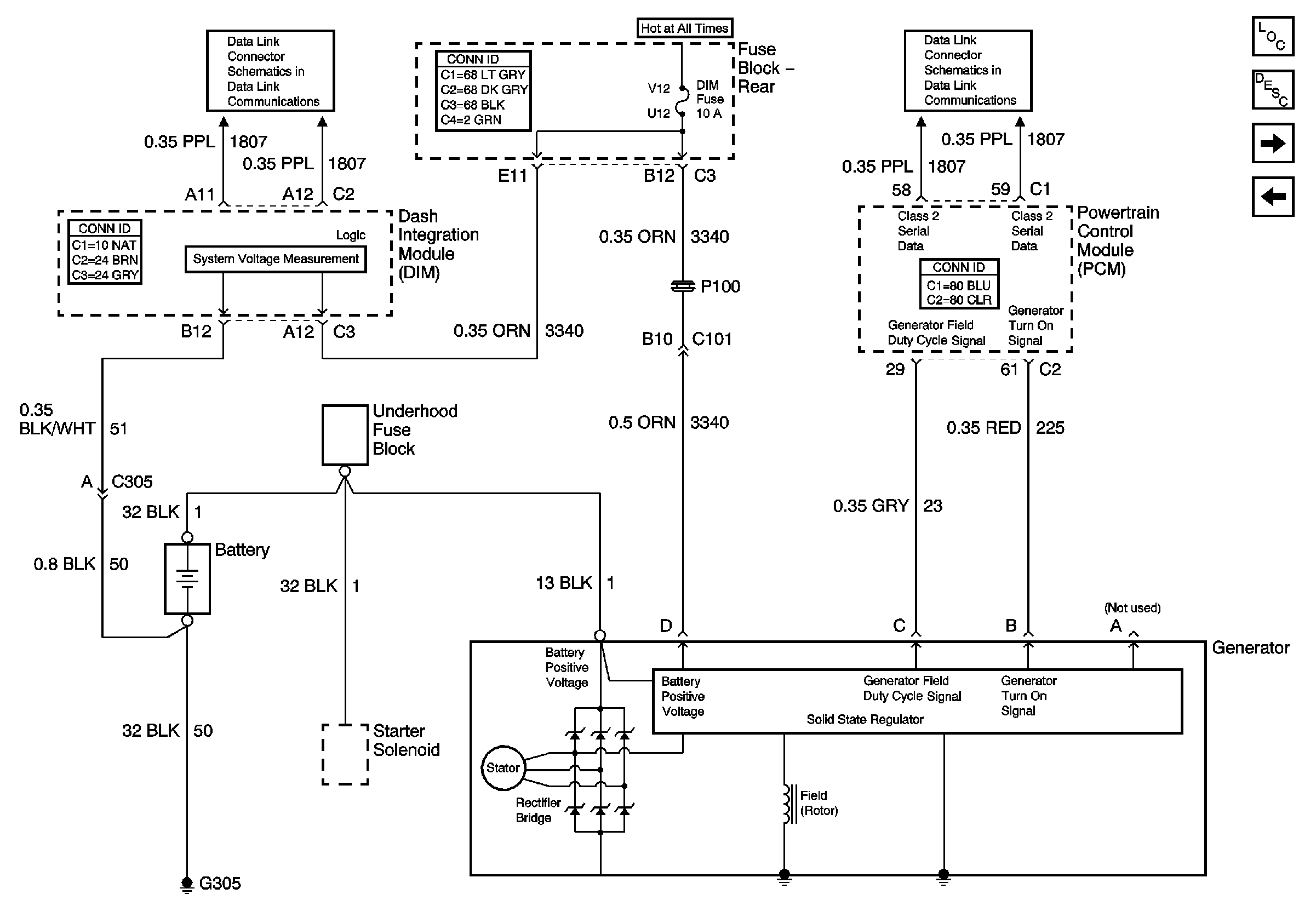
Figure 2:

Generator Controls and Battery


Object Number: 669172  Size: FS
Master Electrical Component List
Instrument Panel Cluster (IPC) Displays
Starter and Solenoid Controls
Serial Data Class 2
Serial Data Class 2
Figure 3:

Instrument Panel Cluster (IPC) Displays


Object Number: 669173  Size: FS
Master Electrical Component List
Generator Controls and Battery
Serial Data Class 2