GM Service Manual Online
For 1990-2009 cars only
Makes
🢒
Buick
🢒
2002
🢒
LeSabre
🢒
Body and Accessories
🢒
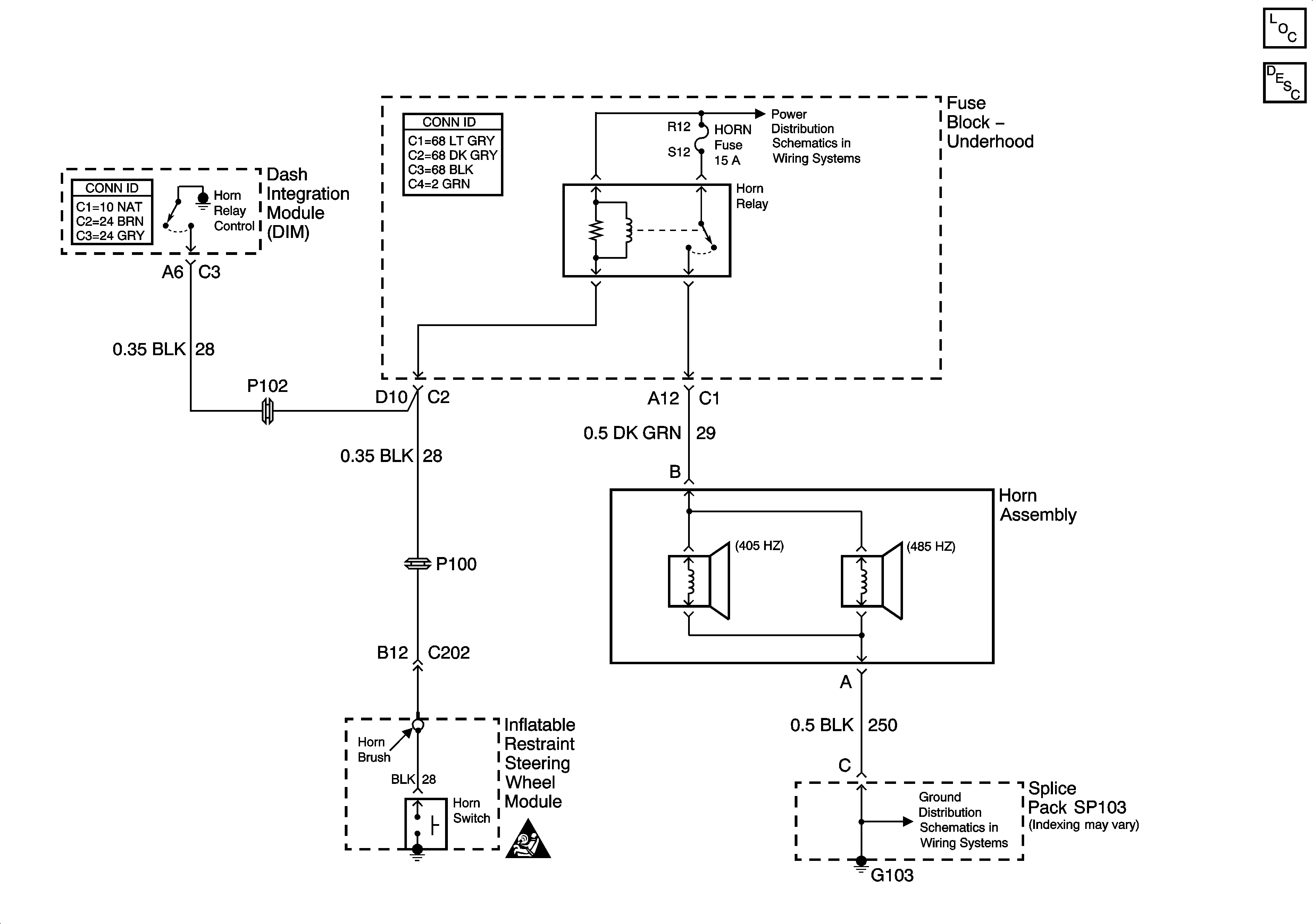
Horns
🢒 Horn Schematics
Master Electrical Component List
G103
SIR Schematic Icons
Battery Feed to Underhood Fuse Block