GM Service Manual Online
For 1990-2009 cars only
Makes
🢒
Buick
🢒
2002
🢒
LeSabre
🢒
Body and Accessories
🢒
Body Control System
🢒 SIR Schematics
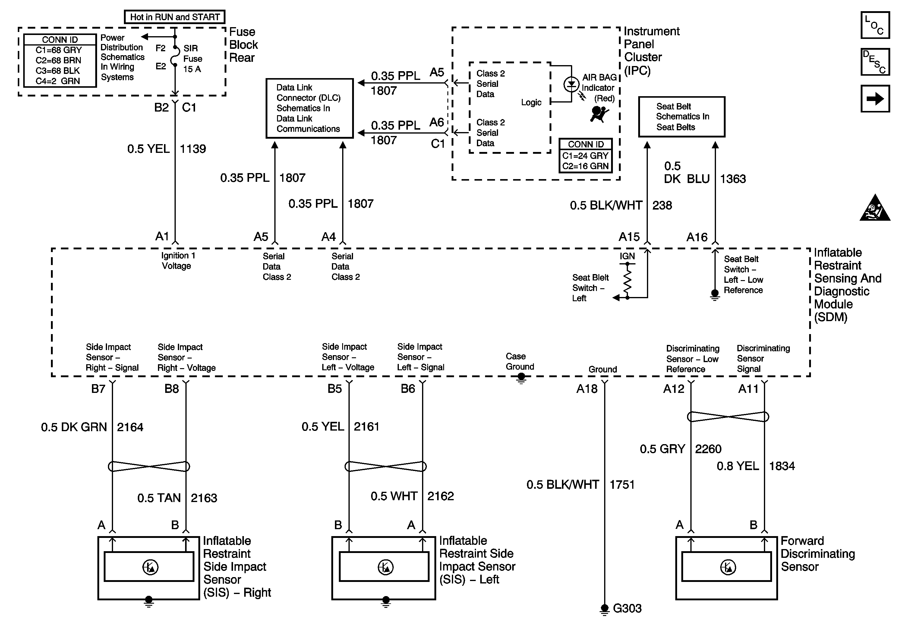
Figure
1:
Power, Ground and Side Impact Sensors
Master Electrical Component List
SDM and Inflator Modules
SIR Schematic Icons
IGN-1, VENT SOL, and SIR Fuses (Fuse Block Rear)
Serial Data Class 2
Seat Belt Schematics
Figure
2:
SDM and Inflator Modules
Master Electrical Component List
Power, Ground and Side Impact Sensors
Antilock Brake System Schematic Icons
Antilock Brake System Schematic Icons
Antilock Brake System Schematic Icons
Antilock Brake System Schematic Icons
Antilock Brake System Schematic Icons