GM Service Manual Online
For 1990-2009 cars only
Makes
🢒
Buick
🢒
2002
🢒
LeSabre
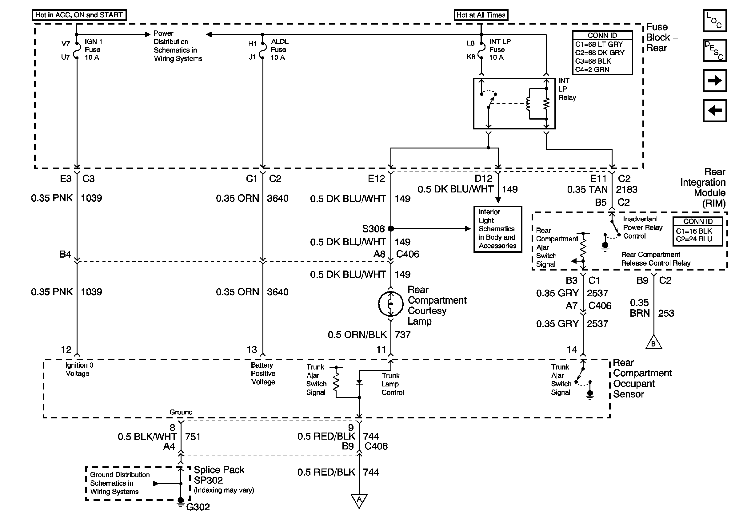
🢒 Rear Compartment Entrapment Protection
Rear Compartment Entrapment Protection
Rear Compartment Entrapment Protection
Master Electrical Component List
Instrument Panel Cluster (DIC Messages)
Rear Compartment Lid Release
Instrument Panel Cluster (DIC Messages)
Instrument Panel Cluster (DIC Messages)
ELC, RR DEFOG and TRK/REL Relays, RR DEFOG and ALDL Fuses (Fuse Block Rear)
Interior Lamp Relay