GM Service Manual Online
For 1990-2009 cars only
Makes
🢒
Buick
🢒
2003
🢒
LeSabre
🢒
Engine
🢒
Engine Cooling
🢒 Engine Cooling Schematics
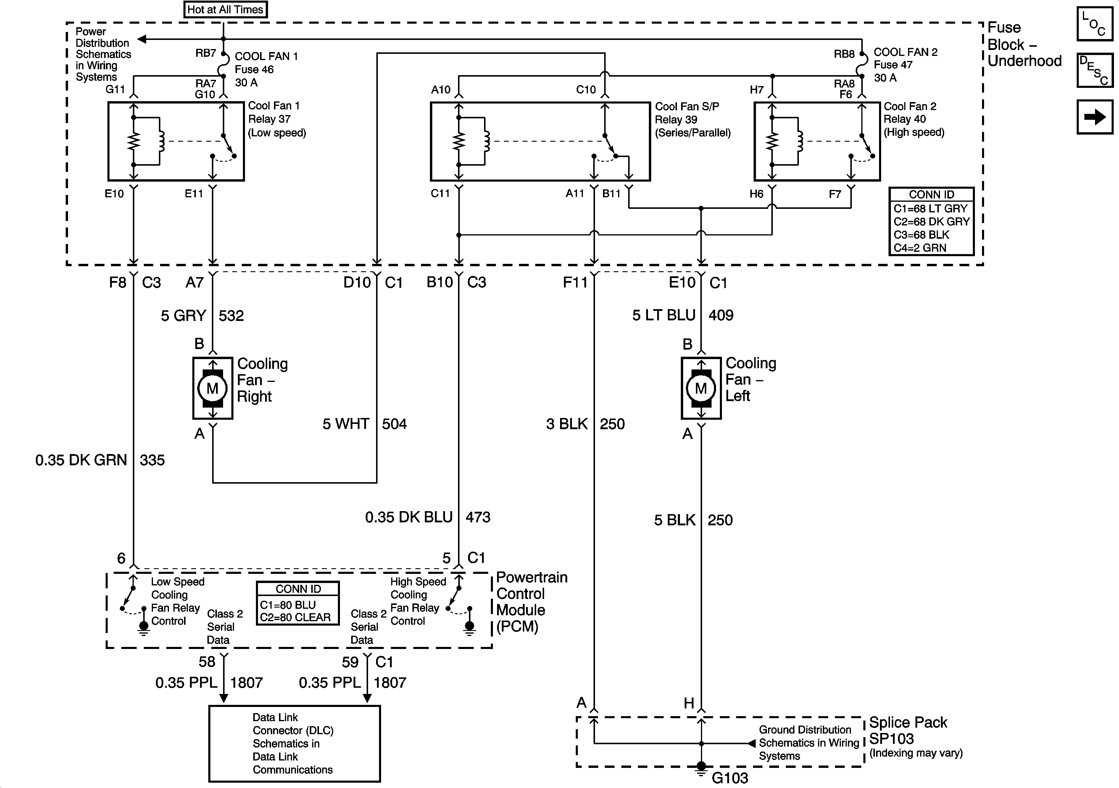
Figure
1:
Cooling Fans And Relays
Master Electrical Component List
Instrument Panel Cluster (IPC) Displays
Battery Feed to Underhood Fuse Block
G103
Figure
2:
Instrument Panel Cluster (IPC) Displays
Master Electrical Component List
Cooling Fans and Relays
Serial Data Class 2