GM Service Manual Online
For 1990-2009 cars only
Figure 1:

Battery Feed to Underhood Fuse Block


Object Number: 871222  Size: FS
Master Electrical Component List
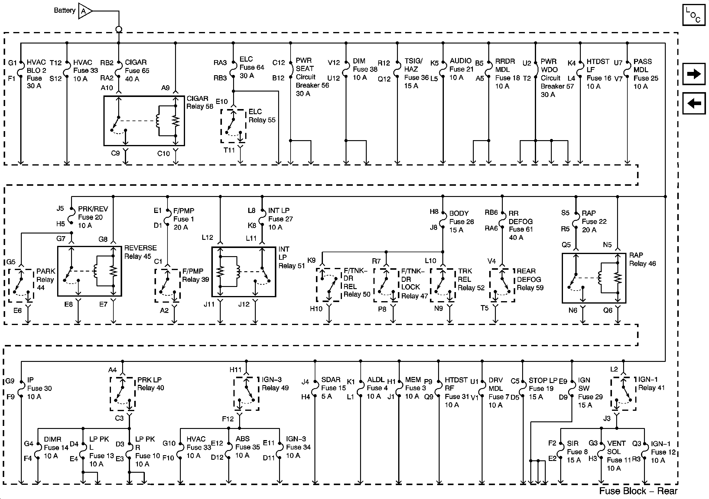
Battery Feed to Rear Fuse Block
G305, G310, G404, and G303
Battery Feed to Rear Fuse Block
Figure 2:

Battery Feed to Rear Fuse Block


Object Number: 885705  Size: FS
Master Electrical Component List
IGN 1 Relay, Transmission, DIS, OXY SEN, and IGN 1 Fuses (Fuse Block Underhood)
Battery Feed to Underhood Fuse Block
Figure 3:

IGN 1 Relay, Transmission, DIS, OXY SEN, and IGN 1 Fuses (Fuse Block Underhood)


Object Number: 871225  Size: FS
Master Electrical Component List
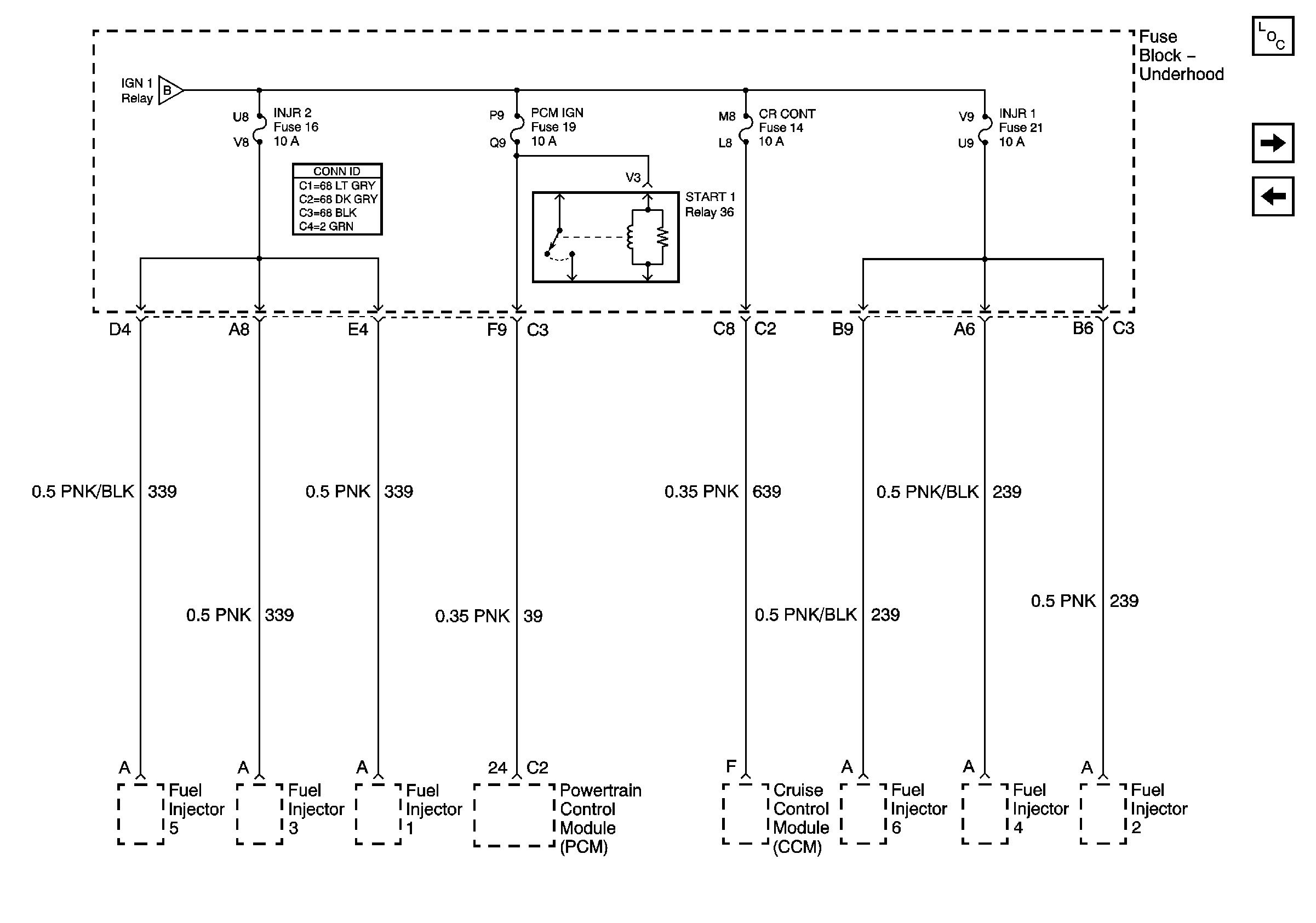
Start-1 Relay,Injr-2, PCM IGN, CR CONT and INJR-1 Fuses
Battery Feed to Rear Fuse Block
High and Low Beam Relays, ABS, PCM BATT, High and Low Beam Fuses
Start-1 Relay,Injr-2, PCM IGN, CR CONT and INJR-1 Fuses
Figure 4:

Start 1 Relay,INJR 2, PCM IGN, CR CONT, and INJR 2 Fuses (Fuse Block Underhood)


Object Number: 885708  Size: FS
Master Electrical Component List
High and Low Beam Relays, ABS, PCM BATT, High and Low Beam Fuses
IGN 1 Relay, Transmission, DIS, OXY SEN, and IGN 1 Fuses (Fuse Block Underhood)
IGN 1 Relay, Transmission, DIS, OXY SEN, and IGN 1 Fuses (Fuse Block Underhood)
Figure 5:

High and Low Beam Relays, ABS, PCM BATT, High and Low Beam Relays (Fuse Block Underhood)


Object Number: 885713  Size: FS
Master Electrical Component List
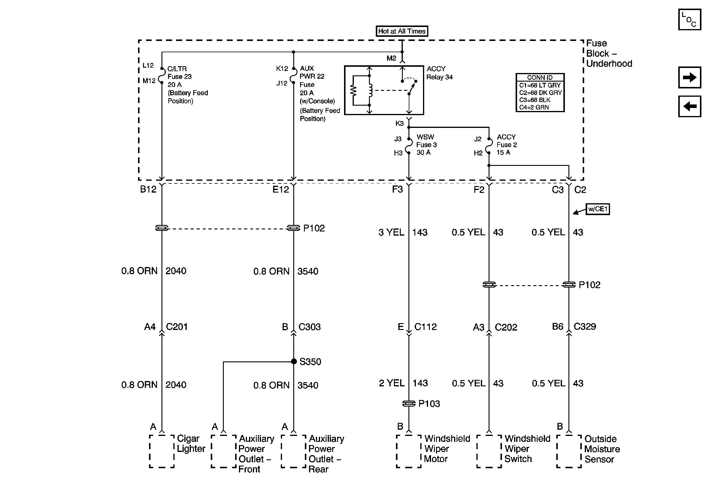
AIR Pump and ACCY Relays, AIR, C/LTR, AUX PWR, WSW and Accsy Fuses
Start-1 Relay,Injr-2, PCM IGN, CR CONT and INJR-1 Fuses
AIR Pump and ACCY Relays, AIR, C/LTR, AUX PWR, WSW and Accsy Fuses
Figure 6:

AIR Pump and ACCY Relays, AIR, C/LTR, AUX PWR, WSW, and ACCY Fuses (Fuse Block Underhood)


Object Number: 885715  Size: FS
Master Electrical Component List
HTDST RF, HTDST LF, DIM, and MEM Fuses (Fuse Block Rear)
High and Low Beam Relays, ABS, PCM BATT, High and Low Beam Fuses
Figure 7:

HTDST RF, HTDST LF,DIM, and MEM Fuses (Fuse Block Rear)


Object Number: 885716  Size: FS
Master Electrical Component List
HVAC BATT, DDM, FPDM, LRDM Fuses (Fuse Block Rear)
AIR Pump and ACCY Relays, AIR, C/LTR, AUX PWR, WSW and Accsy Fuses
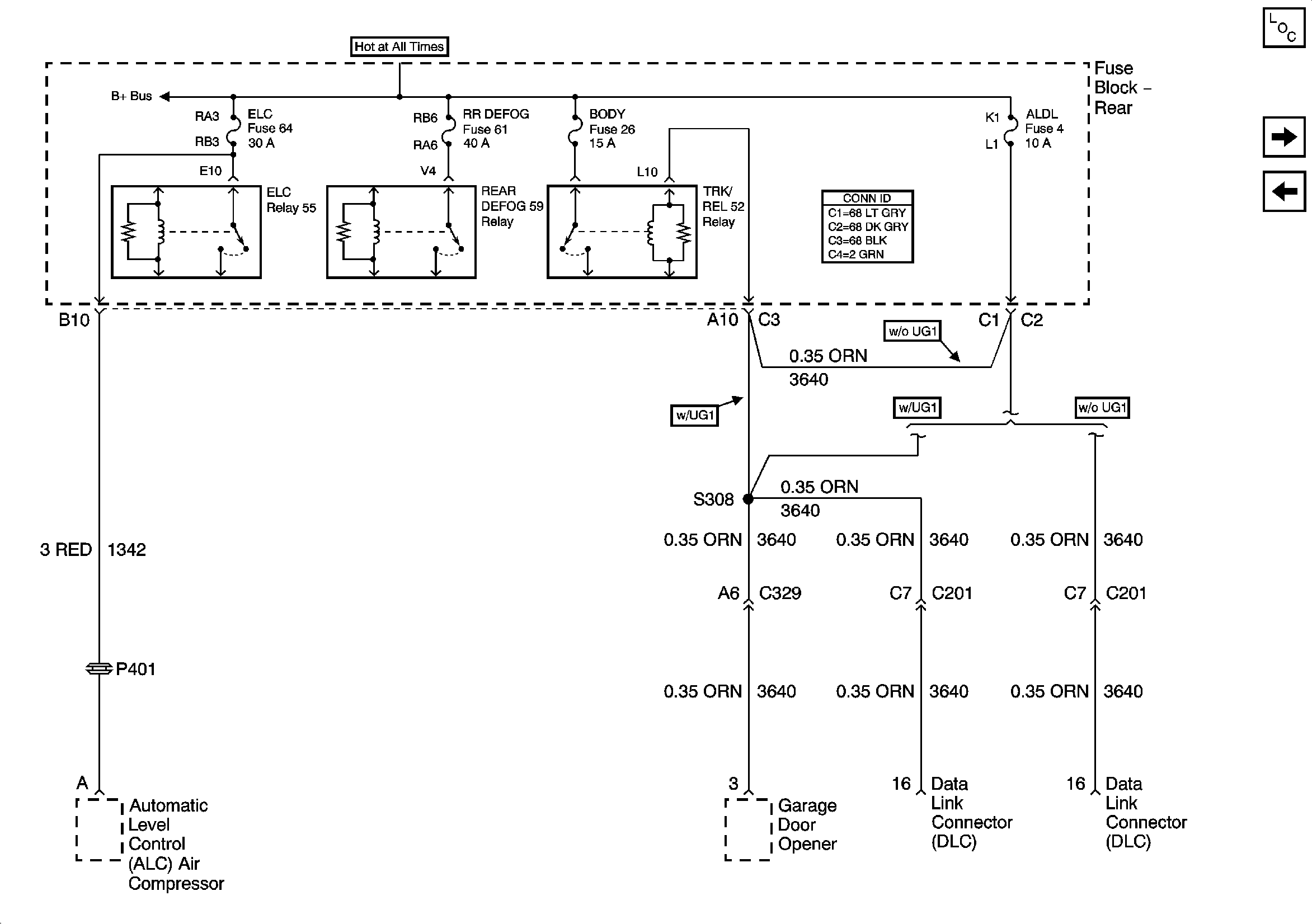
ELC, RR DEFOG and TRK/REL Relays, RR DEFOG and ALDL Fuses (Fuse Block Rear)
Figure 8:

HVAC BATT, DDM, FPDM, LRDM Fuses (Fuse Block Rear)


Object Number: 885717  Size: FS
Master Electrical Component List
ELC, RR DEFOG and TRK/REL Relays, RR DEFOG and ALDL Fuses (Fuse Block Rear)
HTDST RF, HTDST LF, DIM, and MEM Fuses (Fuse Block Rear)
Figure 9:

ELC, RR DEFOG and TRK/REL Relays, RR DEFOG and ALDL Fuses (Fuse Block Rear)


Object Number: 885719  Size: FS
Master Electrical Component List
PWR WDO and PWR SEAT Circuit Breakers (Fuse Block Rear)
HTDST RF, HTDST LF, DIM, and MEM Fuses (Fuse Block Rear)
Figure 10:

PWR WDO and PWR SEAT Circuit Breakers (Fuse Block Rear)


Object Number: 885722  Size: FS
Master Electrical Component List
PRK LP Relay, LP PK L, LP PK R, and DIMR Fuses (Fuse Block Rear)
ELC, RR DEFOG and TRK/REL Relays, RR DEFOG and ALDL Fuses (Fuse Block Rear)
Figure 11:

PRK LP Relay, LP PK L, LP PK R, and DIMR Fuses (Fuse Block Rear)


Object Number: 885723  Size: FS
Master Electrical Component List
T SIG/HAZ, STOP LP, AUDIO and CD Fuses (Fuse Block Rear)
PWR WDO and PWR SEAT Circuit Breakers (Fuse Block Rear)
Figure 12:

T SIG/HAZ, STOP LP, AUDIO and CD Fuses (Fuse Block Rear)


Object Number: 885730  Size: FS
Master Electrical Component List
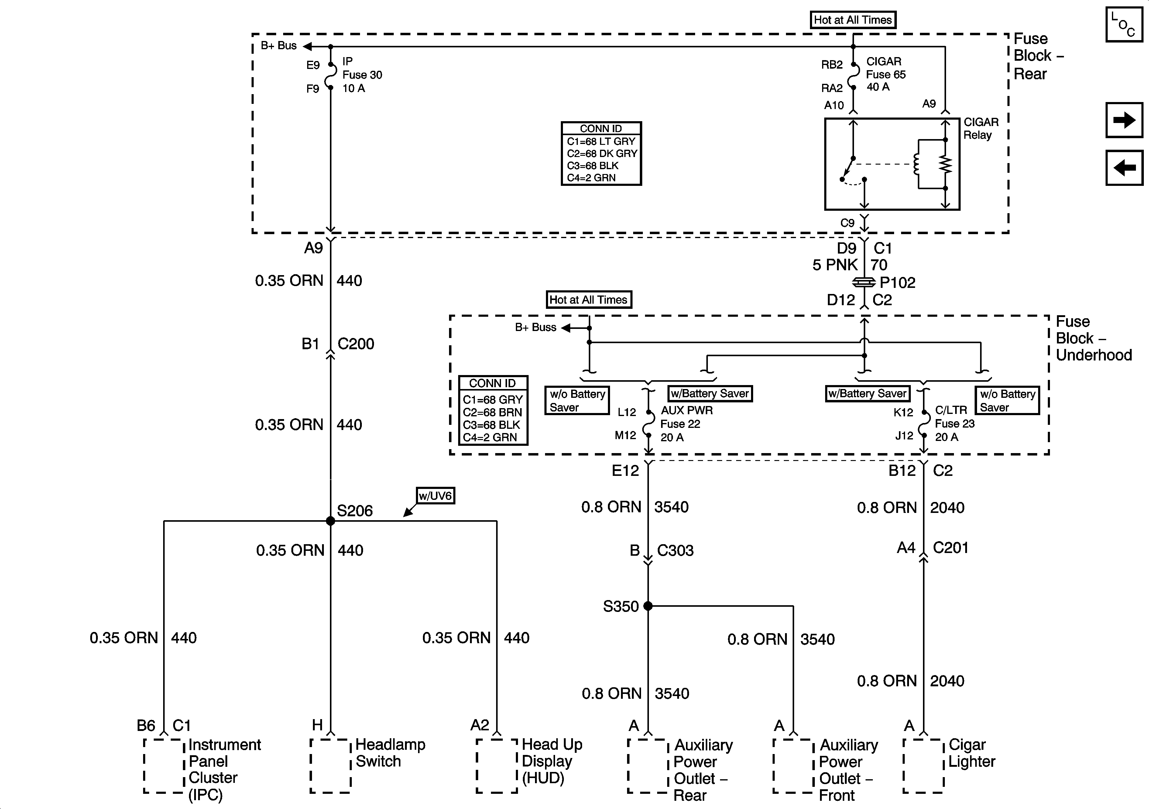
IP, CIGAR, AUX PWR and C/LTR Fuses and CIGAR Relay (Fuse Block Rear)
PRK LP Relay, LP PK L, LP PK R, and DIMR Fuses (Fuse Block Rear)
AUDIO (On Star) Fuse (Fuse Block Rear)
Figure 13:

IP, CIGAR, AUX PWR and C/LTR Fuses and CIGAR Relay (Fuse Block Rear)


Object Number: 885733  Size: FS
Master Electrical Component List
IGN SW and NSBU Fuses (Fuse Block Rear)
T SIG/HAZ, STOP LP, AUDIO and CD Fuses (Fuse Block Rear)
Figure 14:

IGN SW and NSBU Fuses (Fuse Block Rear)


Object Number: 885736  Size: FS
Master Electrical Component List
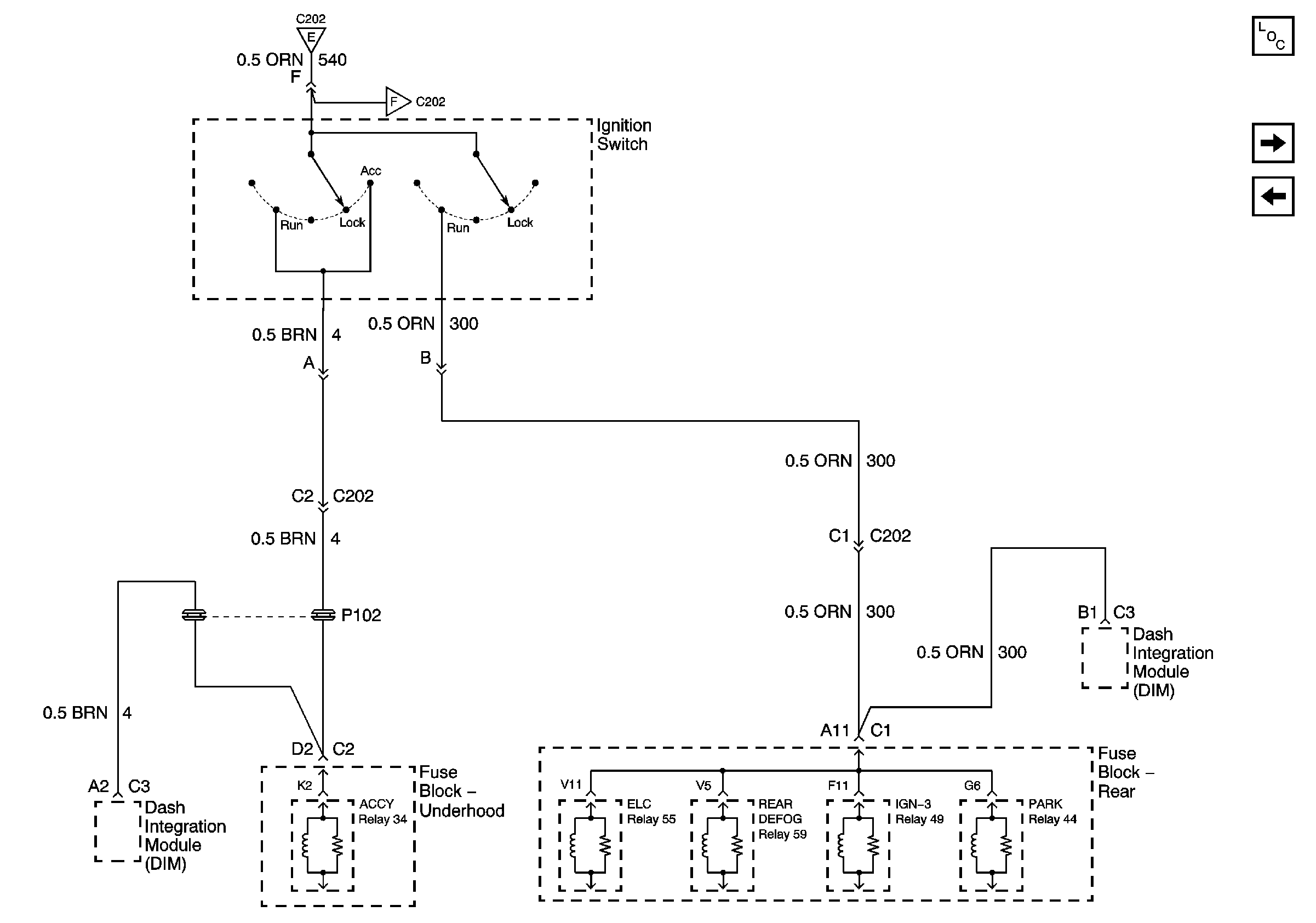
Ignition Switch (1 of 2)
IP, CIGAR, AUX PWR and C/LTR Fuses and CIGAR Relay (Fuse Block Rear)
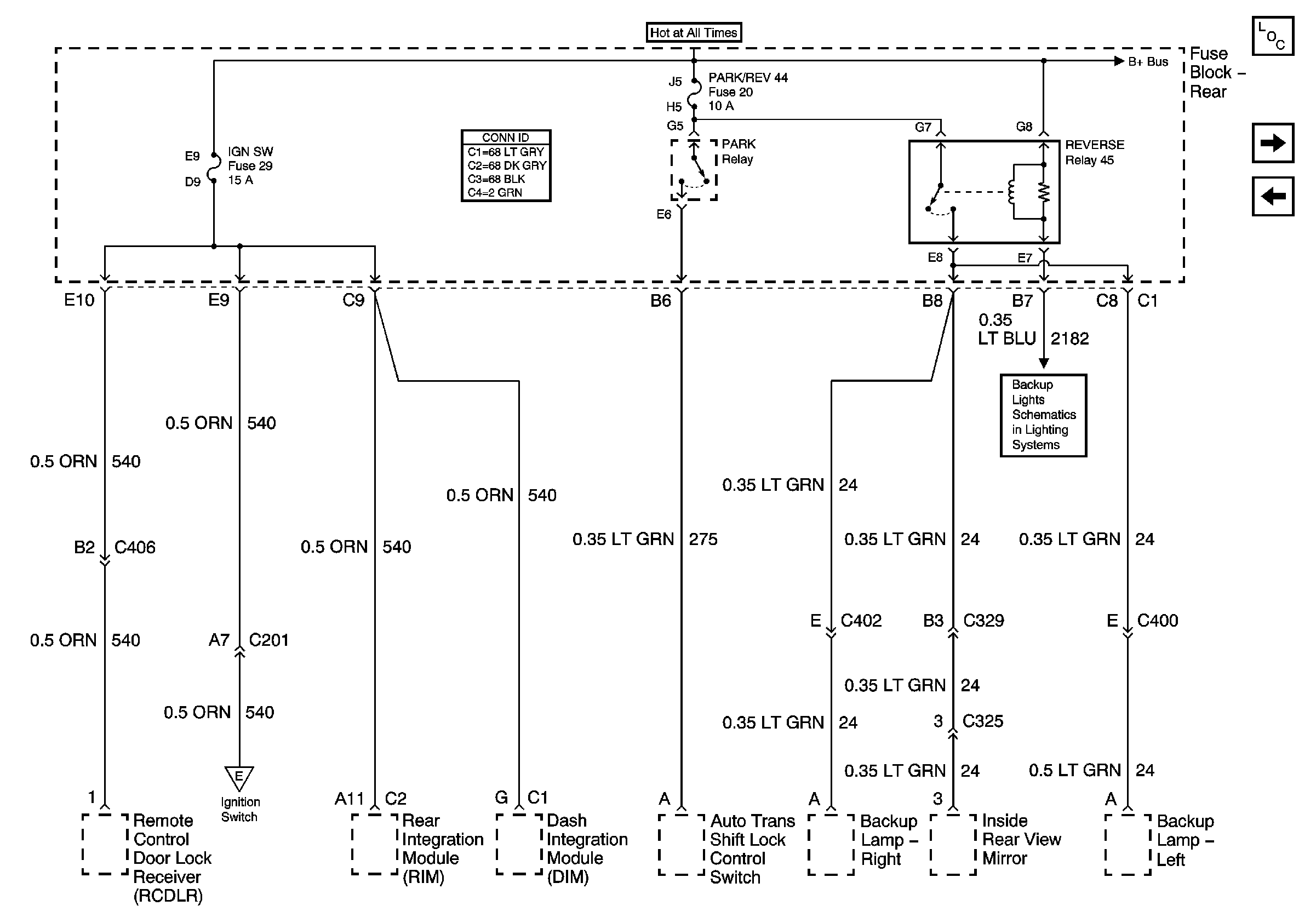
Backup Lights
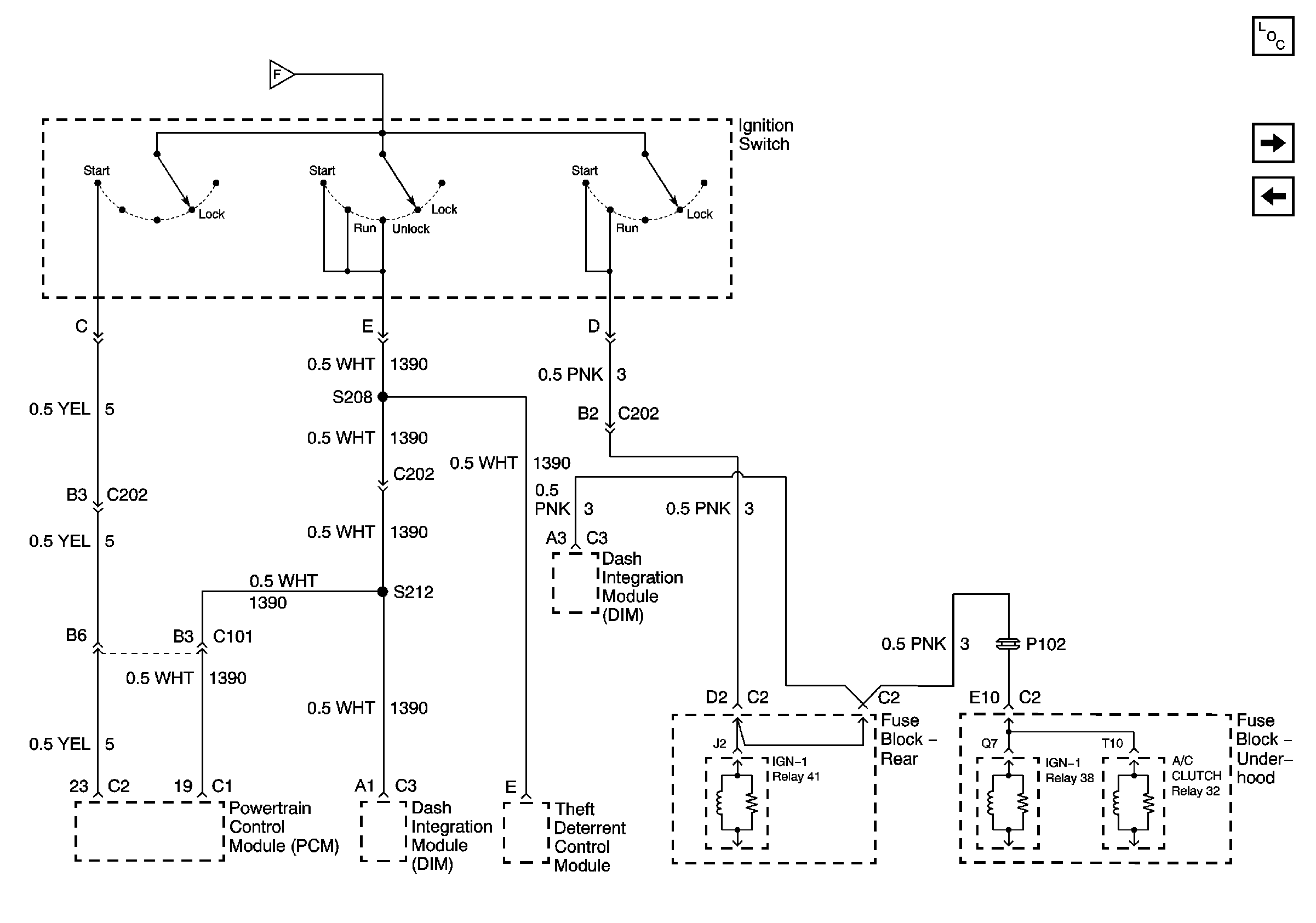
Ignition Switch (1 of 2)
Figure 15:

Ignition Switch (1 of 2)


Object Number: 885740  Size: FS
Master Electrical Component List
Ignition Switch (2 of 2)
IGN SW and NSBU Fuses (Fuse Block Rear)
IGN SW and NSBU Fuses (Fuse Block Rear)
Ignition Switch (2 of 2)
Figure 16:

Ignition Switch (2 of 2)


Object Number: 885745  Size: FS
Master Electrical Component List
IGN-1, VENT SOL, and SIR Fuses (Fuse Block Rear)
Ignition Switch (1 of 2)
Ignition Switch (1 of 2)
Figure 17:

IGN-1, VENT SOL, and SIR Fuses (Fuse Block Rear)


Object Number: 885748  Size: FS
Master Electrical Component List
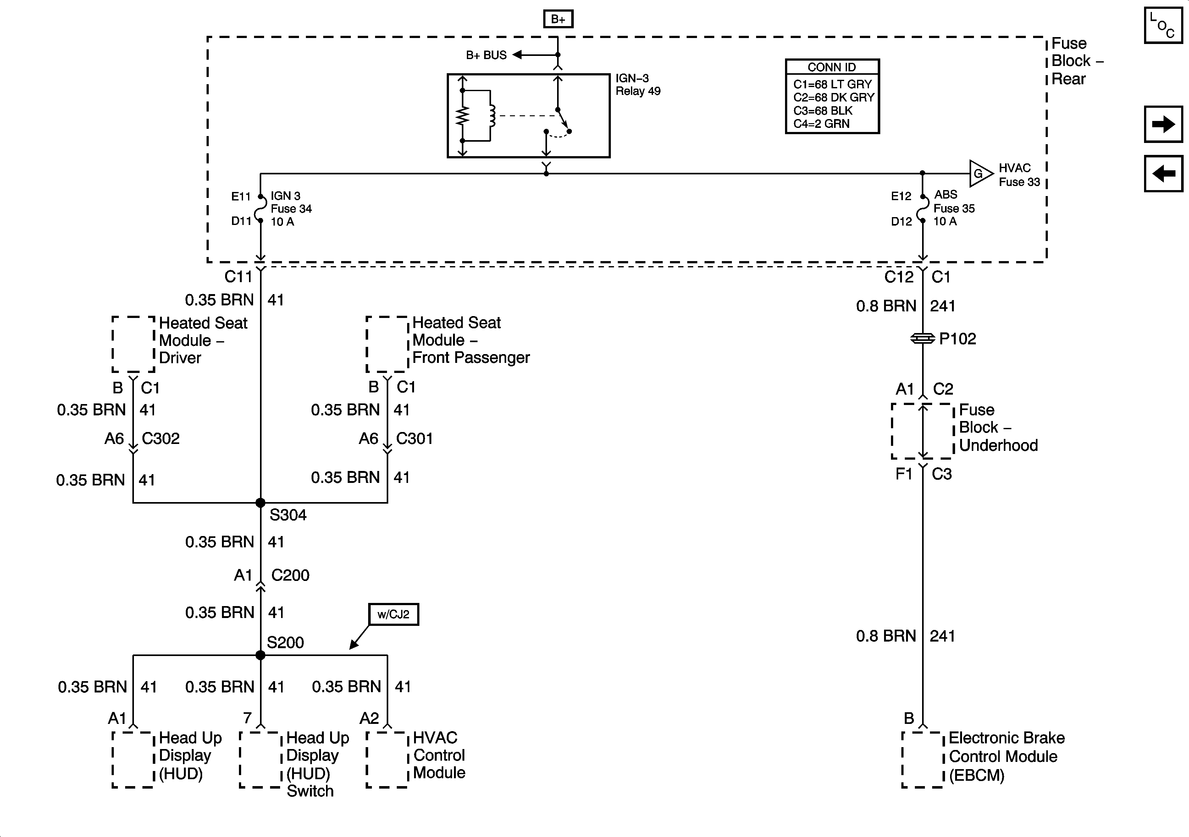
IGN-3 and ABS Fuses (Fuse Block Rear)
Ignition Switch (2 of 2)
Figure 18:

IGN-3 and ABS Fuses (Rear Fuse Block)


Object Number: 885750  Size: FS
Master Electrical Component List
HVAC Fuse (Block Rear)
IGN-1, VENT SOL, and SIR Fuses (Fuse Block Rear)
Battery Feed to Rear Fuse Block
HVAC Fuse (Block Rear)
Figure 19:

HVAC Fuse (Rear Fuse Block)


Object Number: 885753  Size: FS
Master Electrical Component List
HVAC BLO and AUDIO Fuses, RAP and F/PMP Relays (Block Rear)
IGN-3 and ABS Fuses (Fuse Block Rear)
IGN-3 and ABS Fuses (Fuse Block Rear)
Figure 20:

HVAC BLO and AUDIO Fuses, RAP and F/PMP Relays (Block Rear)


Object Number: 885756  Size: FS
Master Electrical Component List
HVAC Fuse (Block Rear)