GM Service Manual Online
For 1990-2009 cars only

Removal Procedure


    Object Number: 73910  Size: SH
  1. Remove the engine sight shield.
  2. Remove the air cleaner intake duct. Refer to Air Cleaner Inlet Duct Replacement in Engine Controls - 3.8L.
  3. Important: Remove both the throttle and the cruise control cables in order to prevent kinking of the cables during lowering of the transaxle.


    Object Number: 179339  Size: SH
  4. Remove both the throttle and the cruise control cables (1) from the throttle body and the accelerator control bracket (2).

  5. Object Number: 678825  Size: SH
  6. Disconnect the transaxle electrical connector C100 (2).
  7. Disconnect the wiring harness (3) from the wiring harness retainer (1) on the transaxle.
  8. Remove the upper transmission case side cover bolt.
  9. Install the engine support fixture. Refer to Engine Support Fixture in Engine Mechanical - 3.8 L.
  10. Raise and Support the vehicle. Refer to Lifting and Jacking the Vehicle in General Information.
  11. Remove the left front tire and wheel assembly. Refer to Tire and Wheel Removal and Installation in Tires and Wheels.

  12. Object Number: 256066  Size: SH
  13. Remove the left inner wheelhouse filler (2).
  14. Remove the front air deflector. Refer to Front Air Deflector Replacement in Body Front End.
  15. Remove the left ball joint from the steering knuckle. Refer to Lower Control Arm Replacement in Front Suspension.

  16. Object Number: 337379  Size: SH
  17. Remove the stabilizer bar links. Refer to Stabilizer Shaft Link Replacement in Front Suspension.
  18. Rotate the stabilizer bar to gain access to the power steering mounting bolts.
  19. Remove the power steering gear mounting bolts.
  20. Remove the power steering line retainers from the frame.
  21. Secure the power steering gear to the vehicle body.

  22. Object Number: 458866  Size: SH
  23. Loosen the two mounting nuts (2) in order to allow removal of the brake pressure modulator valve (1) from the bracket (3).
  24. Remove the brake line retainers from the frame.

  25. Object Number: 154973  Size: SH
  26. Remove the two lower bolts and lower nut from the rear transaxle mount (1).

  27. Object Number: 667209  Size: SH
  28. Remove the lower nut (1) from the front transaxle mount.
  29. Support the left side of the frame with an appropriate jack.

  30. Object Number: 105376  Size: SH
  31. Remove the three frame-to-body bolts (3) on the left side.
  32. Important: DO NOT loosen the front and rear frame-to-body bolts on the right side.

  33. Loosen, but do not remove, the right center frame-to-body bolt.
  34. Important: Insure that all pipes, hoses and wires are clear and not being bound or stressed when lowering the frame.

  35. Lower the left side of the frame.

  36. Object Number: 768358  Size: SH
  37. Remove the left transaxle mount nut. Refer to Transmission Mount Replacement - Left Side .
  38. Lower the vehicle enough to gain access to the engine support fixture.
  39. Using the engine support fixture, lower the transaxle.
  40. Raise the vehicle.
  41. Position an oil drain pan under the left side of the transaxle.
  42. Remove the left drive axle from the transaxle.

  43. Object Number: 772540  Size: SH
  44. Remove the range selector cable from the range selector lever.
  45. Remove the range selector cable bracket from the transmission case and set aside.
  46. Remove the wiring harnes retainer from the transaxle.

  47. Object Number: 164786  Size: SH
  48. Remove the case side cover bolts.

  49. Object Number: 48208  Size: SH
  50. Remove the case side cover (53).
  51. If replacing the side cover, remove the transmission mount bracket. Refer to Automatic Transmission Mount Bracket Replacement - Left Side .
  52. Clean the case and side cover gasket surfaces.

Installation Procedure


    Object Number: 48208  Size: SH
  1. Assemble the case side cover inner gasket (59) to the case side cover (53). Use J 36850 on the seal surfaces.
  2. Install the case side cover gasket (54) and case side cover (53) onto the case. Make sure the gaskets and electrical connector are positioned correctly.

  3. Object Number: 164786  Size: SH
  4. Install the transmission side case bolts.
  5. Notice: Use the correct fastener in the correct location. Replacement fasteners must be the correct part number for that application. Fasteners requiring replacement or fasteners requiring the use of thread locking compound or sealant are identified in the service procedure. Do not use paints, lubricants, or corrosion inhibitors on fasteners or fastener joint surfaces unless specified. These coatings affect fastener torque and joint clamping force and may damage the fastener. Use the correct tightening sequence and specifications when installing fasteners in order to avoid damage to parts and systems.

    Tighten
    Tighten all bolts to 25 N·m (18 lb ft).

  6. If removed, install the transmission mount bracket. Refer to Automatic Transmission Mount Bracket Replacement - Left Side .

  7. Object Number: 772540  Size: SH
  8. Install the range selector cable bracket and cable onto the transmission case.
  9. Install the range selector cable bracket nuts.
  10. Tighten
    Tighten the range selector cable bracket bolts to 25 N·m (18 lb ft).

  11. Install the range selector cable onto the range selector lever.
  12. Install the wiring harness retainer onto the transaxle.
  13. Install the wiring harness retainer nuts.
  14. Tighten
    Tighten the wiring harness retainer nuts to 25 N·m (18 lb ft).

  15. Install the left drive axle into the transaxle.

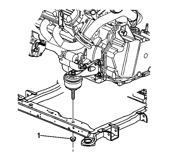
  16. Object Number: 768358  Size: SH
  17. lower the vehicle enough to gain access to the engine support fixture.
  18. Using the engine support fixture, raise the transaxle to it's original position.
  19. Raise the vehicle.
  20. Install the left transaxle mount nut.
  21. Tighten
    Tighten the bolts to 80 N·m (59 lb ft).

  22. Using an appropriate jack. Carefully raise the left side of the frame so that the frame-to-body bolts can be installed.

  23. Object Number: 105376  Size: SH
  24. Install the frame-to-body bolts (3).
  25. Tighten
    Tighten the three bolts on the left side and the center right bolt to 112 N·m (83 lb ft).

  26. Remove the jack stand and oil drain pan.

  27. Object Number: 667209  Size: SH
  28. Install the lower nut (1) onto the front transaxle mount.
  29. Tighten
    Tighten the nut to 70 N·m (52 lb ft).


    Object Number: 154973  Size: SH
  30. Install the two lower bolts and lower nut onto the rear transaxle mount (1).
  31. Tighten
    Tighten the two lower bolts and lower nut to 50 N·m (37 lb ft).


    Object Number: 458866  Size: SH
  32. Position the brake pressure modulator valve (1) into the bracket (3).
  33. Tighten
    Tighten the two nuts (2) to 10 N·m (89 lb in).

  34. Install the brake line retainers onto the frame.

  35. Object Number: 337379  Size: SH
  36. Install the power steering gear mounting bolts.
  37. Tighten
    Tighten the bolts to 95 N·m (70 lb ft).

  38. Install the power steering line retainers onto the frame.
  39. Install the ball joint into the steering knuckle. Refer to Lower Control Arm Replacement in Front Suspension.
  40. Install the stabilizer bar links. Refer to Stabilizer Shaft Link Replacement in Front Suspension.
  41. Install the front air deflector. Refer to Front Air Deflector Replacement in Body Front End.

  42. Object Number: 256066  Size: SH
  43. Install the left inner wheelhouse filler (2).
  44. Install the left front tire and wheel assembly. Refer to Tire and Wheel Removal and Installation in Tires and Wheels.
  45. Lower the vehicle.
  46. Remove the engine support fixture.
  47. Install the upper transmission side case bolt.
  48. Notice: Use the correct fastener in the correct location. Replacement fasteners must be the correct part number for that application. Fasteners requiring replacement or fasteners requiring the use of thread locking compound or sealant are identified in the service procedure. Do not use paints, lubricants, or corrosion inhibitors on fasteners or fastener joint surfaces unless specified. These coatings affect fastener torque and joint clamping force and may damage the fastener. Use the correct tightening sequence and specifications when installing fasteners in order to avoid damage to parts and systems.

    Tighten
    Tighten all bolts to 25 N·m (18 lb ft).


    Object Number: 678825  Size: SH
  49. Connect the transaxle electrical connector C100 (2).
  50. Install the wiring harness (3) into the wiring harness retainer (1) on the transaxle.

  51. Object Number: 179339  Size: SH
  52. Install the throttle and cruise control cables (1) into the throttle body and the accelerator control bracket (2).
  53. Install the air cleaner intake duct. Refer to Air Cleaner Inlet Duct Replacement in Engine Controls - 3.8L.

  54. Object Number: 73910  Size: SH
  55. Install the engine sight shield.
  56. Fill the transaxle to the proper level. Refer to Fluid Capacity Specifications .
  57. Inspect the transaxle fluid level. Refer to Transmission Fluid Check .
  58. Inspect for fluid leaks.