GM Service Manual Online
For 1990-2009 cars only
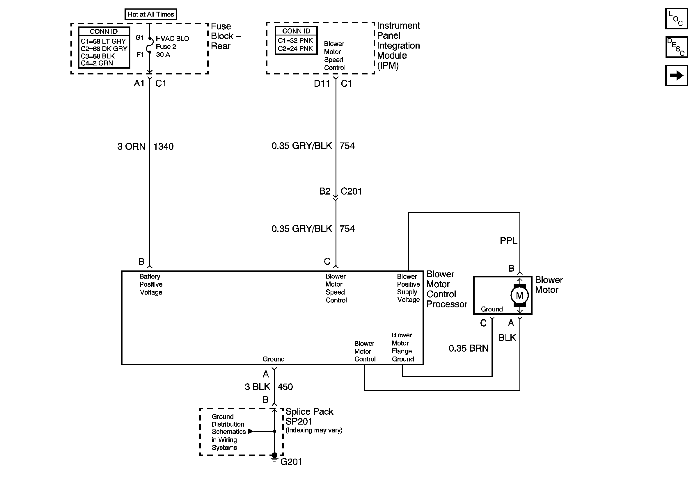
Figure 1:

Blower Control (w/CJ2)


Object Number: 886638  Size: FS
Master Electrical Component List
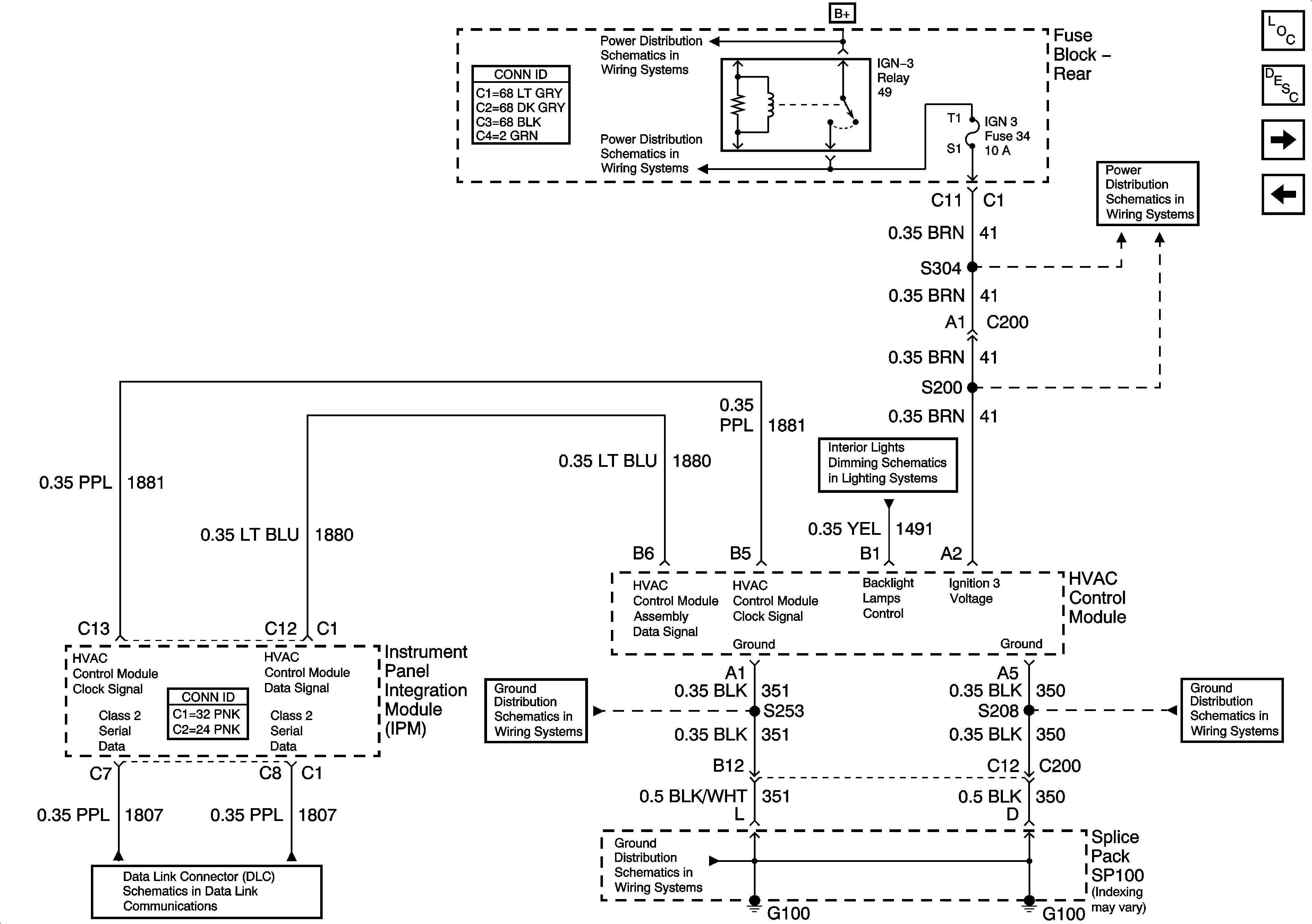
Heater A/C Control w/CJ2
G201
Figure 2:

Heater A/C Control w/CJ2


Object Number: 886639  Size: FS
Master Electrical Component List
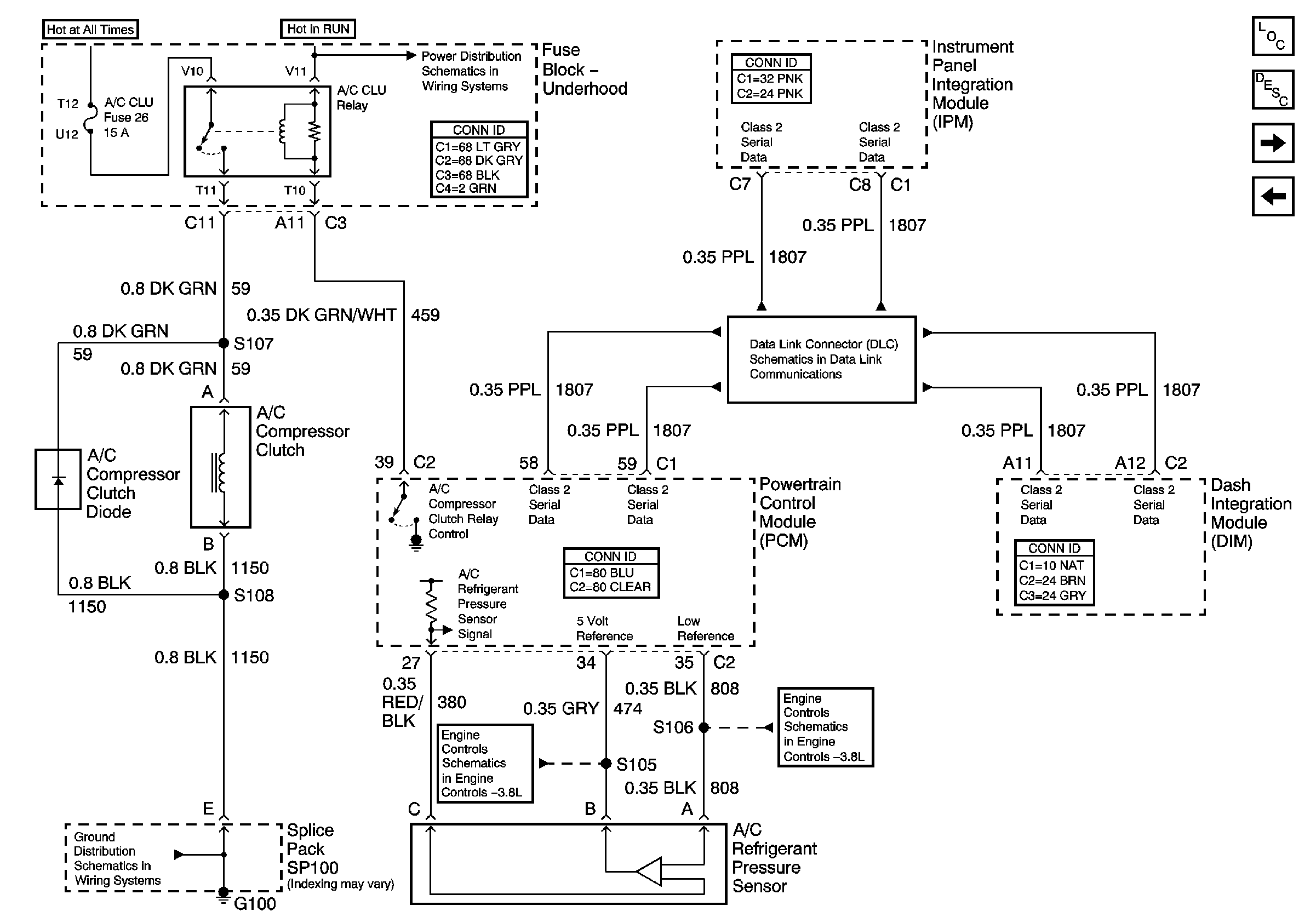
A/C Compressor Control (w/CJ2)
Blower Control (w/CJ2)
G200 (2 of 2)
G200 (2 of 2)
G200 (1 of 2)
Serial Data Class 2
G200 (1 of 2)
Dimming Control
IGN-3 and ABS Fuses (Fuse Block Rear)
IGN-3 and ABS Fuses (Fuse Block Rear)
Figure 3:

A/C Compressor Control (w/CJ2)


Object Number: 886642  Size: FS
Master Electrical Component List
Air Delivery (w/CJ2)
Heater A/C Control w/CJ2
Serial Data Class 2
Fuel Controls - EVAP Controls
Fuel Controls - EVAP Controls
G100, and G102
Figure 4:

Air Delivery (w/CJ2)


Object Number: 886643  Size: FS
Master Electrical Component List
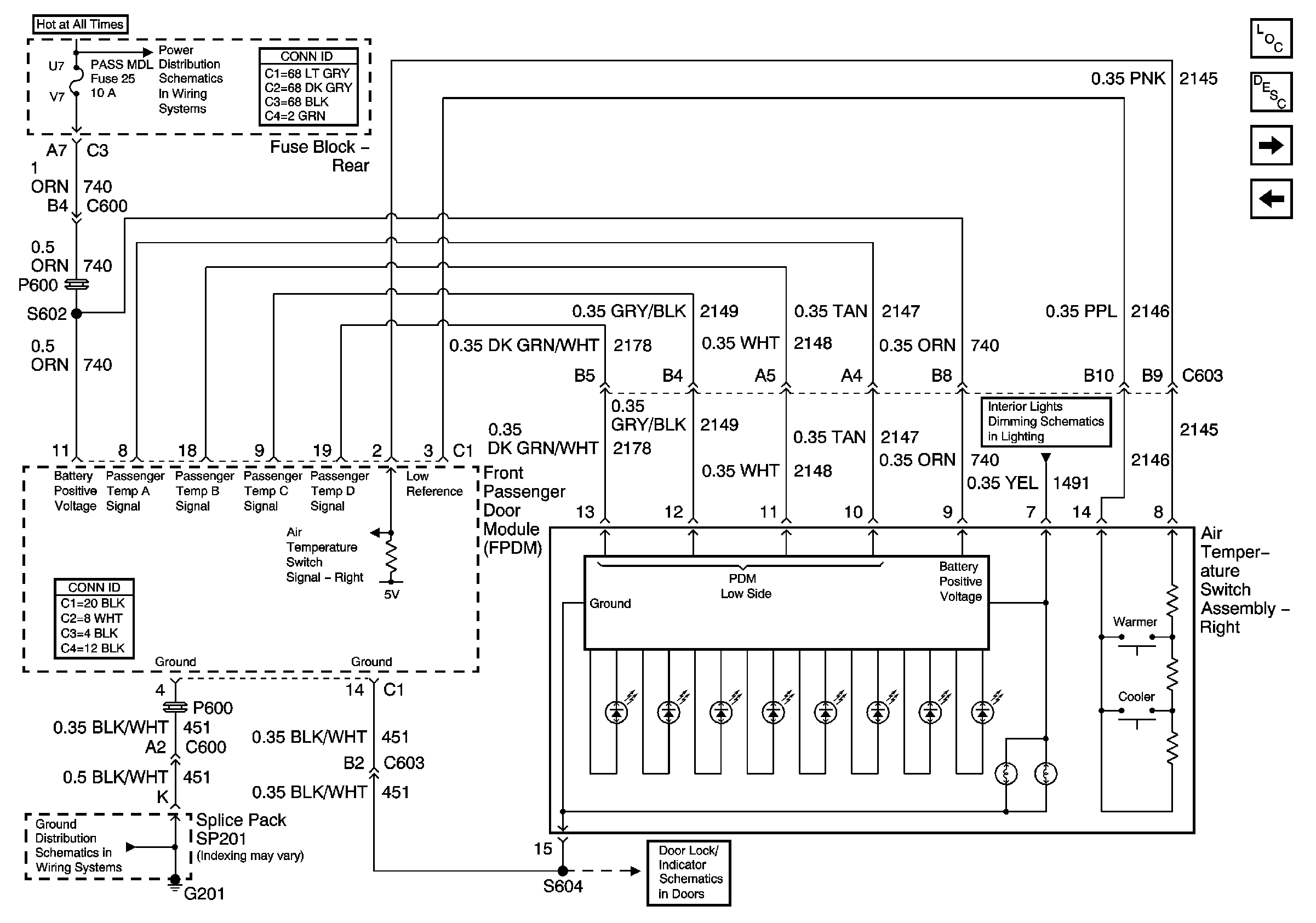
Temperature Sensors (w/CJ2)
A/C Compressor Control (w/CJ2)
HVAC Fuse (Block Rear)
HVAC Fuse (Block Rear)
Figure 5:

Temperature Sensors (w/CJ2)


Object Number: 675997  Size: FS
Master Electrical Component List
Front Passenger Climate Control (w/CJ2)
Air Delivery (w/CJ2)
Dimming Control
Headlamp Switch and Sunload Sensor Assembly (w/CJ2)
Figure 6:

Front Passenger Climate Control (w/CJ2)


Object Number: 886644  Size: FS
Master Electrical Component List
Steering Wheel Controls
Temperature Sensors (w/CJ2)
Dimming Control
G201
HTDST RF, HTDST LF, DIM, and MEM Fuses (Fuse Block Rear)
Figure 7:

Steering Wheel Controls


Object Number: 676006  Size: FS
Master Electrical Component List
Front Passenger Climate Control (w/CJ2)
HVAC Schematic Icons