GM Service Manual Online
For 1990-2009 cars only
Makes
🢒
Buick
🢒
2003
🢒
LeSabre
🢒
Body and Accessories
🢒
Wipers/Washer Systems
🢒 Wiper/Washer Schematics
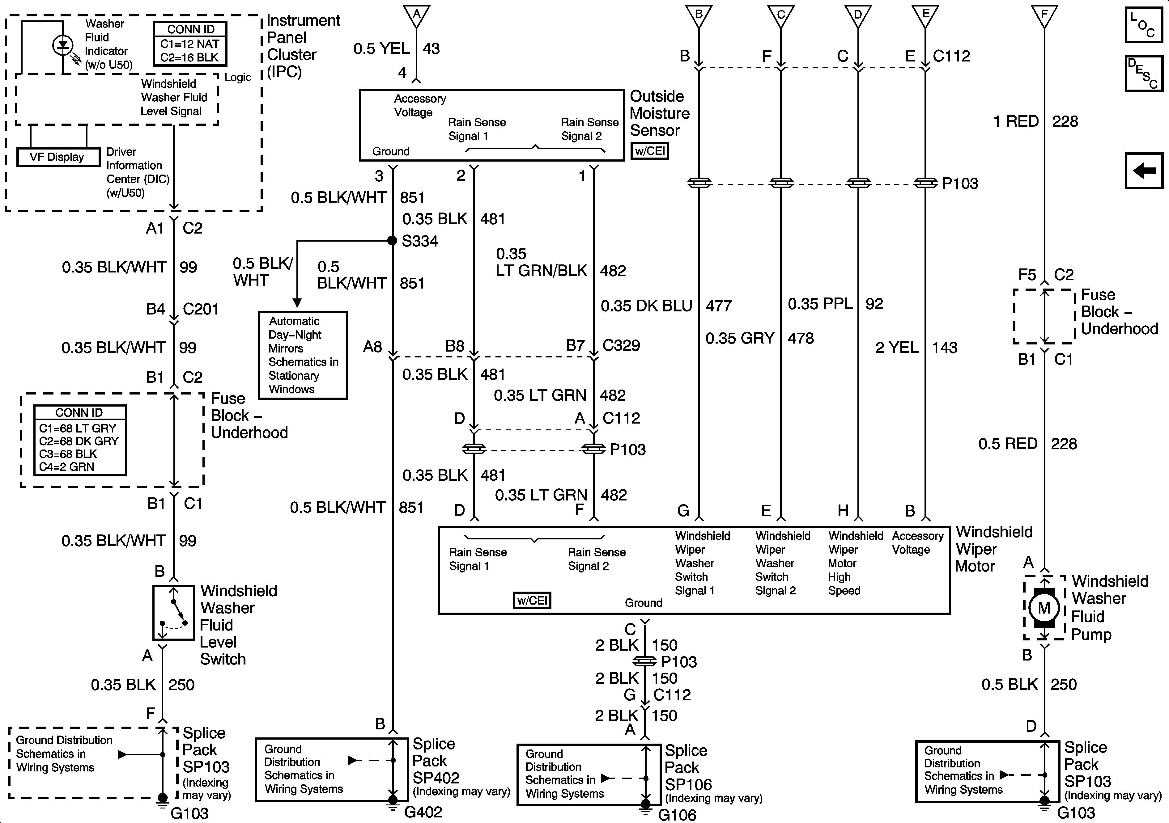
Figure
1:
Wiper Washer Switch and Fuse
Master Electrical Component List
Wiper and Washer Motor, Outside Moiture Sensor
Wiper and Washer Motor, Outside Moiture Sensor
Wiper and Washer Motor, Outside Moiture Sensor
Wiper and Washer Motor, Outside Moiture Sensor
Wiper and Washer Motor, Outside Moiture Sensor
Wiper and Washer Motor, Outside Moiture Sensor
Wiper and Washer Motor, Outside Moiture Sensor
AIR Pump and ACCY Relays, AIR, C/LTR, AUX PWR, WSW and Accsy Fuses
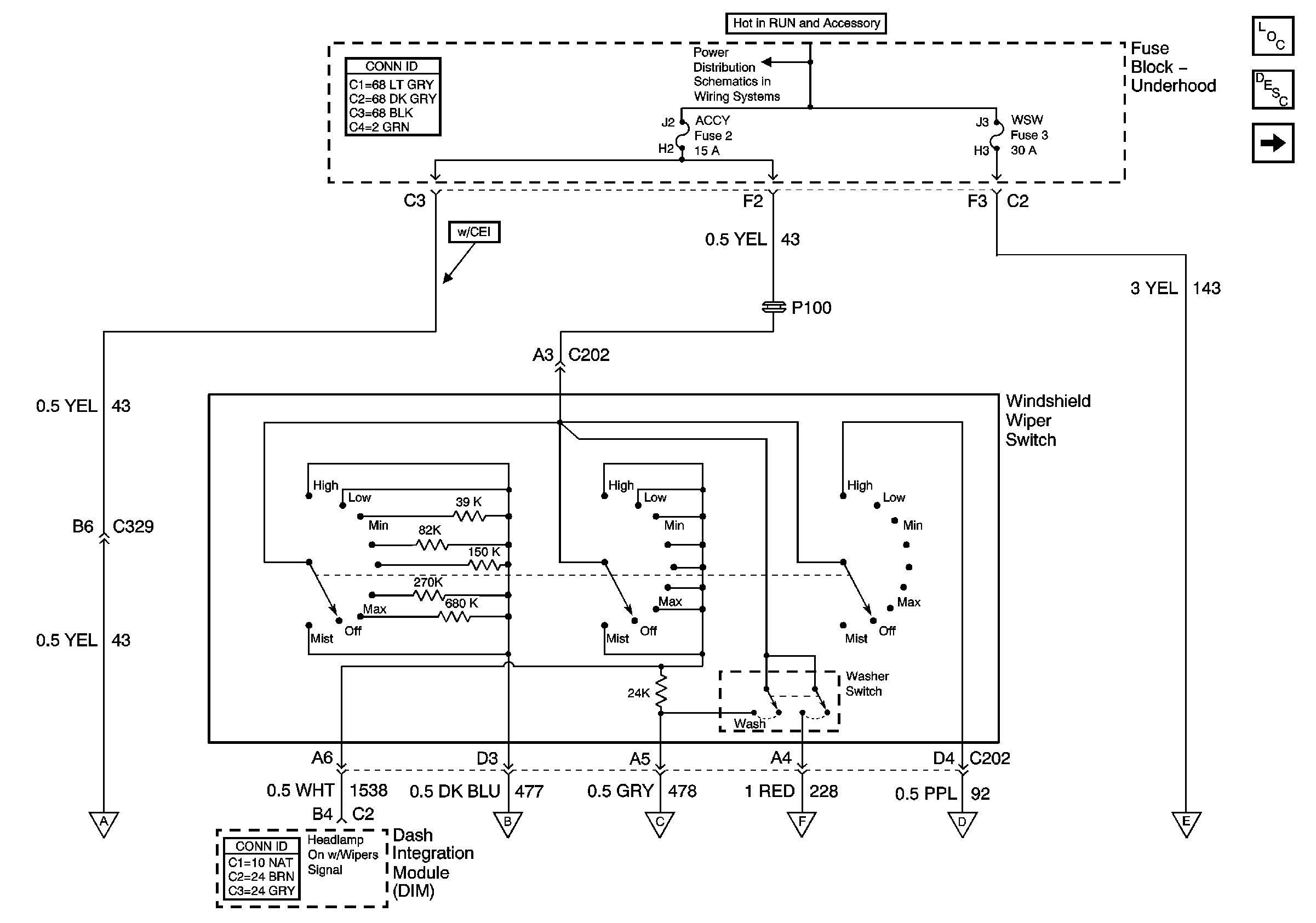
Figure
2:
Wiper and Washer Motor, Outside Moister Sensor
Master Electrical Component List
Wiper Washer Switch and Fuse
G103
G106, G107, and G101
G402
Inside Rear View Mirror (w/DD7 or w/DD8)
Wiper Washer Switch and Fuse
Wiper Washer Switch and Fuse
Wiper Washer Switch and Fuse
Wiper Washer Switch and Fuse
Wiper Washer Switch and Fuse
Wiper Washer Switch and Fuse