GM Service Manual Online
For 1990-2009 cars only
Figure 1:

Blower Control (w/C67)


Object Number: 886630  Size: FS
Master Electrical Component List
Air Delivery (w/C67)
G200 (1 of 2)
G201
G200 (1 of 2)
G200 (2 of 2)
G200 (2 of 2)
HTDST RF, HTDST LF, DIM, and MEM Fuses (Fuse Block Rear)
HVAC BLO and AUDIO Fuses, RAP and F/PMP Relays (Block Rear)
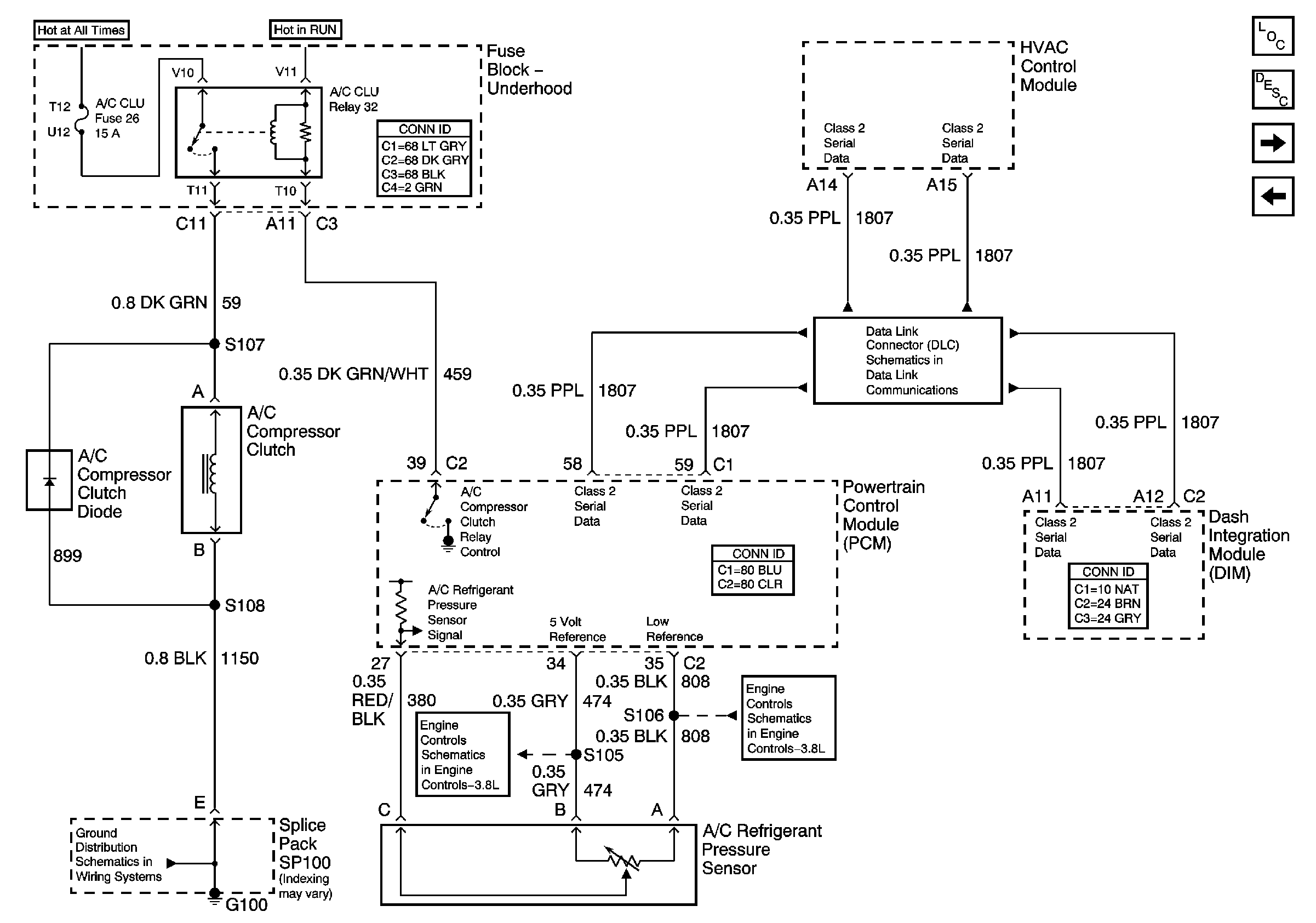
Figure 2:

A/C Compressor Control (w/C67)


Object Number: 886632  Size: FS
Master Electrical Component List
Air Delivery (w/C67)
Blower Control (w/C67)
Serial Data Class 2
Fuel Controls - EVAP Controls
Fuel Controls - EVAP Controls
G100, and G102
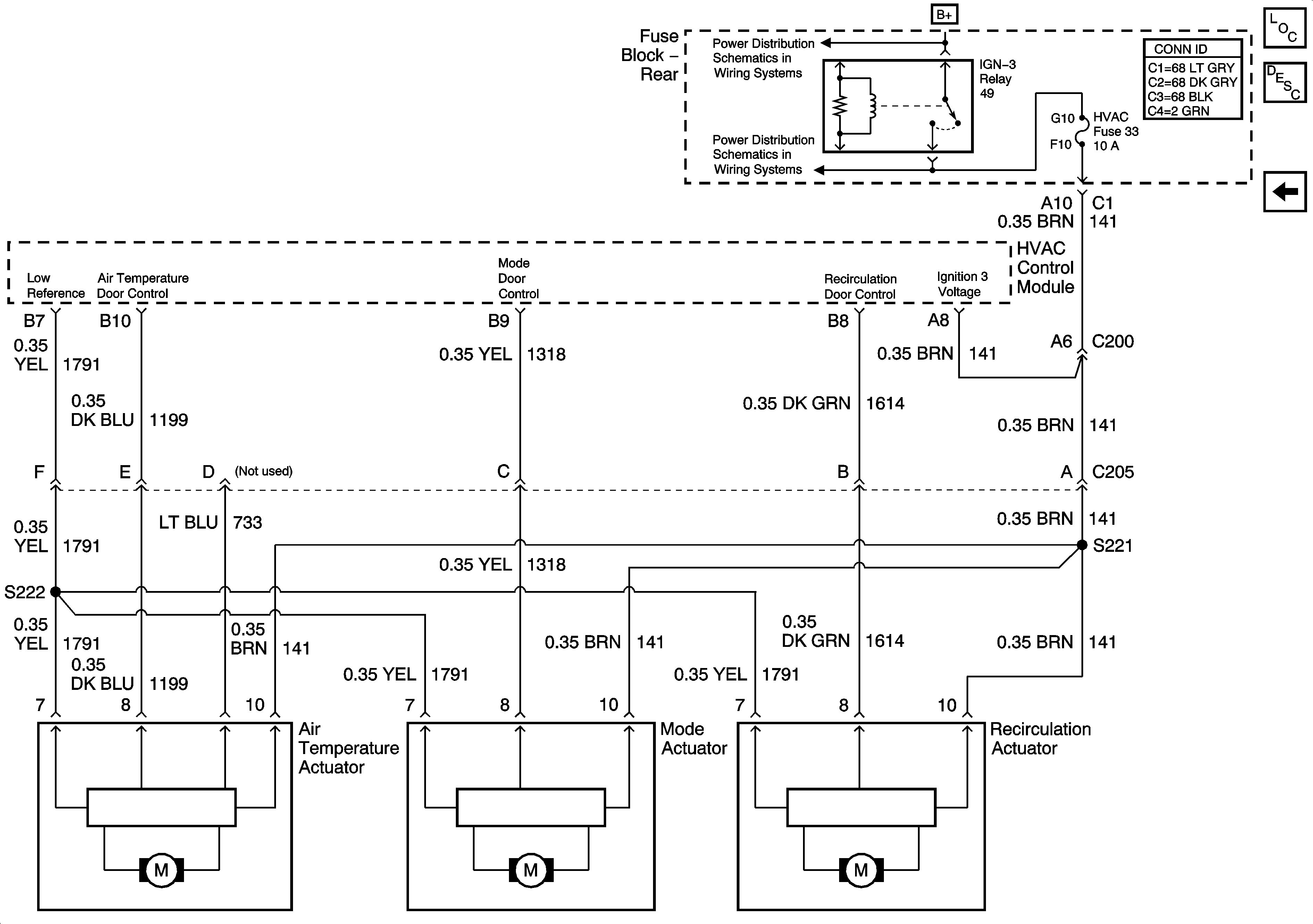
Figure 3:

Air Delivery (w/C67)


Object Number: 886637  Size: FS
Master Electrical Component List
A/C Compressor Control (w/C67)
HVAC Fuse (Block Rear)