GM Service Manual Online
For 1990-2009 cars only
Makes
🢒
Buick
🢒
2003
🢒
LeSabre
🢒
Body and Accessories
🢒
Body Control System
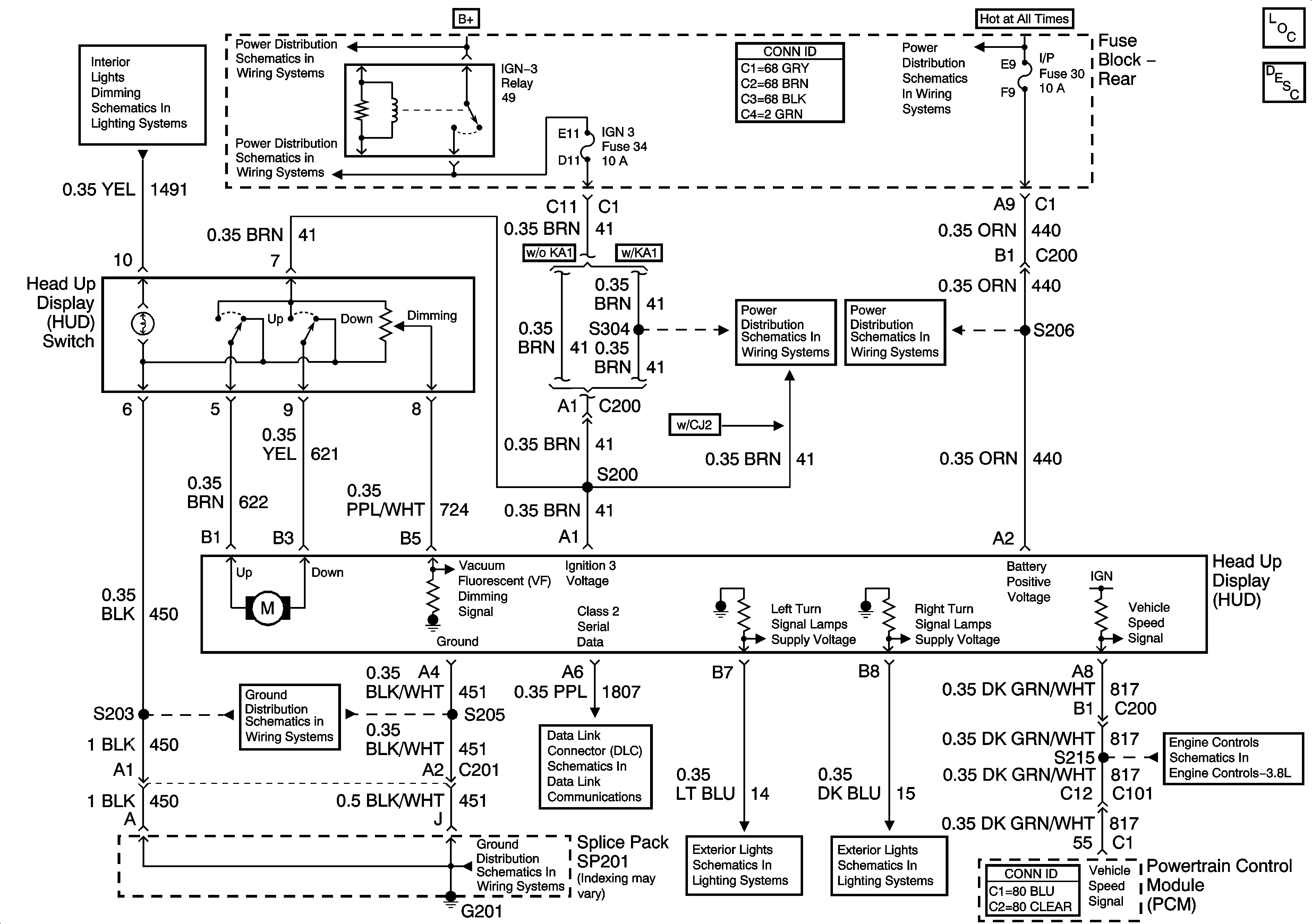
🢒 Head Up Display Schematics
Master Electrical Component List
Engine Data Sensors - MAF, VSS and Extended Brake Travel Switch
Engine Data Sensors - MAF, VSS and Extended Brake Travel Switch
Passengers Side Exterior Lamps
Drivers Side Exterior Lamps
G201
Serial Data Class 2
G201
Instrument Panel And Console Dimming
IGN-3 and ABS Fuses (Fuse Block Rear)
IGN-3 and ABS Fuses (Fuse Block Rear)
IP, CIGAR, AUX PWR and C/LTR Fuses and CIGAR Relay (Fuse Block Rear)
IP, CIGAR, AUX PWR and C/LTR Fuses and CIGAR Relay (Fuse Block Rear)