GM Service Manual Online
For 1990-2009 cars only
Makes
🢒
Buick
🢒
2003
🢒
LeSabre
🢒
Body and Accessories
🢒
Cruise Control
🢒 Cruise Control Schematics
Figure
1:
Cruise Control Switch, Cruise Control Module (CCM), Power and Grounds
Master Electrical Component List
CCM, PCM Controls and Vehicle Speed Input
SIR Caution for Zoning
Start-1 Relay,Injr-2, PCM IGN, CR CONT and INJR-1 Fuses
IGN-1, VENT SOL, and SIR Fuses (Fuse Block Rear)
G106, G107, and G101
G200 (1 of 2)
A/T Shift Lock Control Solenoid: Class 2
Start-1 Relay,Injr-2, PCM IGN, CR CONT and INJR-1 Fuses
IGN-1, VENT SOL, and SIR Fuses (Fuse Block Rear)
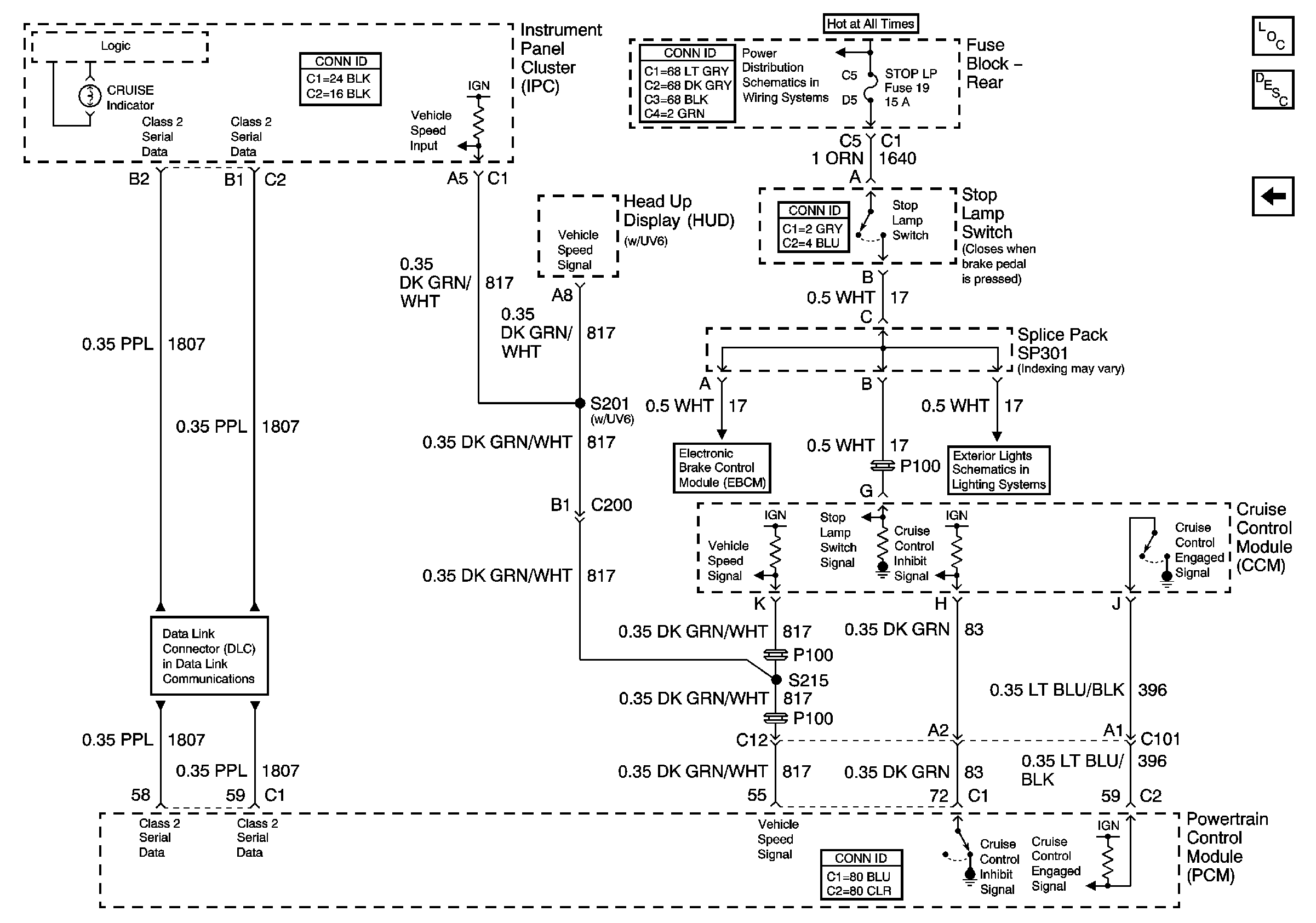
Figure
2:
CCM, PCM Controls and Vehicle Speed Input
Master Electrical Component List
Cruise Control Switch, Cruise Control Module (CCM), Power and Grounds
Serial Data Class 2
T SIG/HAZ, STOP LP, AUDIO and CD Fuses (Fuse Block Rear)