GM Service Manual Online
For 1990-2009 cars only
Makes
🢒
Buick
🢒
2003
🢒
LeSabre
🢒
Body and Accessories
🢒
Stationary Windows
🢒 Defogger Schematics
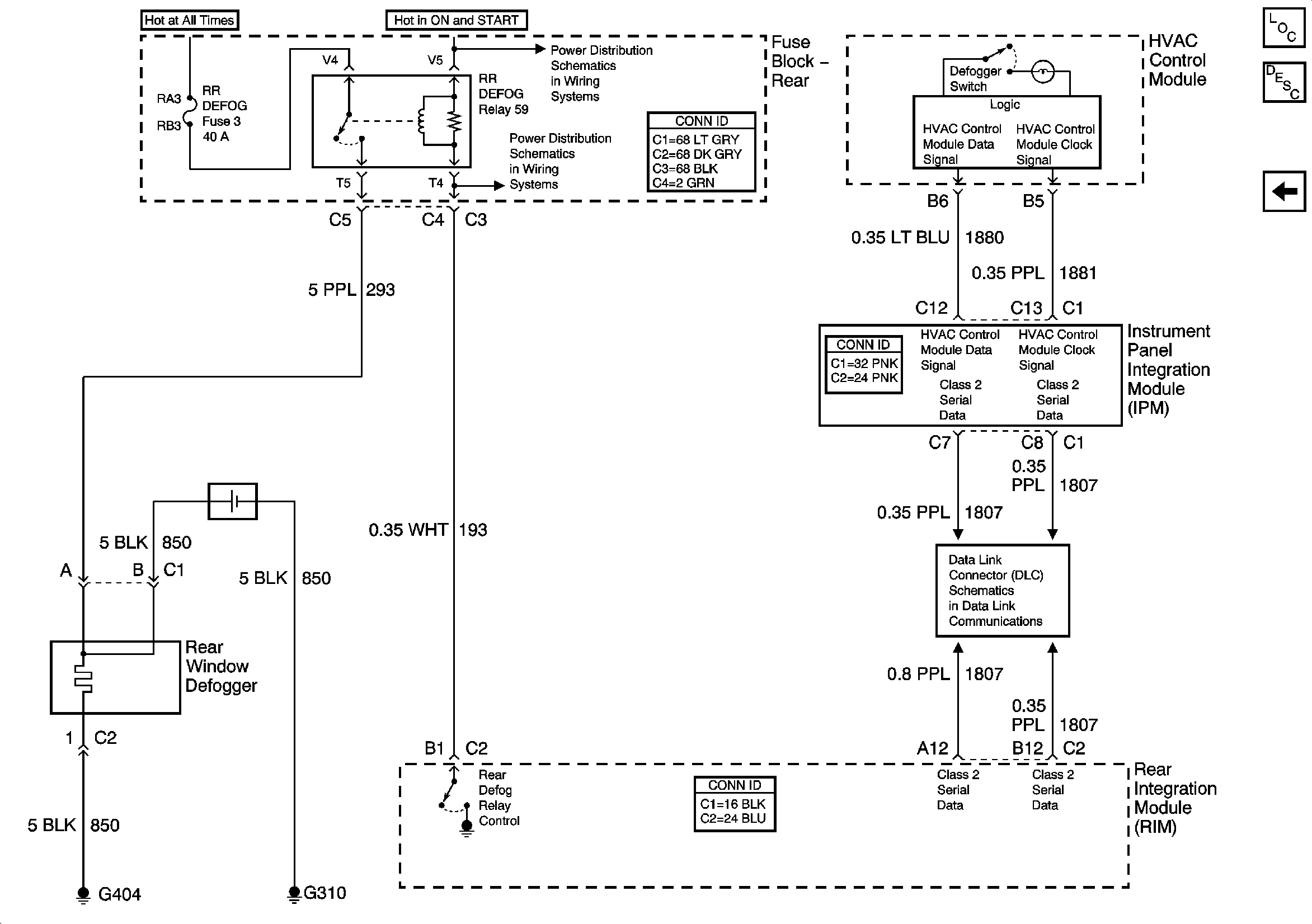
Figure
1:
Rear Window Defogger
Master Electrical Component List
Defogger Schematics (w/CJ2)
Serial Data Class 2
ELC, RR DEFOG and TRK/REL Relays, RR DEFOG and ALDL Fuses (Fuse Block Rear)
ELC, RR DEFOG and TRK/REL Relays, RR DEFOG and ALDL Fuses (Fuse Block Rear)
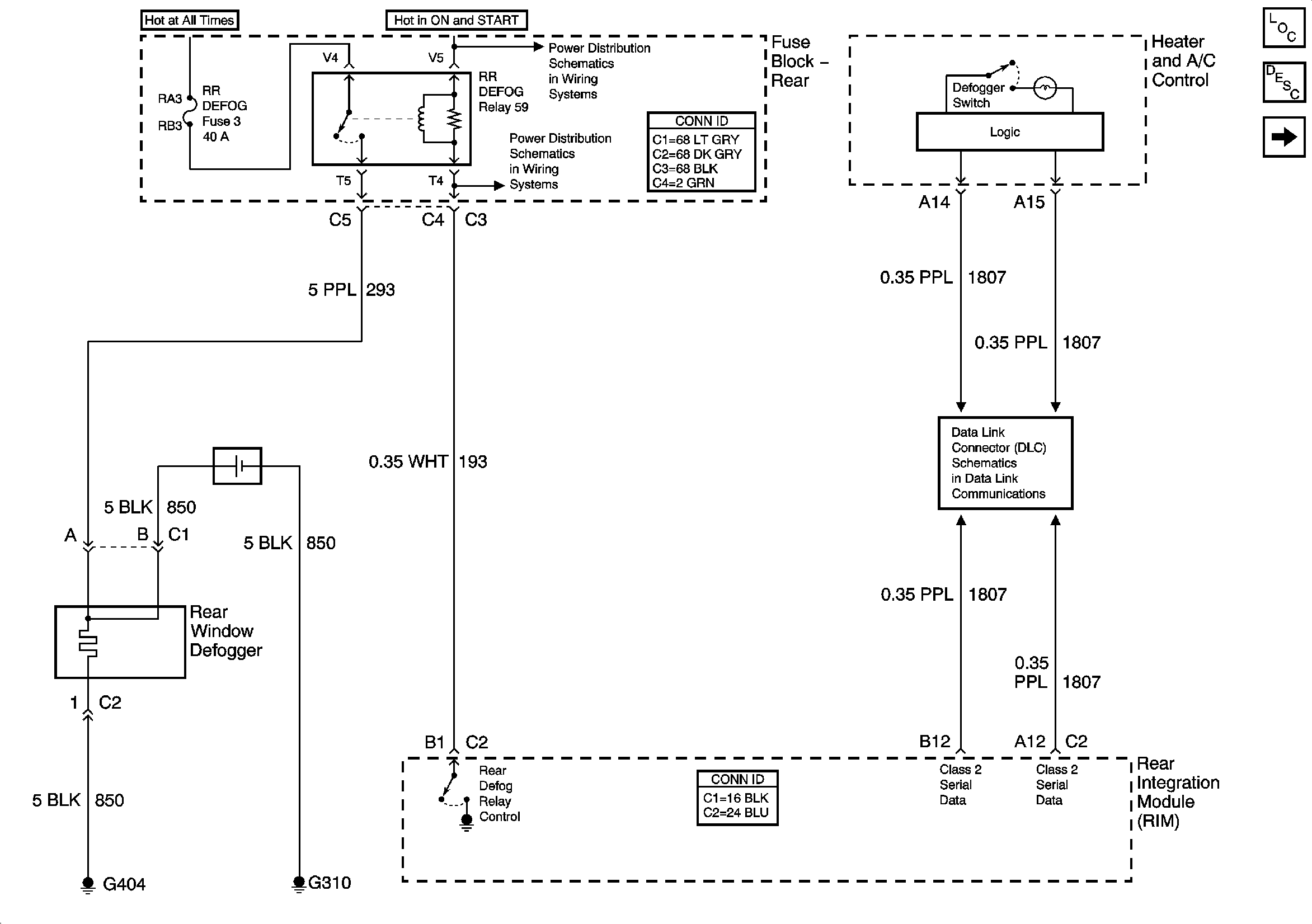
Figure
2:
Defogger Schematics (w/CJ2)
Master Electrical Component List
Rear Window Defogger
Serial Data Class 2
ELC, RR DEFOG and TRK/REL Relays, RR DEFOG and ALDL Fuses (Fuse Block Rear)
ELC, RR DEFOG and TRK/REL Relays, RR DEFOG and ALDL Fuses (Fuse Block Rear)