GM Service Manual Online
For 1990-2009 cars only
Makes
🢒
Buick
🢒
2005
🢒
LeSabre
🢒
Accessories
🢒
Power Outlets
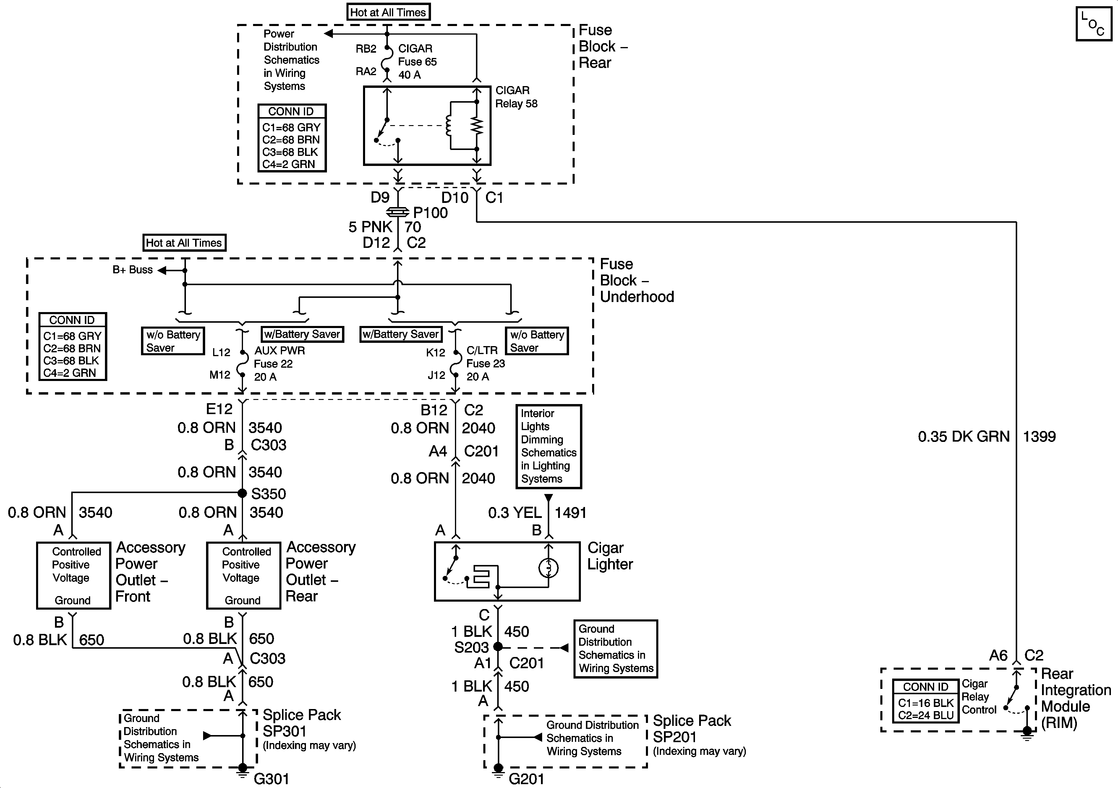
🢒 Cigar Lighter/Power Outlet Schematics
Master Electrical Component List
Fuse Block Rear - I/P, CIGAR, AUX PWR and C/LTR Fuses and CIGAR Relay
Instrument Panel And Console Dimming
G201
G301 - 1 of 2
G201