GM Service Manual Online
For 1990-2009 cars only
Makes
🢒
Buick
🢒
2005
🢒
LeSabre
🢒 Front Passenger Door
Front Passenger Door
Front Passenger Door
Master Electrical Component List
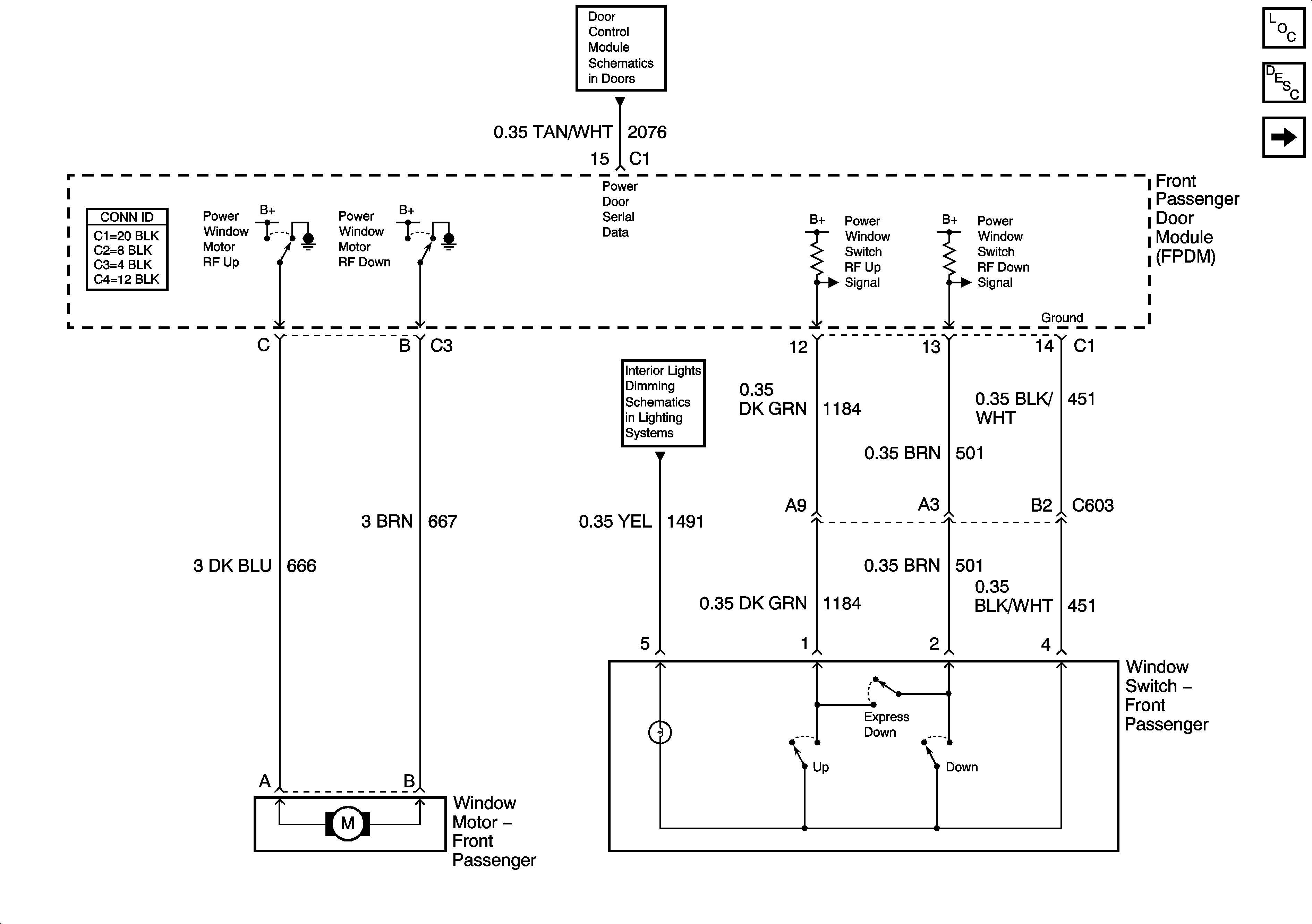
Power Windows Description and Operation
Driver Door
Power Door Serial Data
Front Doors Dimming