GM Service Manual Online
For 1990-2009 cars only
Makes
🢒
Buick
🢒
2005
🢒
LeSabre
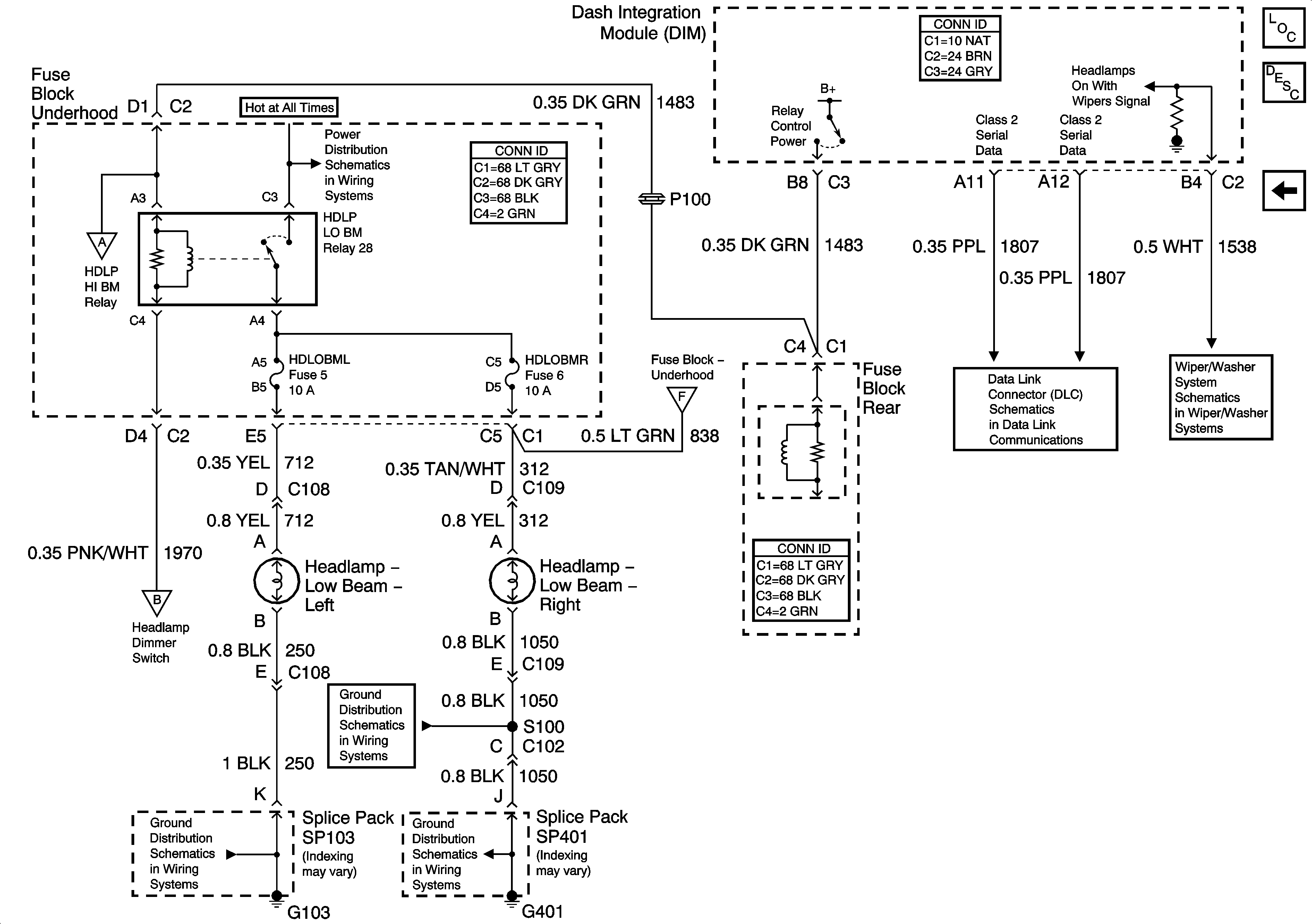
🢒 Low Beam Headlamps
Low Beam Headlamps
Low Beam Headlamps
Master Electrical Component List
Exterior Lighting Systems Description and Operation
DRL, High Beam Headlamps and Dimmer Switch
DRL, High Beam Headlamps and Dimmer Switch
Fuse Block Underhood - HDLP HIBM and HDLP LOBM Relays, ABS, PCM BATT, HDHIBM, HDLOBM Fuses
Serial Data Class 2
Wiper Washer Switch and Fuse
DRL, High Beam Headlamps and Dimmer Switch
G401 - 2 of 2
G103
G401 - 2 of 2