GM Service Manual Online
For 1990-2009 cars only
Makes
🢒
Buick
🢒
2006
🢒
Lucerne
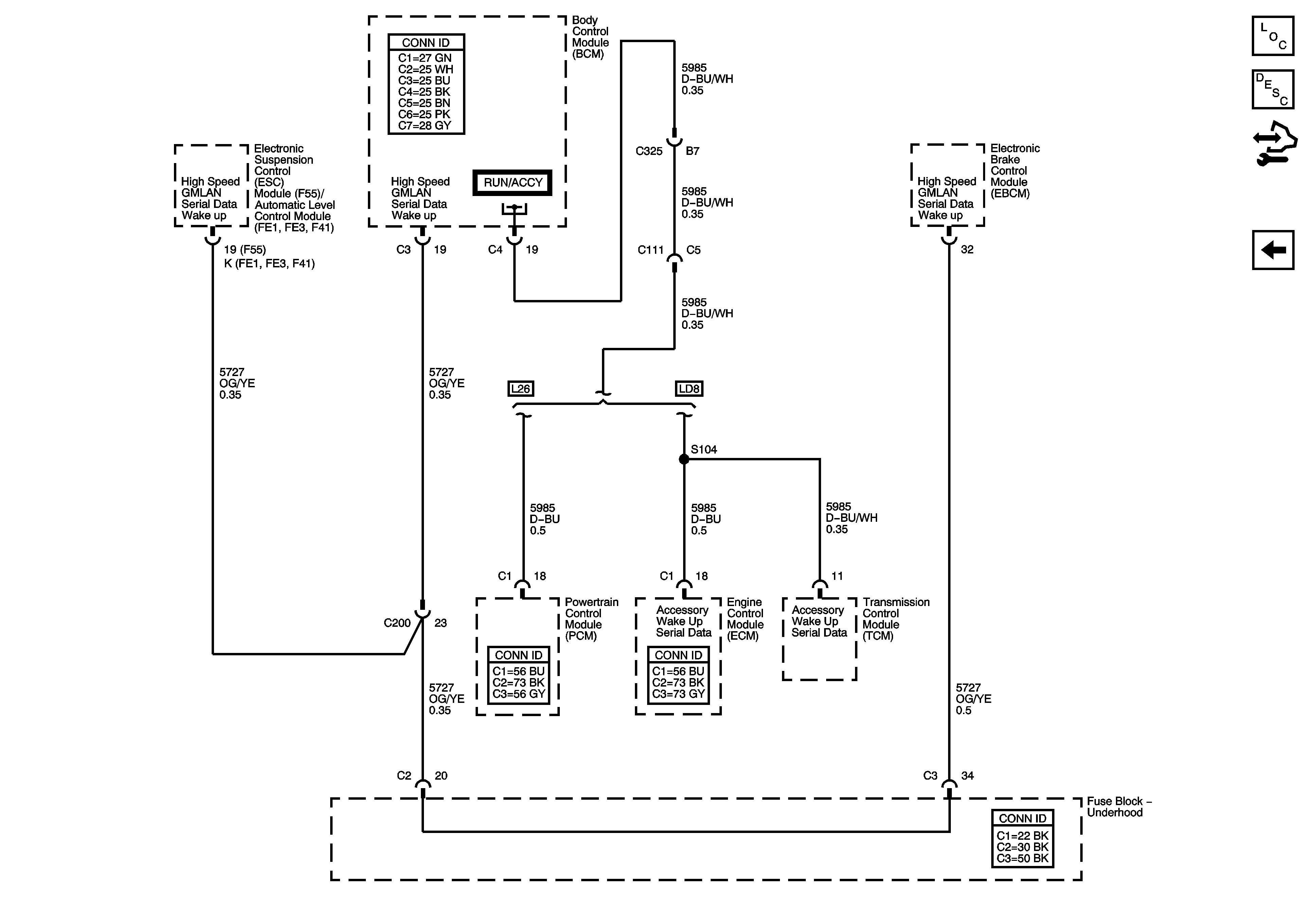
🢒 Serial Data Wake Up
Serial Data Wake Up
DLC Serial Data Wake Up
Master Electrical Component List
Data Link Communications Description and Operation
Control Module References
High Speed Serial Data
IGN SWTCH, STR/WHL/ILLUM Fuses