GM Service Manual Online
For 1990-2009 cars only
Makes
🢒
Buick
🢒
2006
🢒
Lucerne
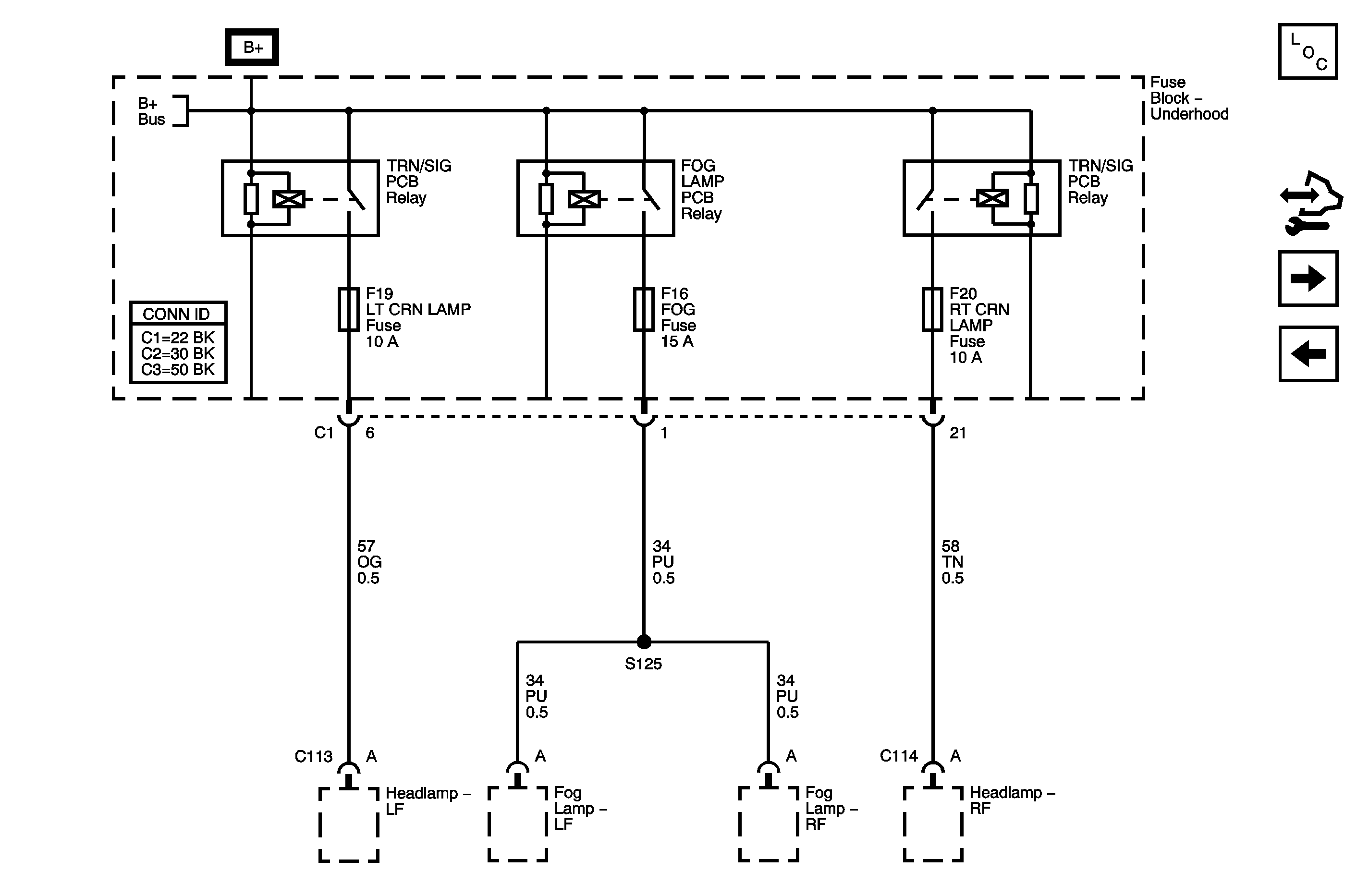
🢒 TRN/SIG, FOG LAMP, TRN/SIG Relays, LT CRN LAMP, FOG, RT CRN LAMP Fuses
TRN/SIG, FOG LAMP, TRN/SIG Relays, LT CRN LAMP, FOG, RT CRN LAMP Fuses
Underhood Fuse Block - TRN/SIG, FOG LAMP, TRN/SIG Relays, LT CRN LAMP, FOG, RT CRN LAMP Fuses
Master Electrical Component List
Control Module References
RUN/CRANK Relay, TRANS IGN 3, AIRBAG IGN 3, HVAC/IPC, ECM IGN 3 Fuses
HORN, WSH, HIGH/BEAM, LO/BEAM Relays, HORN, ABS 1, ABS 2, WSW/PUMP, WSW HTD, HI BEAM, LT LO BEAM, RT LO BEAM Fuses
Underhood Fuse Block B+