GM Service Manual Online
For 1990-2009 cars only
Makes
🢒
Buick
🢒
2006
🢒
Lucerne
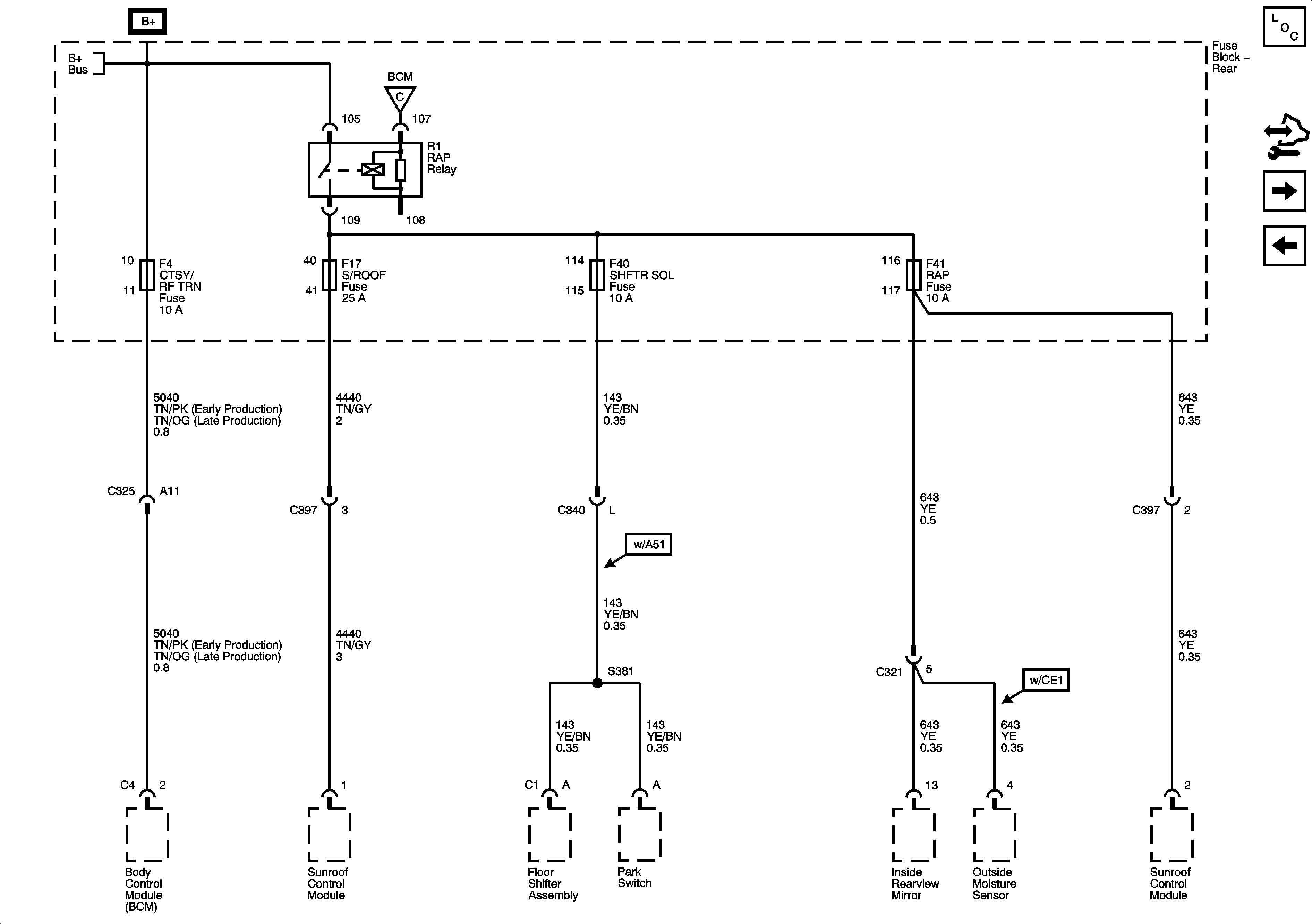
🢒 RAP Relay, CTSY/RF TRN, S/ROOF, SHFTR SOL, RAP Fuses
RAP Relay, CTSY/RF TRN, S/ROOF, SHFTR SOL, RAP Fuses
Rear Fuse Block - RAP Relay, CTSY/RF TRN, S/ROOF, SHFTR SOL, RAP Fuses
Master Electrical Component List
Control Module References
HTD/COOL, DDM, PDM, RDO, AMP Fuses
MSM/RT FRT PWR SEAT, MSM/LT FRT PWR SEAT, MSM Circuit Breakers, ECM/TCM, MSM LOGIC/RF MASSAGE Fuses
Rear Fuse Block B+
IGN SWTCH, STR/WHL/ILLUM Fuses