GM Service Manual Online
For 1990-2009 cars only
Makes
🢒
Buick
🢒
2006
🢒
Lucerne
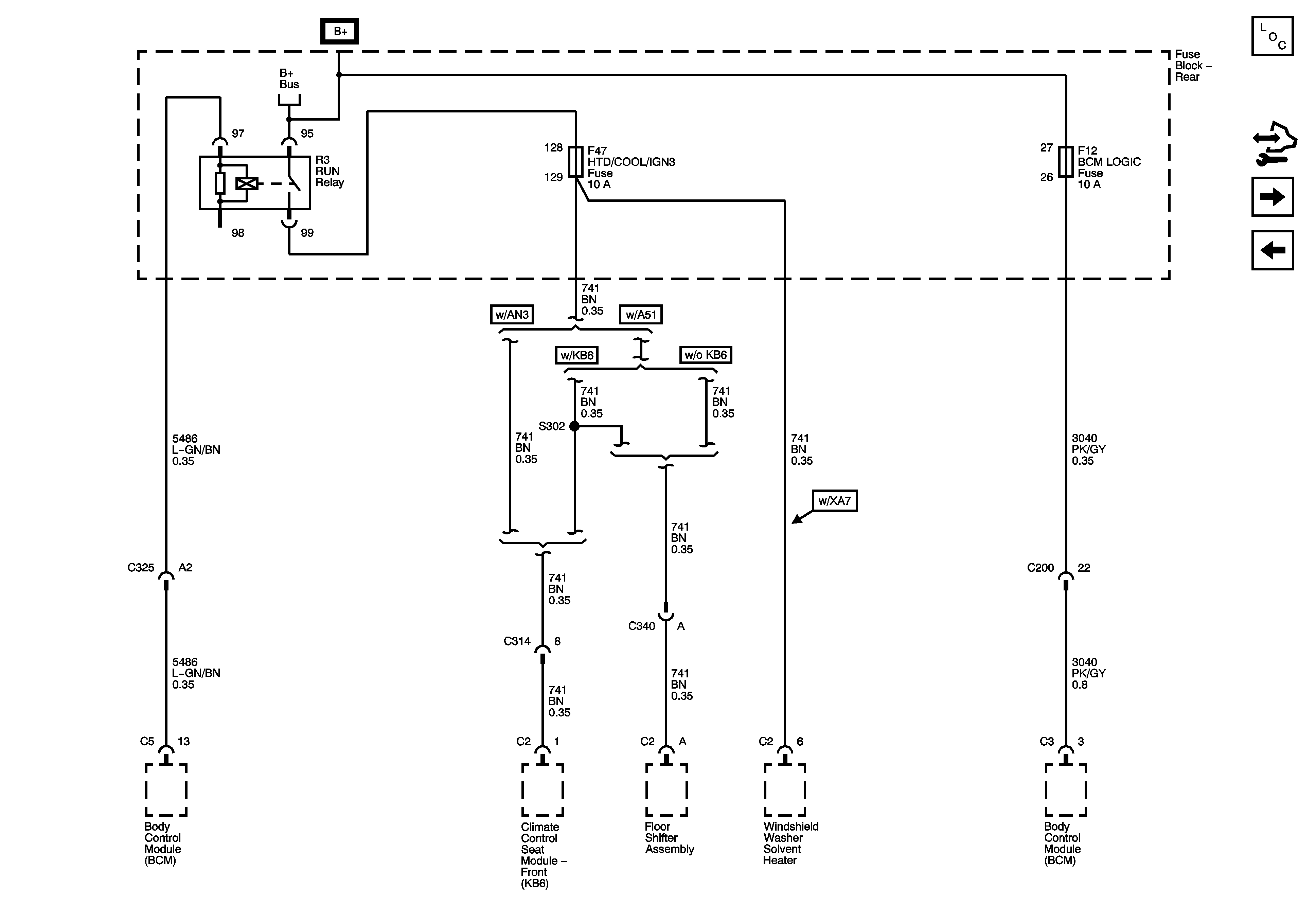
🢒 RUN Relay, HTD/COOL/IGN3, BCM LOGIC Fuses
RUN Relay, HTD/COOL/IGN3, BCM LOGIC Fuses
Rear Fuse Block - RUN Relay, HTD/COOL/IGN3, BCM LOGIC Fuses
Master Electrical Component List
Control Module References
IGN SWTCH, STR/WHL/ILLUM Fuses
HTD/COOL, DDM, PDM, RDO, AMP Fuses
Rear Fuse Block B+