GM Service Manual Online
For 1990-2009 cars only
Makes
🢒
Buick
🢒
2006
🢒
Lucerne
🢒 Fog Lamps
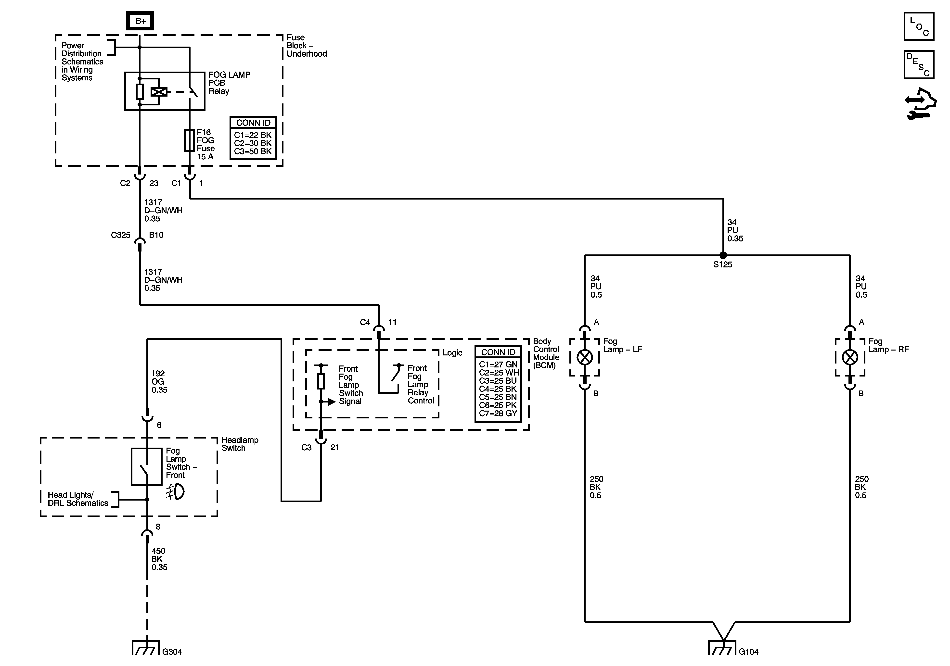
Fog Lamps
Master Electrical Component List
Exterior Lighting Systems Description and Operation
Control Module References
Underhood Fuse Block B+
G304
G104