GM Service Manual Online
For 1990-2009 cars only
Makes
🢒
Buick
🢒
2006
🢒
Lucerne
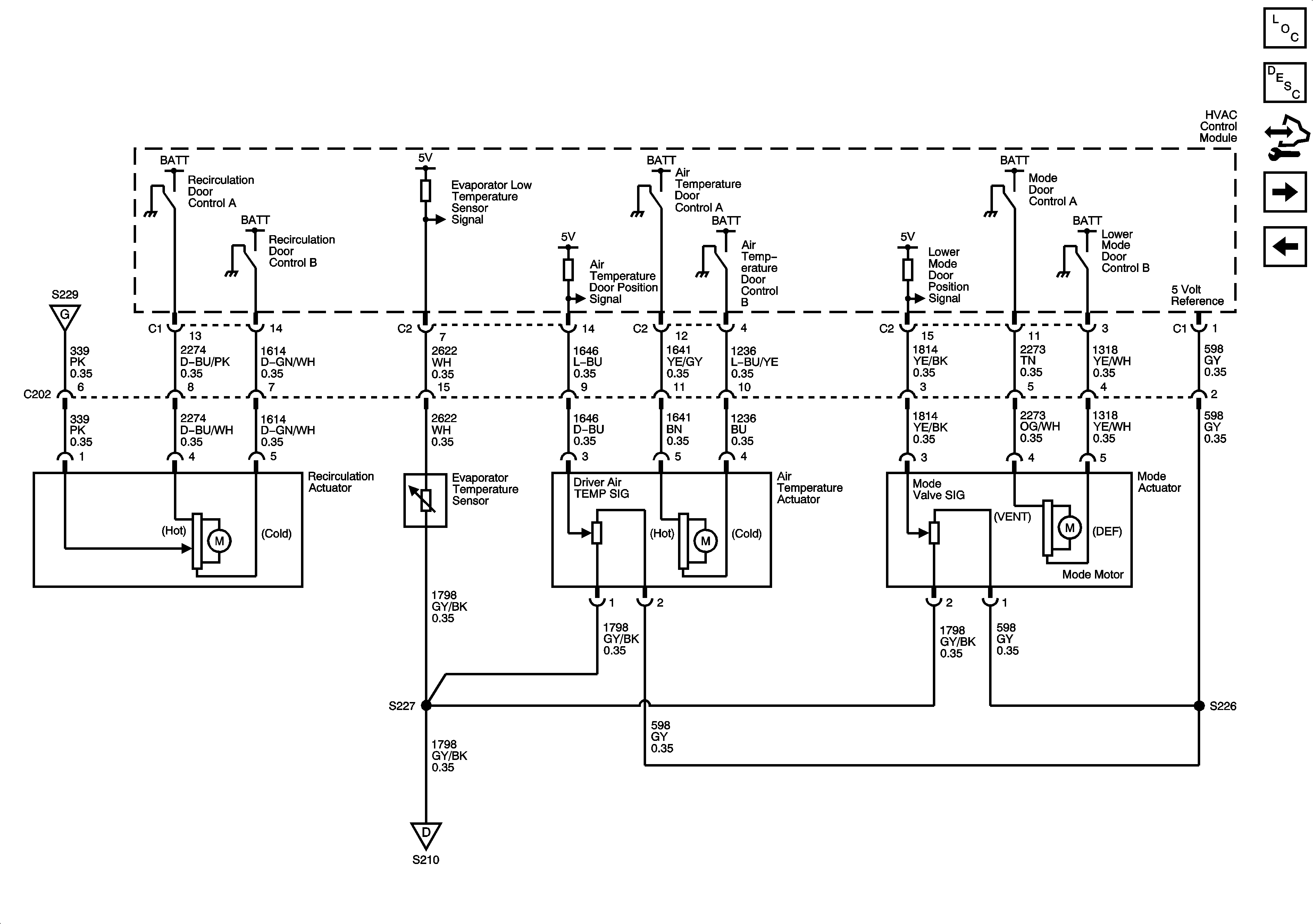
🢒 Mode and Air Temperature Controls
Mode and Air Temperature Controls
Mode and Air Temperature Controls
Master Electrical Component List
Air Delivery Description and Operation
Control Module References
Compressor Controls
Power, Ground, Blower Motor Controls
Power, Ground, Blower Motor Controls
Power, Ground, Blower Motor Controls