GM Service Manual Online
For 1990-2009 cars only
Makes
🢒
Buick
🢒
2006
🢒
Lucerne
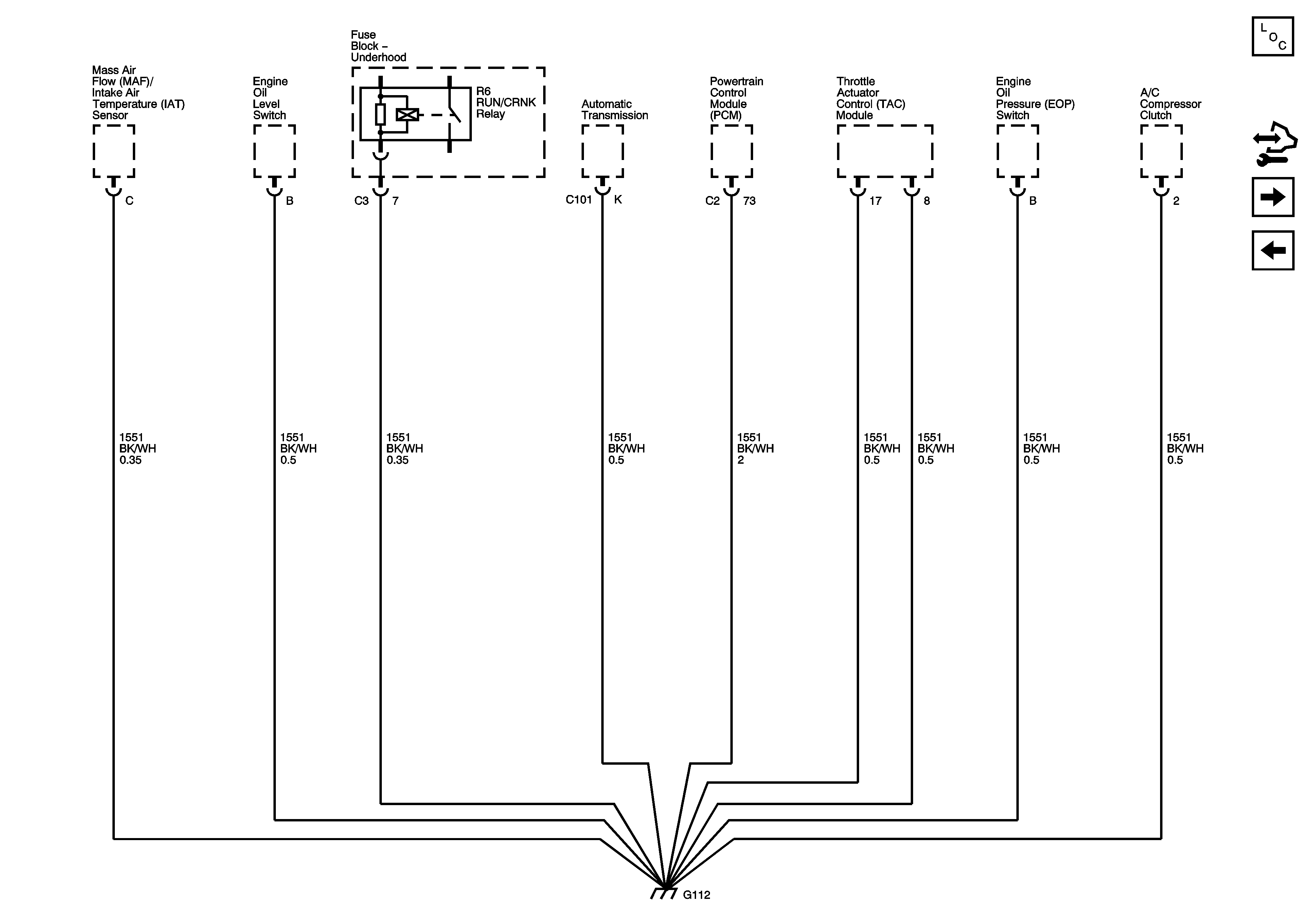
🢒 G112 (L26)
G112 (L26)
G112 (L26)
Master Electrical Component List
Control Module References
G100, G112 (LD8)
G101, G110, G111, G114, G115, G302, G303, G306, G307