GM Service Manual Online
For 1990-2009 cars only
Figure 1:

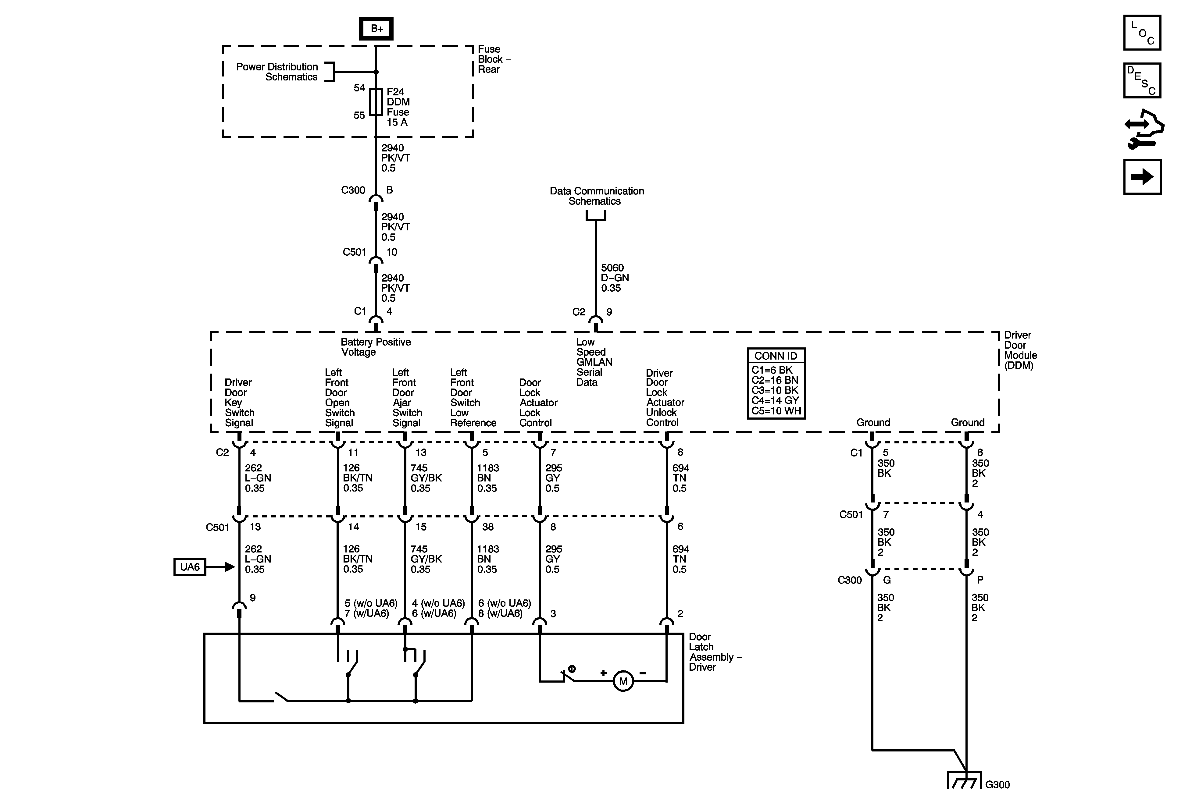
Driver Door Module Power and Ground


Object Number: 1792633  Size: FS
Master Electrical Component List
Power Door Locks Description and Operation
Control Module References
Front Passenger Door Module Power and Ground
HTD/COOL, DDM, PDM, RDO, AMP Fuses
Power, Ground, and Low Speed GMLAN
G300
Figure 2:

Front Passenger Door Module Power and Ground


Object Number: 1792638  Size: FS
Master Electrical Component List
Power Door Locks Description and Operation
Control Module References
Door Lock, Unlock Relays
Driver Door Module Power and Ground
HTD/COOL, DDM, PDM, RDO, AMP Fuses
Power, Ground, and Low Speed GMLAN
G304
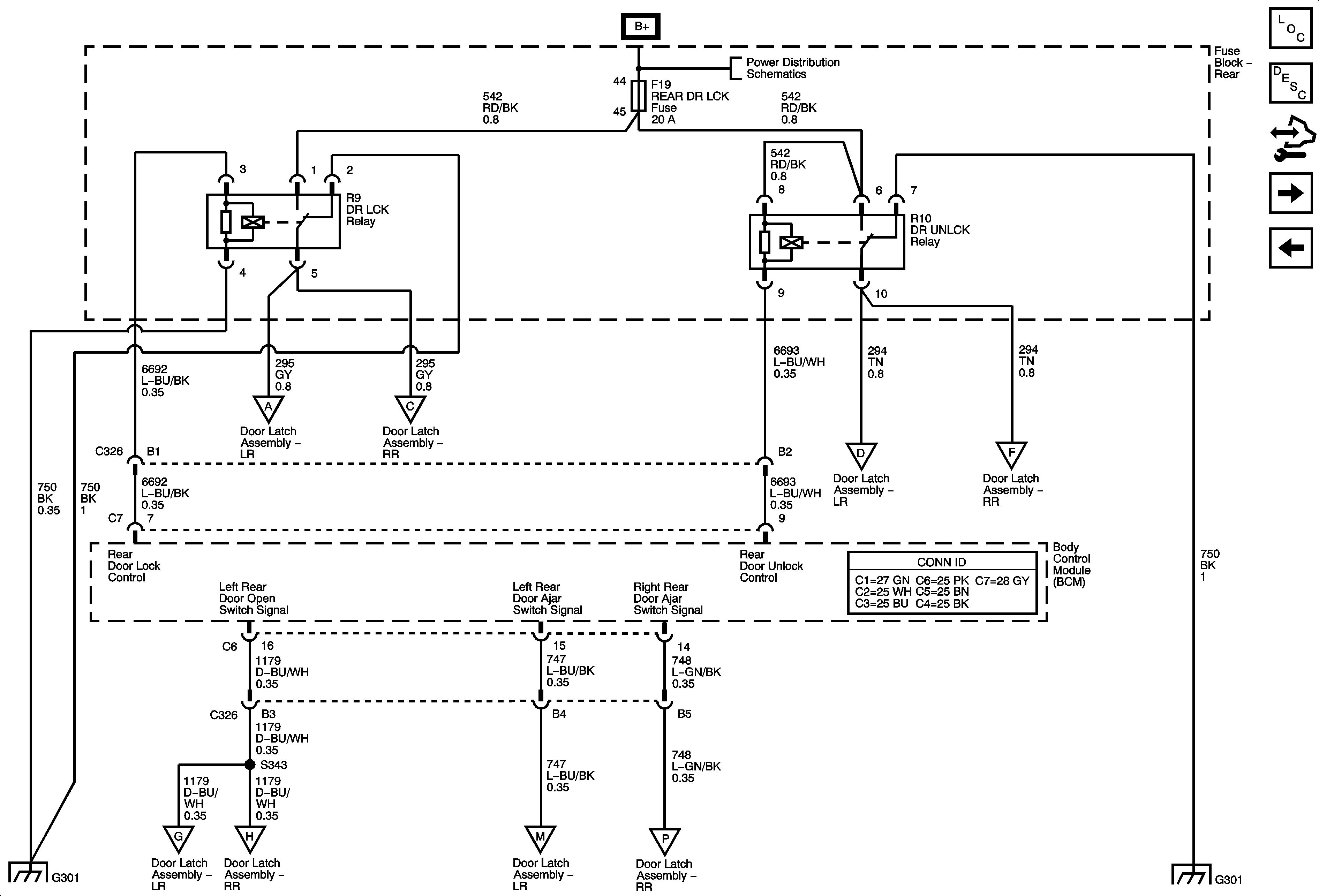
Figure 3:

Door Lock, Unlock Relays


Object Number: 1792653  Size: FS
Master Electrical Component List
Power Door Locks Description and Operation
Control Module References
Rear Door Latch Assemblies
Front Passenger Door Module Power and Ground
Rear Fuse Block B+
Rear Door Latch Assemblies
Rear Door Latch Assemblies
Rear Door Latch Assemblies
Rear Door Latch Assemblies
G301
Rear Door Latch Assemblies
Rear Door Latch Assemblies
Rear Door Latch Assemblies
Rear Door Latch Assemblies
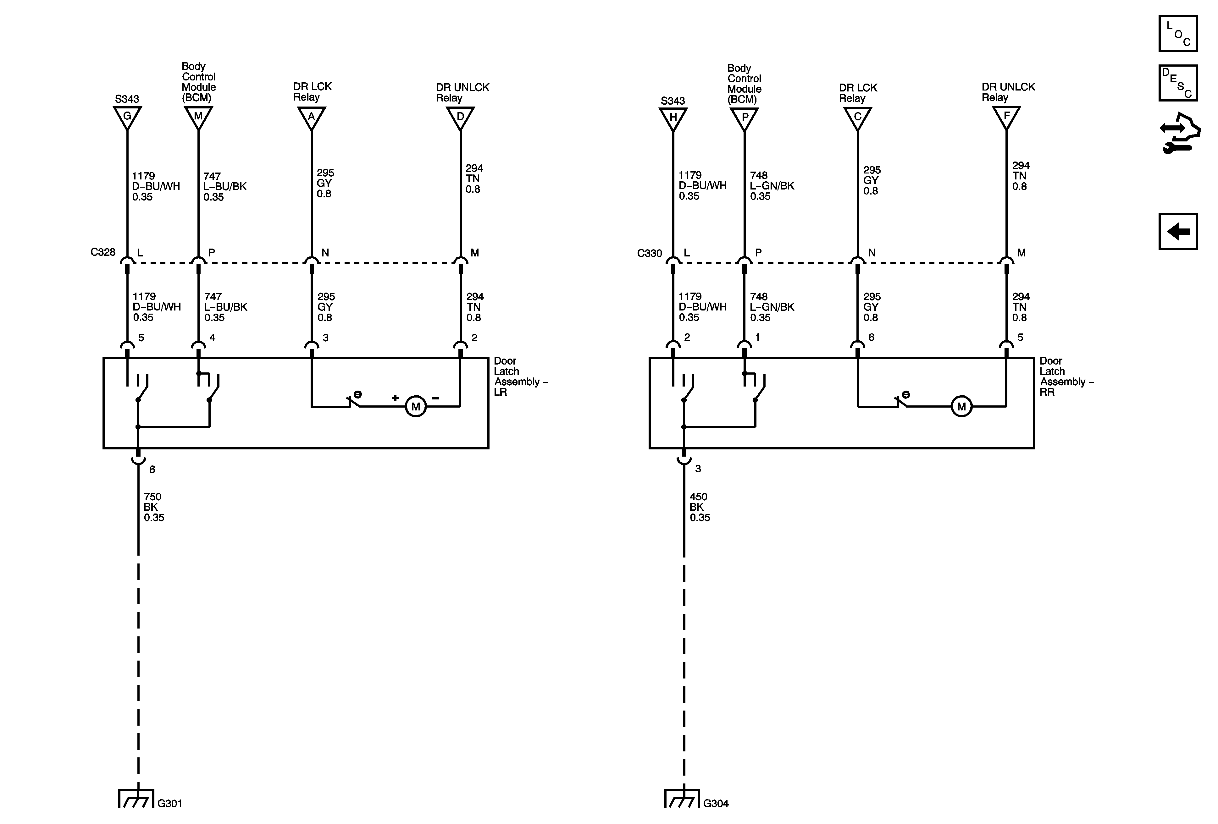
Figure 4:

Rear Door Latch Assemblies


Object Number: 1792696  Size: FS
Master Electrical Component List
Power Door Latch Description and Operation
Control Module References
Door Lock, Unlock Relays
Door Lock, Unlock Relays
Door Lock, Unlock Relays
Door Lock, Unlock Relays
Door Lock, Unlock Relays
Door Lock, Unlock Relays
Door Lock, Unlock Relays
Door Lock, Unlock Relays
Door Lock, Unlock Relays
G301
G304