GM Service Manual Online
For 1990-2009 cars only
Makes
🢒
Buick
🢒
2007
🢒
Lucerne
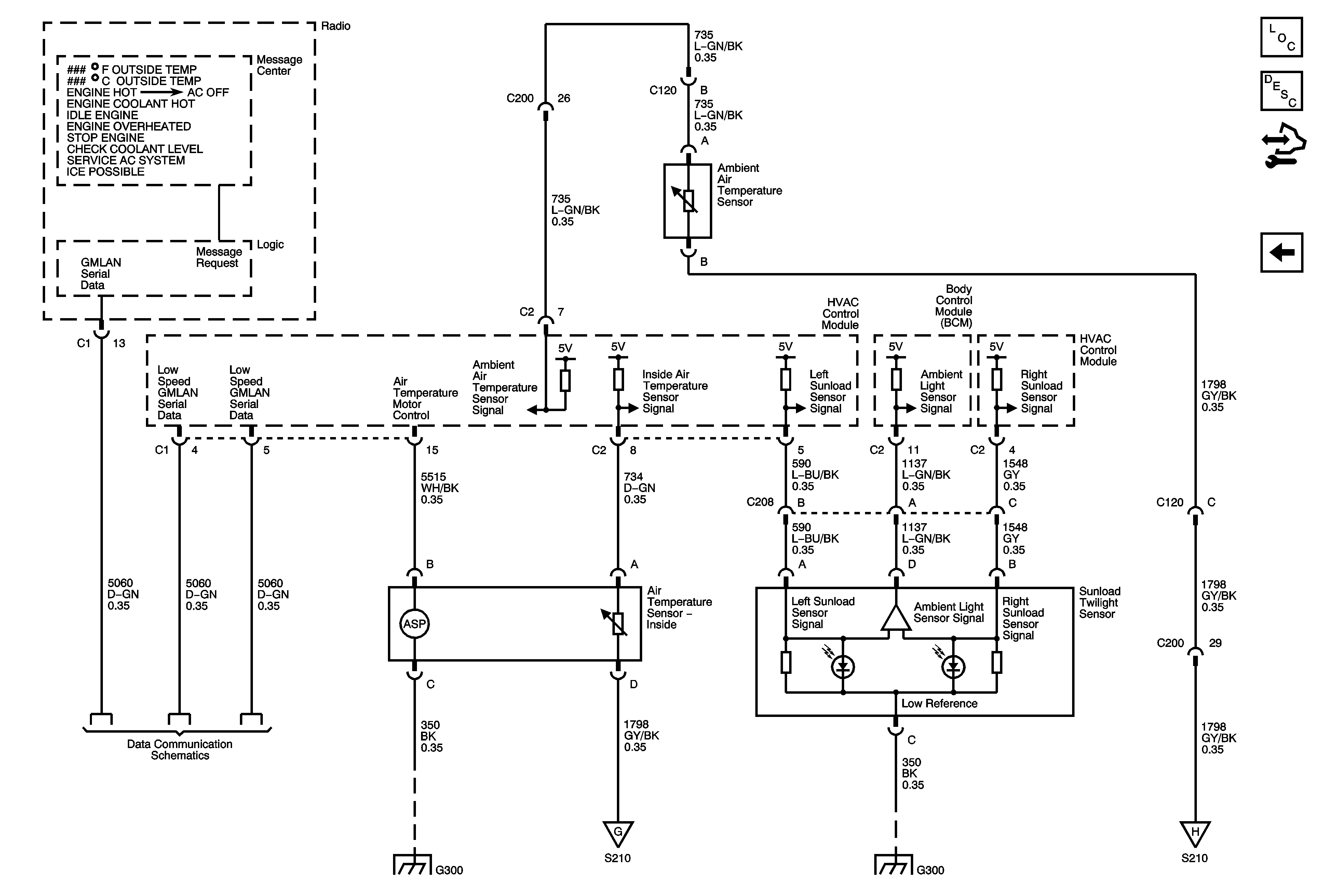
🢒 Air Temperature Controls
Air Temperature Controls
Air Temperature Sensors
Master Electrical Component List
Air Temperature Description and Operation
Control Module References
Compressor Controls
Power, Ground, and Low Speed GMLAN
G300
Power, Ground, Blower Motor Controls
G300
Power, Ground, Blower Motor Controls