GM Service Manual Online
For 1990-2009 cars only
Makes
🢒
Buick
🢒
2007
🢒
Lucerne
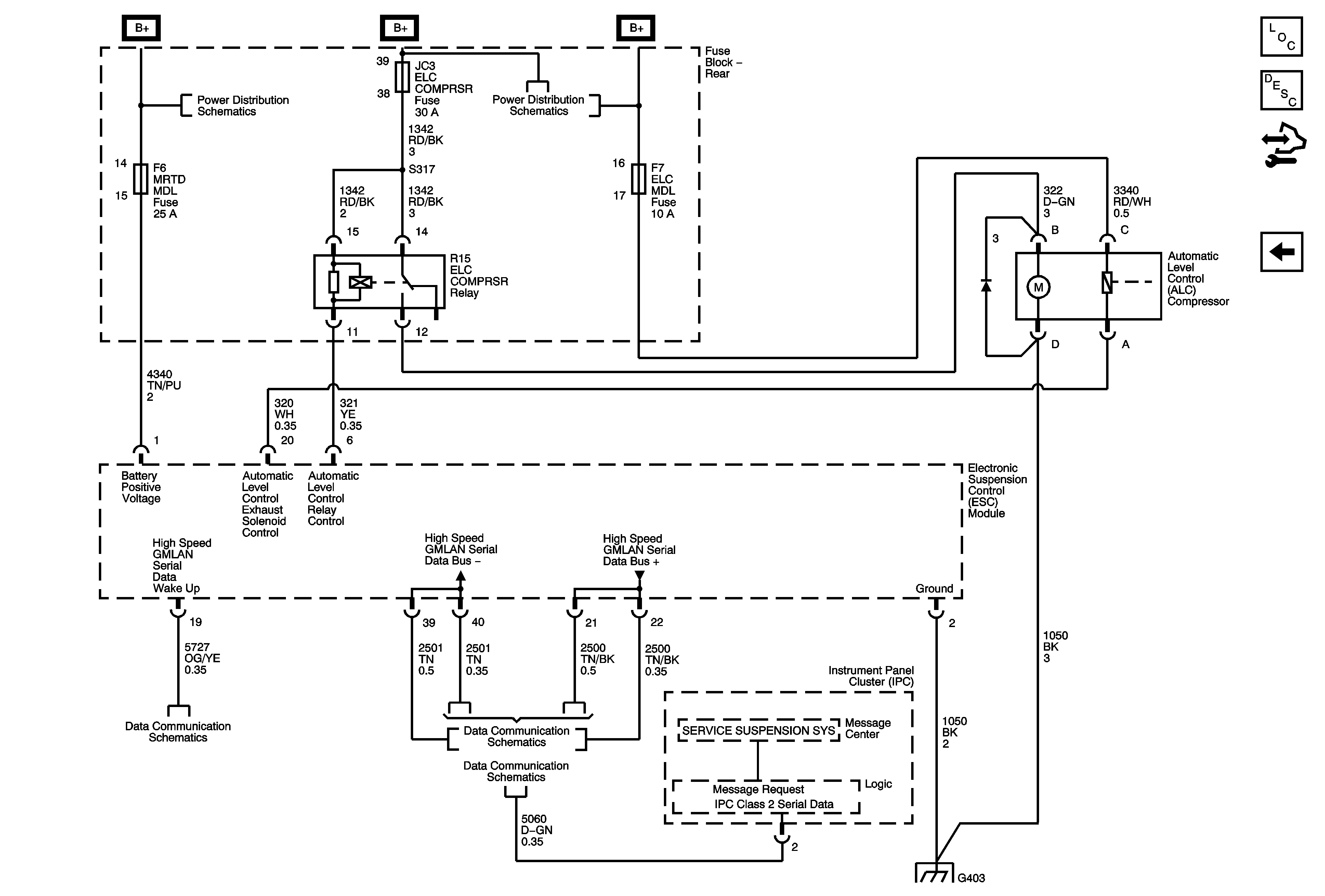
🢒 Automatic Level Control Schematics - F55, FE3
Automatic Level Control Schematics - F55, FE3
F55, FE3
Master Electrical Component List
Automatic Level Control Description and Operation (F55)
Control Module References
Automatic Level Control Schematics - FE1, F41
Rear Fuse Block B+
Rear Fuse Block B+
Serial Data Wake Up
High Speed Serial Data
Power, Ground, and Low Speed GMLAN
G403