GM Service Manual Online
For 1990-2009 cars only
Makes
🢒
Buick
🢒
2007
🢒
Lucerne
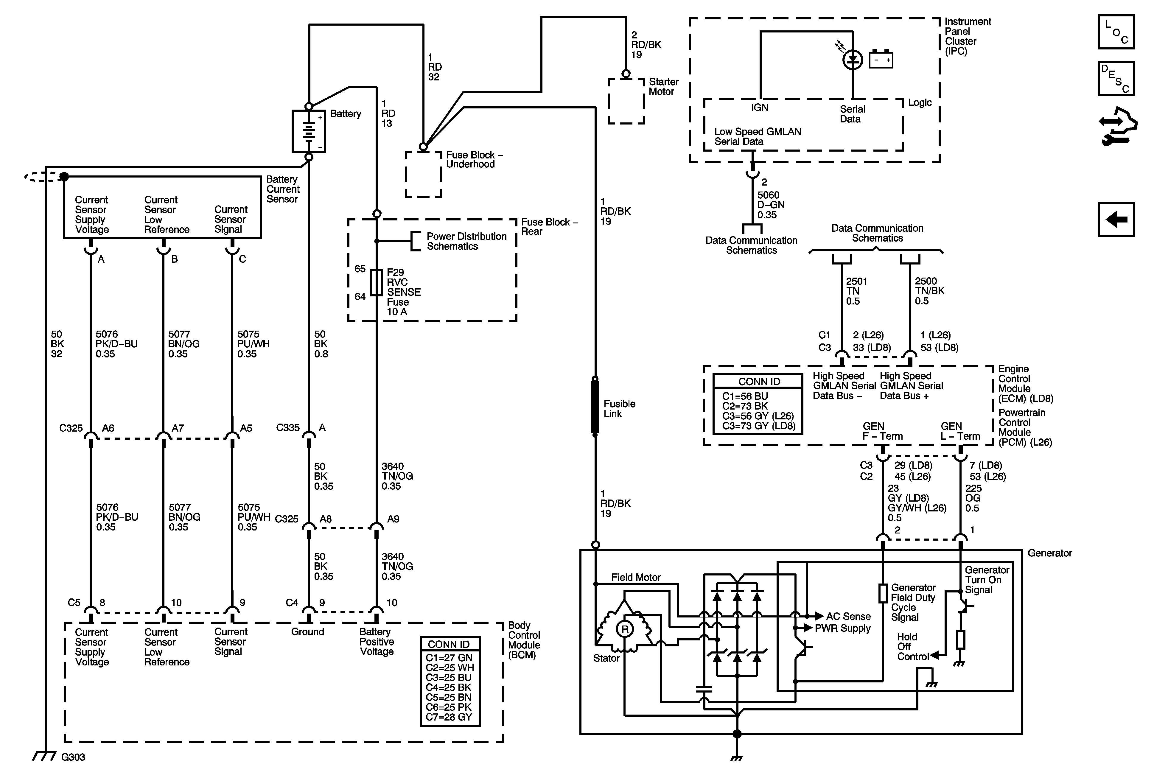
🢒 Charging
Charging
Charging
Master Electrical Component List
Starting System Description and Operation
Control Module References
Starting 2 of 2
Rear Fuse Block B+
Power, Ground, and Low Speed GMLAN
High Speed Serial Data
G101, G110, G111, G114, G115, G302, G303, G306, G307