GM Service Manual Online
For 1990-2009 cars only
Makes
🢒
Buick
🢒
2007
🢒
Lucerne
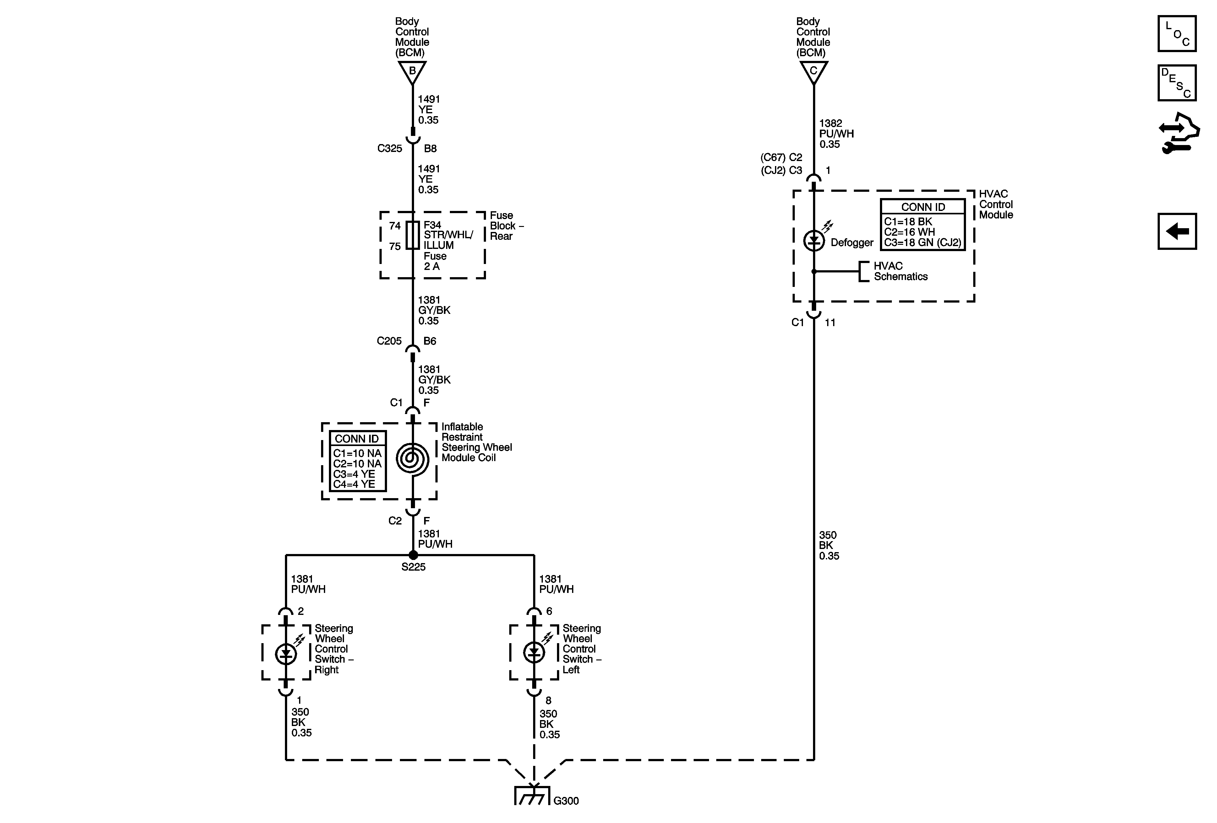
🢒 HVAC Control Module, Steering Wheel Switches
HVAC Control Module, Steering Wheel Switches
HVAC Control Module, Steering Wheel
Master Electrical Component List
Interior Lighting Systems Description and Operation
Control Module References
Window Switches
Hazard, Headlamp, Driver Information Display Switches, Ashtray, HVAC Control Module, Radio
Hazard, Headlamp, Driver Information Display Switches, Ashtray, HVAC Control Module, Radio
Power, Ground, Blower Motor Controls
G300