GM Service Manual Online
For 1990-2009 cars only
Makes
🢒
Buick
🢒
2007
🢒
Lucerne
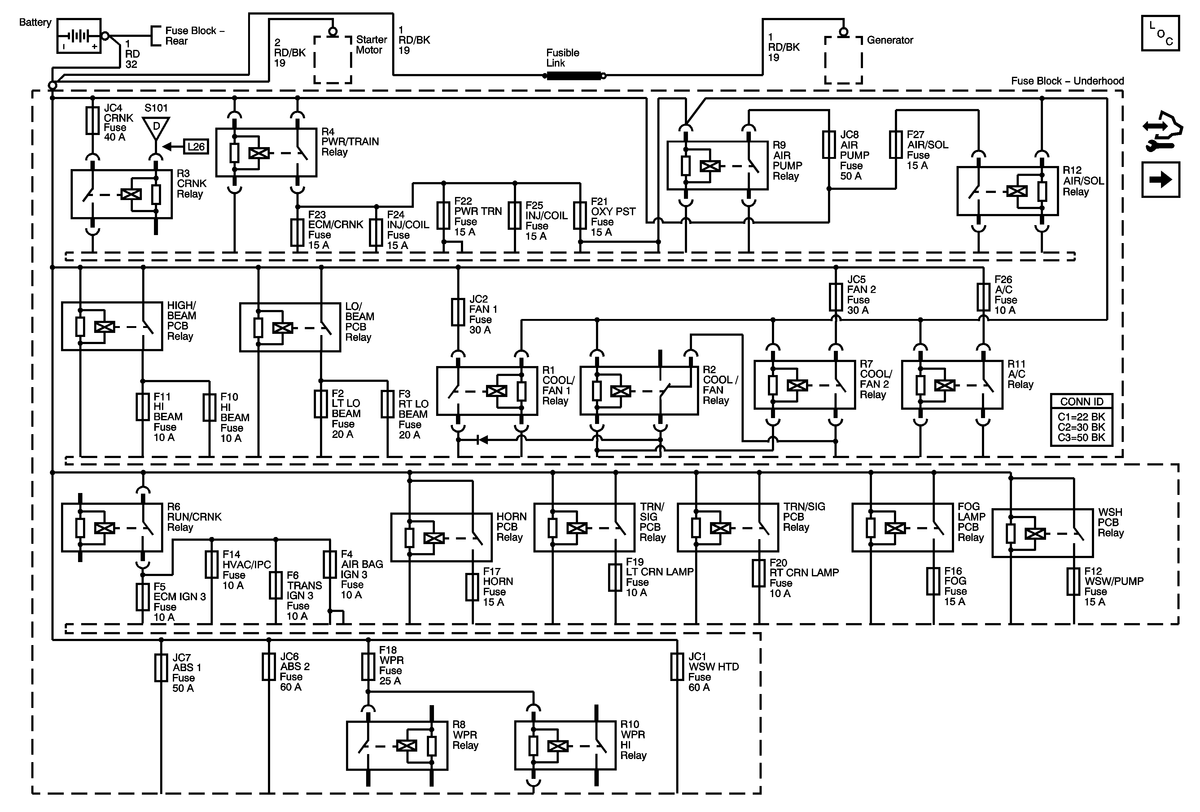
🢒 Underhood Fuse Block B+
Underhood Fuse Block B+
Underhood Fuse Block B+ Bus
Master Electrical Component List
Control Module References
Rear Fuse Block B+
Rear Fuse Block B+
PWR/TRAIN, AIR PUMP, AIR/SOL Relays, ECM/CRNK, INJ/COIL, PWR TRN, AIR PUMP, AIR/SOL Fuses