GM Service Manual Online
For 1990-2009 cars only

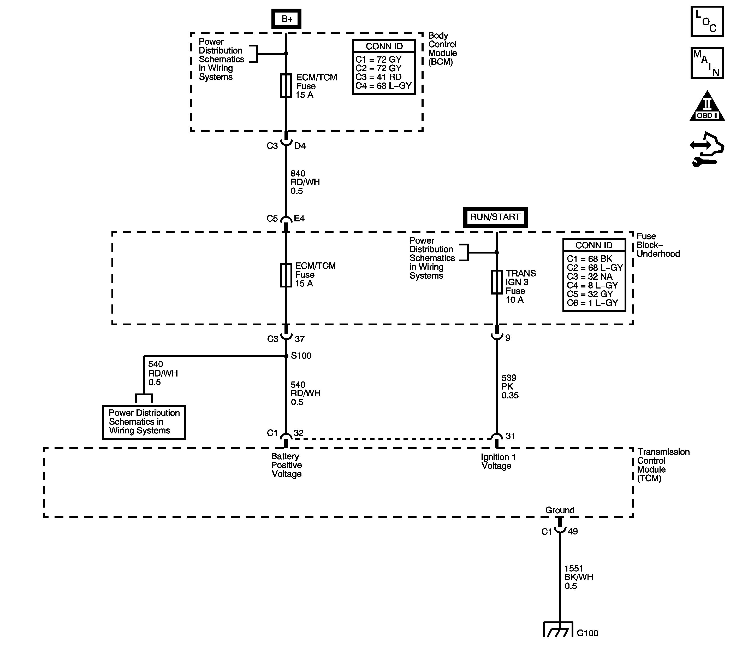
Object Number: 1650969  Size: LF
Master Electrical Component List
Automatic Transmission Controls Schematics
OBD II Symbol Description Notice
Control Module References

Circuit Description

The transmission control module (TCM) samples the system voltage on the Ignition 1 voltage circuit every 0.1 seconds. Lower than normal voltage may be inadequate to operate the transmission control solenoids properly. Improper solenoid operation may cause erratic transmission operation, which may result in internal damage.

If the TCM detects low voltage on the Ignition 1 voltage circuit, DTC P2534 sets. DTC P2534 is a type A DTC.

DTC Descriptor

This diagnostic procedure supports the following DTC:

DTC P2534 Ignition 1 Switch Circuit Low Voltage

Conditions for Running the DTC

The engine is running.

Conditions for Setting the DTC

The TCM detects an open or short to ground on the Ignition 1 voltage circuit.

Action Taken When the DTC Sets

    • The TCM requests the engine control module (ECM) to illuminate the malfunction indicator lamp (MIL).
    • The TCM commands an immediate landing to 2nd gear.
    • The TCM commands maximum line pressure.
    • The TCM freezes transmission adaptive functions.
    • The ECM records the operating conditions when the Conditions for Setting the DTC are met. The ECM stores this information as Freeze Frame and Failure Records.
    • The TCM records the operating conditions when the Conditions for Setting the DTC are met. The TCM stores this information as Failure Records.

Conditions for Clearing the DTC

    • The ECM turns OFF the MIL after the third consecutive trip in which the TCM does not send a MIL illumination request.
    • The TCM clears the DIC message when the condition no longer exists.
    • A scan tool can clear the DTC.
    • The TCM clears the DTC from TCM history if the vehicle completes 40 warm-up cycles without an emission-related diagnostic fault occurring.
    • The TCM cancels the DTC default actions when the ignition switch is OFF long enough in order to power down the TCM.

Step

Action

Value(s)

Yes

No

1

Did you perform the Diagnostic System Check - Vehicle?

--

Go to Step 2

Go to Diagnostic System Check - Vehicle

2

  1. Install a scan tool.
  2. Turn ON the ignition with the engine OFF.
  3. Important: Before clearing the DTCs, use the scan tool in order to record the Freeze Frame and Failure Records for reference. Using the Clear Info function will erase the stored Freeze Frame and Failure Records from the TCM.

  4. Record the Freeze Frame and Failure Records.
  5. Clear the DTCs.

Does DTC P2534 reset?

--

Go to Step 3

Go to Testing for Intermittent Conditions and Poor Connections

3

  1. Remove the TRANS fuse.
  2. Inspect the fuse for an open. Refer to Circuit Protection - Fuses .

Did you find the condition?

--

Go to Step 4

Go to Step 5

4

Test the ignition 1 voltage circuit of the TCM for a short to ground between the underhood fuse block and the TCM.

Refer to Testing for Short to Ground and Wiring Repairs .

Did you find and correct the condition?

--

Go to Step 7

--

5

Test the ignition 1 voltage circuit of the TCM for an open between the underhood fuse block and the TCM.

Refer to Testing for Continuity and Wiring Repairs .

Did you find and correct the condition?

--

Go to Step 7

Go to Step 6

6

Replace the TCM.

Refer to Control Module References .

Did you complete the replacement?

--

Go to Step 7

--

7

Perform the following procedure in order to verify the repair:

  1. Select DTC.
  2. Select Clear Info.
  3. Start the vehicle.
  4. Select Specific DTC.
  5. Enter DTC P2534.

Has the test run and passed?

--

Go to Step 8

Go to Step 2

8

With a scan tool, observe the stored information, capture info and DTC info.

Does the scan tool display any DTCs that you have not diagnosed?

--

Go to Diagnostic Trouble Code (DTC) List - Vehicle

System OK