GM Service Manual Online
For 1990-2009 cars only
Figure 1:

Underhood Fuse Block B+ Bus


Object Number: 1886783  Size: FS
Master Electrical Component List
Control Module References
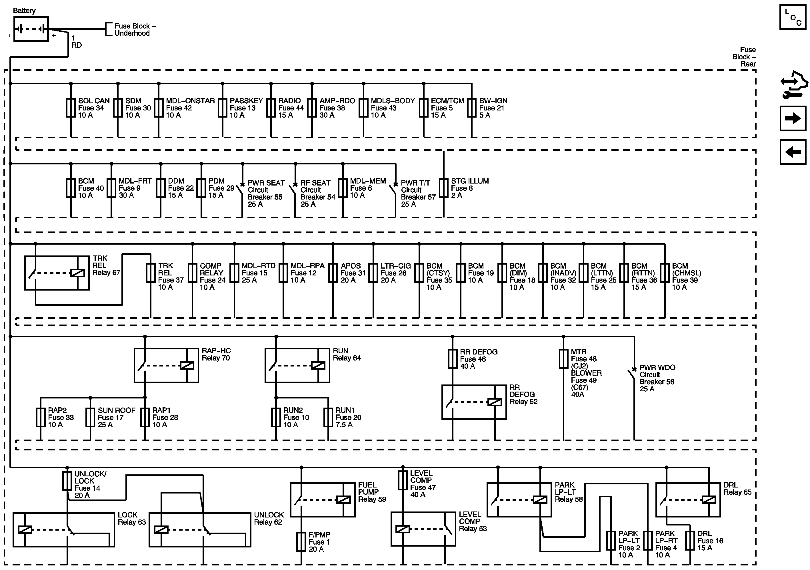
Rear Fuse Block B+
Figure 2:

Rear Fuse Block B+ Bus


Object Number: 1886786  Size: FS
Master Electrical Component List
Control Module References
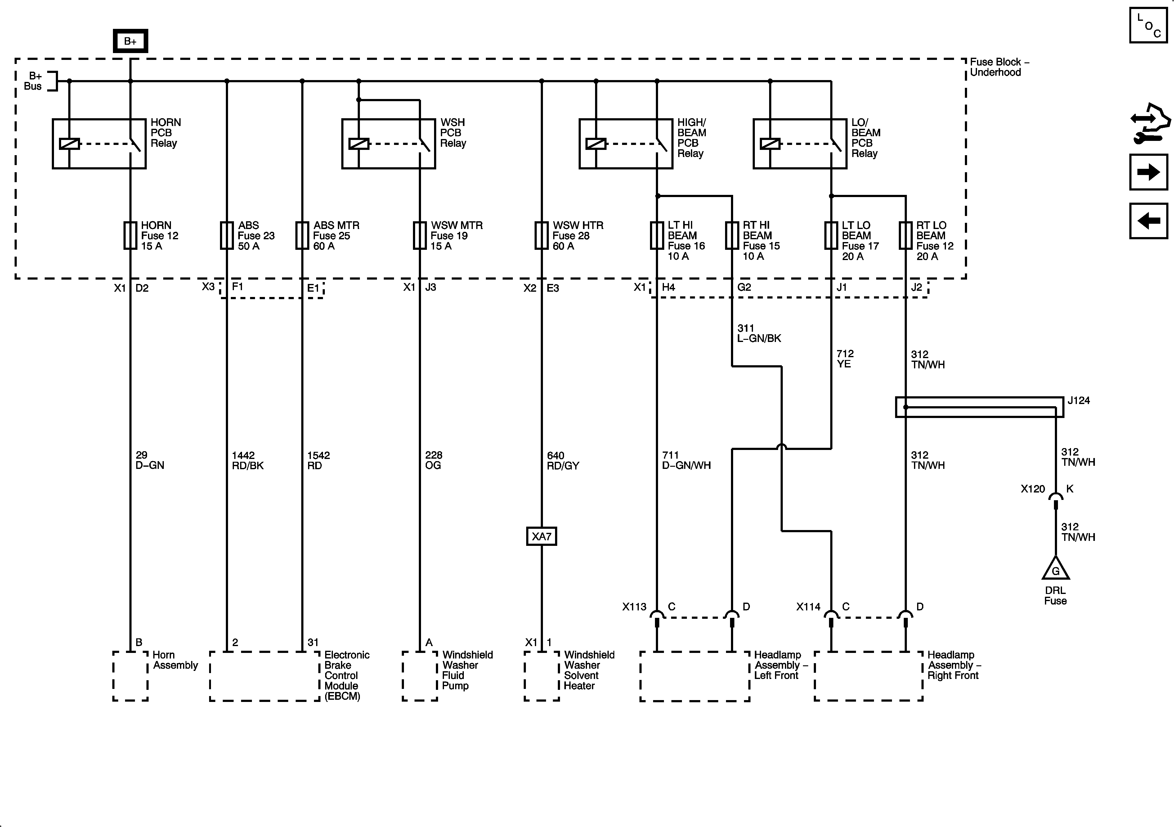
Underhood Fuse Block B+
HORN, WSH, HIGH/BEAM, LO/BEAM Relays, HORN, ABS 1, ABS 2, WSW/PUMP, WSW HTD, HI BEAM, LT LO BEAM, RT LO BEAM Fuses
Figure 3:

Underhood Fuse Block - HORN, WSH, HIGH/BEAM, LO/BEAM Relays, HORN, ABS 1, ABS 2, WSW/PUMP, WSW HTD, HI BEAM, LT LO BEAM, RT LO BEAM Fuses


Object Number: 1886795  Size: FS
Master Electrical Component List
Control Module References
Rear Fuse Block B+
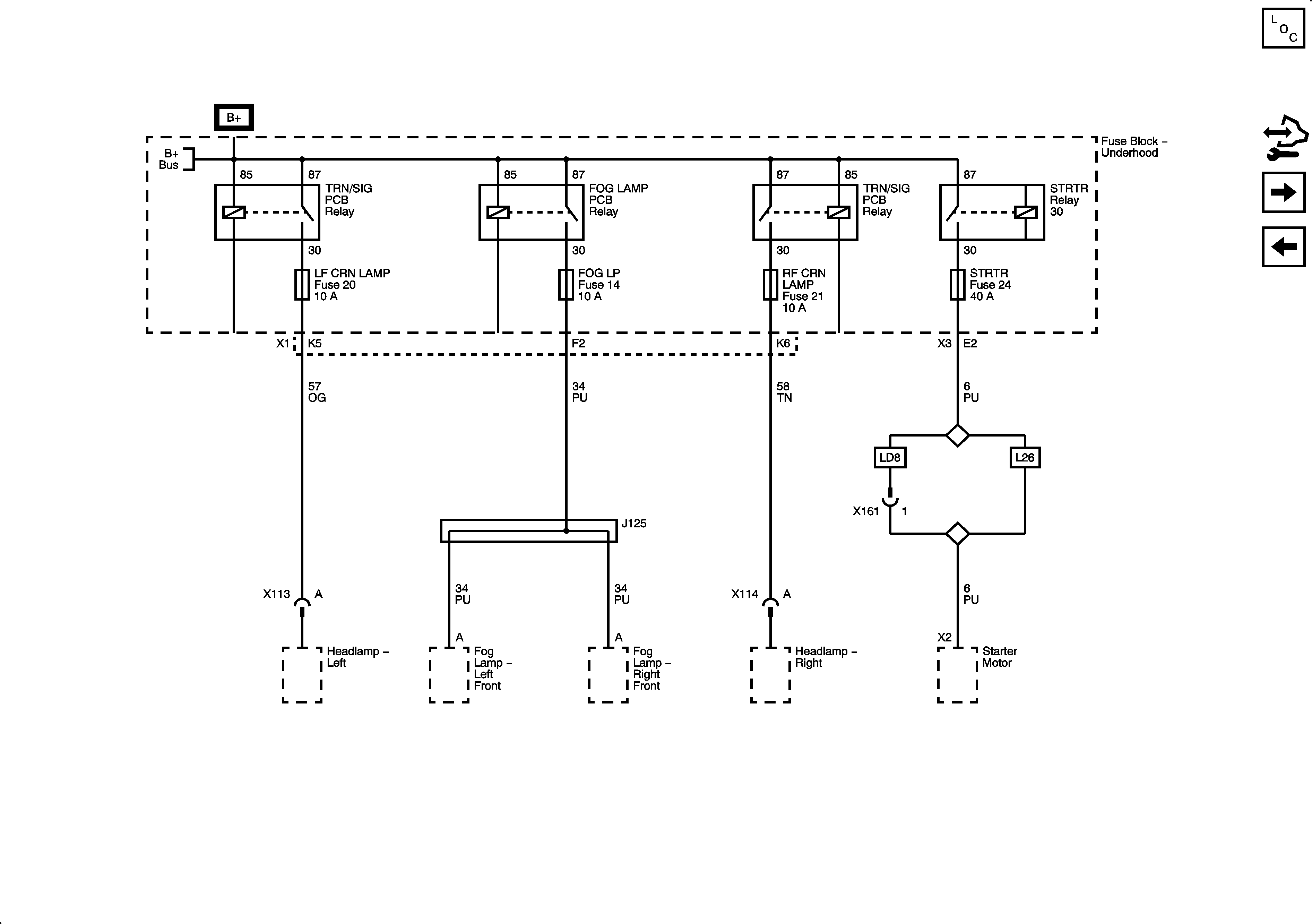
TRN/SIG, FOG LAMP, TRN/SIG Relays, LT CRN LAMP, FOG, RT CRN LAMP Fuses
Figure 4:

Underhood Fuse Block - TRN/SIG, FOG LAMP, TRN/SIG Relays, LT CRN LAMP, FOG, RT CRN LAMP Fuses


Object Number: 1886799  Size: FS
Master Electrical Component List
Control Module References
HORN, WSH, HIGH/BEAM, LO/BEAM Relays, HORN, ABS 1, ABS 2, WSW/PUMP, WSW HTD, HI BEAM, LT LO BEAM, RT LO BEAM Fuses
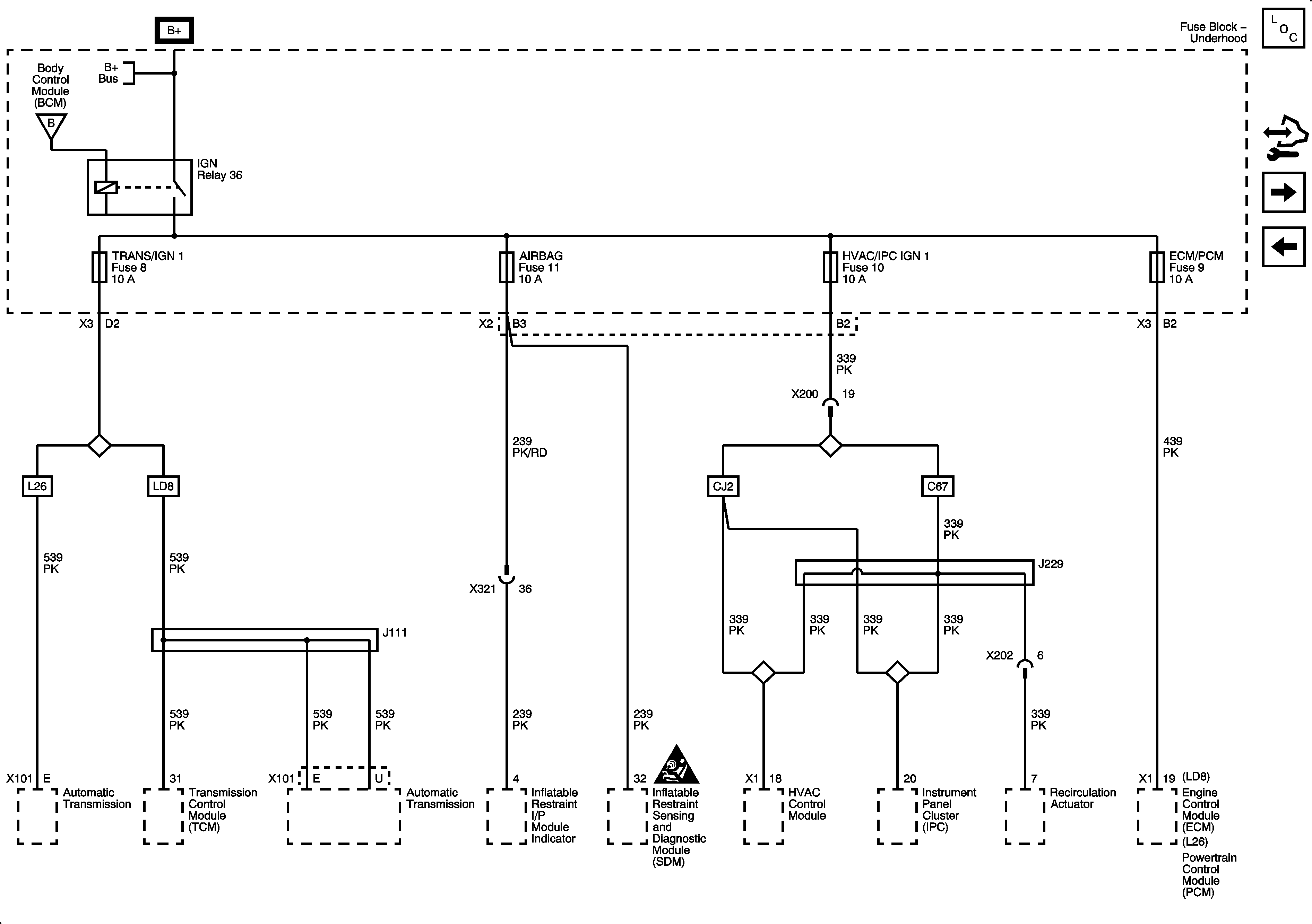
RUN/CRANK Relay, TRANS IGN 3, AIRBAG IGN 3, HVAC/IP, ECM IGN Fuses
Figure 5:

Underhood Fuse Block - RUN/CRANK Relay, TRANS IGN 3, AIRBAG IGN 3, HVAC/IPC, ECM IGN 3 Fuses


Object Number: 1886803  Size: FS
Master Electrical Component List
Control Module References
TRN/SIG, FOG LAMP, TRN/SIG Relays, LT CRN LAMP, FOG, RT CRN LAMP Fuses
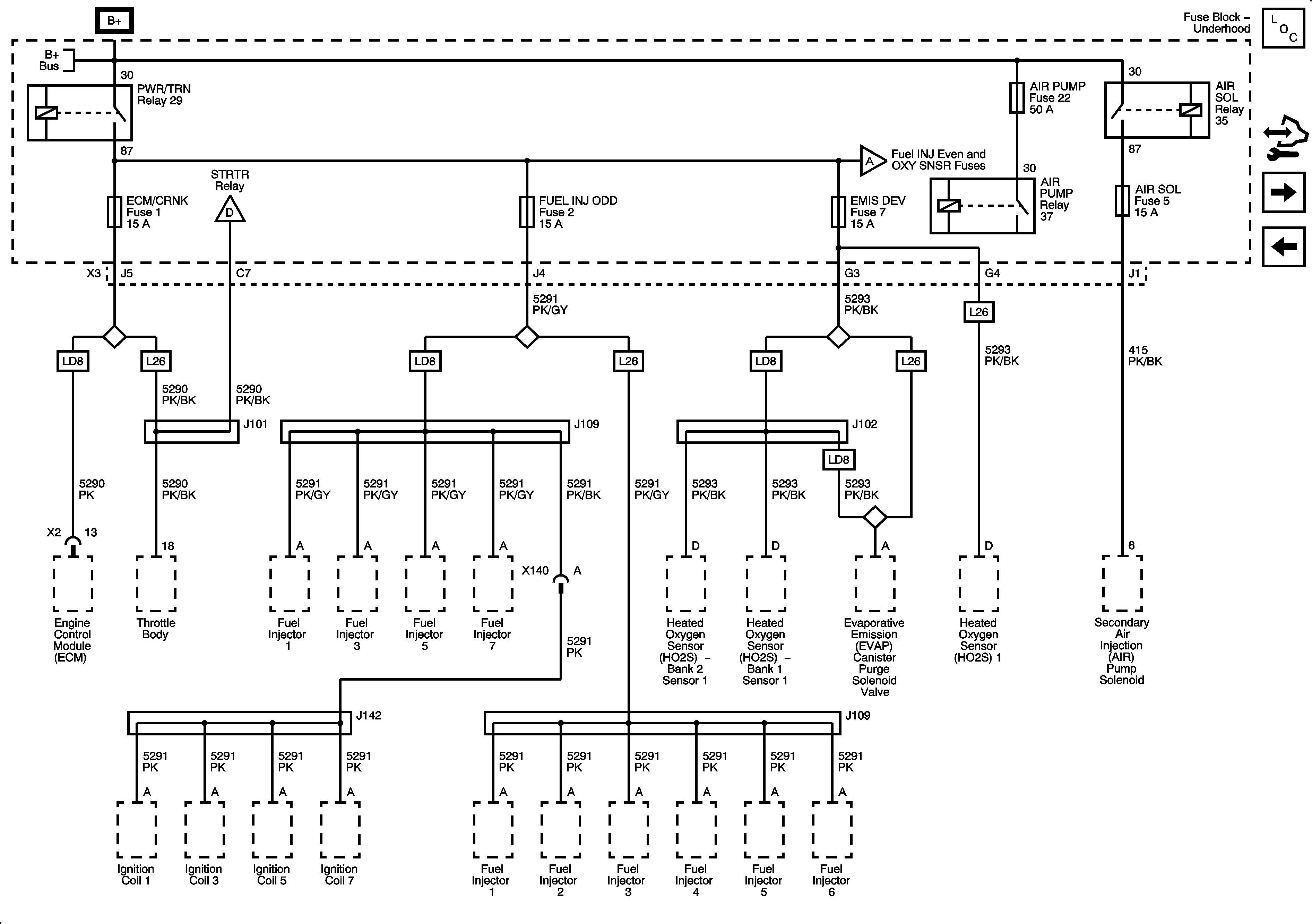
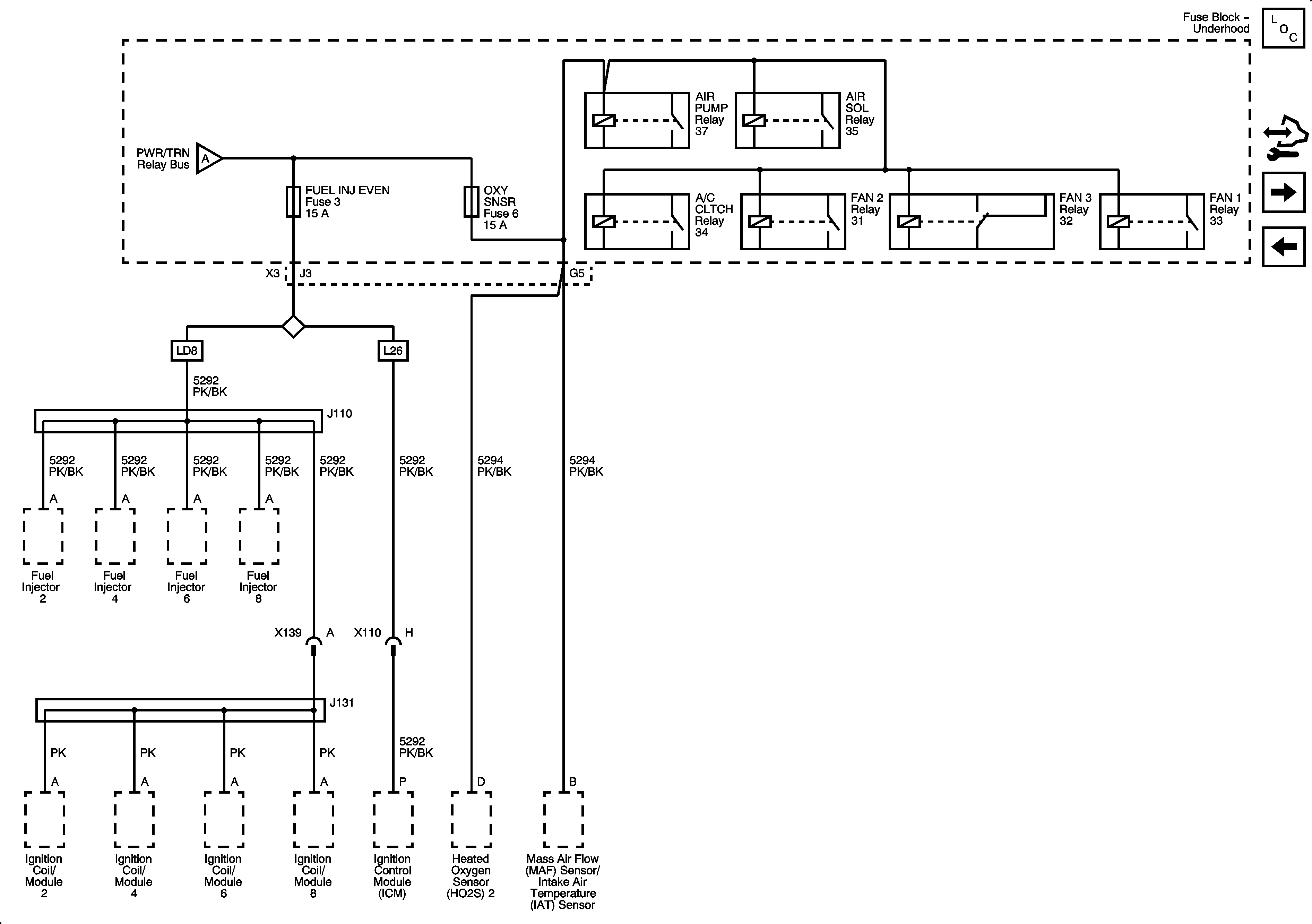
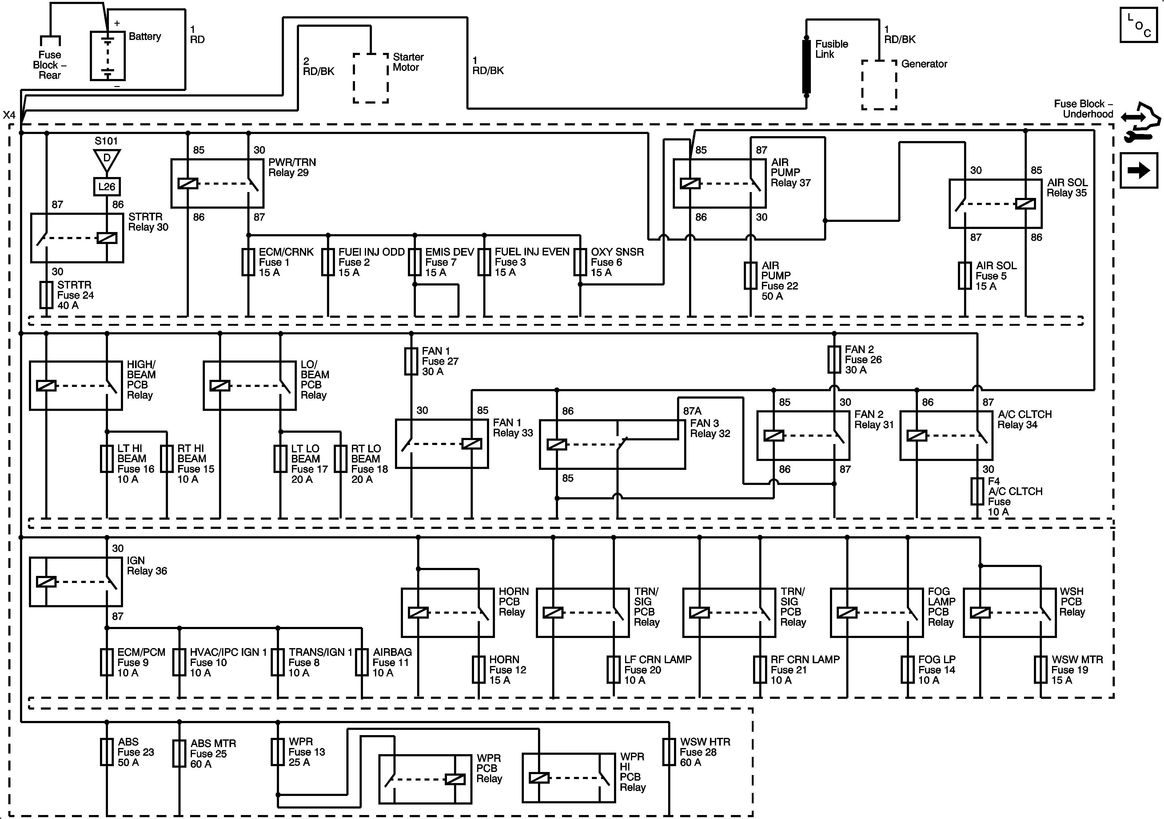
PWR/TRAIN, AIR PUMP, AIR/SOL Relays, ECM/CRNK, INJ/COIL, PWR TRN, AIR PUMP, AIR/SOL Fuses
Figure 6:

Underhood Fuse Block - PWR/TRAIN, AIR PUMP, AIR/SOL Relays, ECM/CRNK, INJ/COIL, PWR TRN, AIR PUMP, AIR/SOL Fuses


Object Number: 1886816  Size: FS
Master Electrical Component List
Control Module References
RUN/CRANK Relay, TRANS IGN 3, AIRBAG IGN 3, HVAC/IP, ECM IGN Fuses
AIR PUMP, AIR/SOL, A/C, COOL/FAN 2, COOL/FAN, COOL/FAN 1 Relays, INJ/COIL, OXY PST Fuses
Figure 7:

Underhood Fuse Block - AIR PUMP, AIR/SOL, A/C, COOL/FAN 2, COOL/FAN, COOL FAN 1 Relays, INJ/COIL, OXY PST Fuses


Object Number: 1886824  Size: FS
Master Electrical Component List
Control Module References
PWR/TRAIN, AIR PUMP, AIR/SOL Relays, ECM/CRNK, INJ/COIL, PWR TRN, AIR PUMP, AIR/SOL Fuses
LT TRN/SIG, RR TRN/SIG, CHMSL/BCK-UP, INT LAMPS, SWTCH DM, HVAC BLWR Fuses, DR MDL/PWR WNDW Circuit Breaker
Figure 8:

Rear Fuse Block - LT TRN/SIG, RR TRN/SIG, CHMSL/BCK-UP, INT LAMPS, SWTCH DM, HVAC BLWR Fuses, DR MDL/PWR WNDW Circuit Breaker


Object Number: 1886827  Size: FS
Master Electrical Component List
Control Module References
AIR PUMP, AIR/SOL, A/C, COOL/FAN 2, COOL/FAN, COOL/FAN 1 Relays, INJ/COIL, OXY PST Fuses
PRK LAMP, DRL Relays, IP HARN MDL, LT PRK LAMP, RT PRK LAMP, DRL Fuses
Figure 9:

Rear Fuse Block - PRK LAMP, DRL Relays, IP HARN MDL, LT PRK LAMP, RT PRK LAMP, DRL Fuses


Object Number: 1886832  Size: FS
Master Electrical Component List
Control Module References
LT TRN/SIG, RR TRN/SIG, CHMSL/BCK-UP, INT LAMPS, SWTCH DM, HVAC BLWR Fuses, DR MDL/PWR WNDW Circuit Breaker
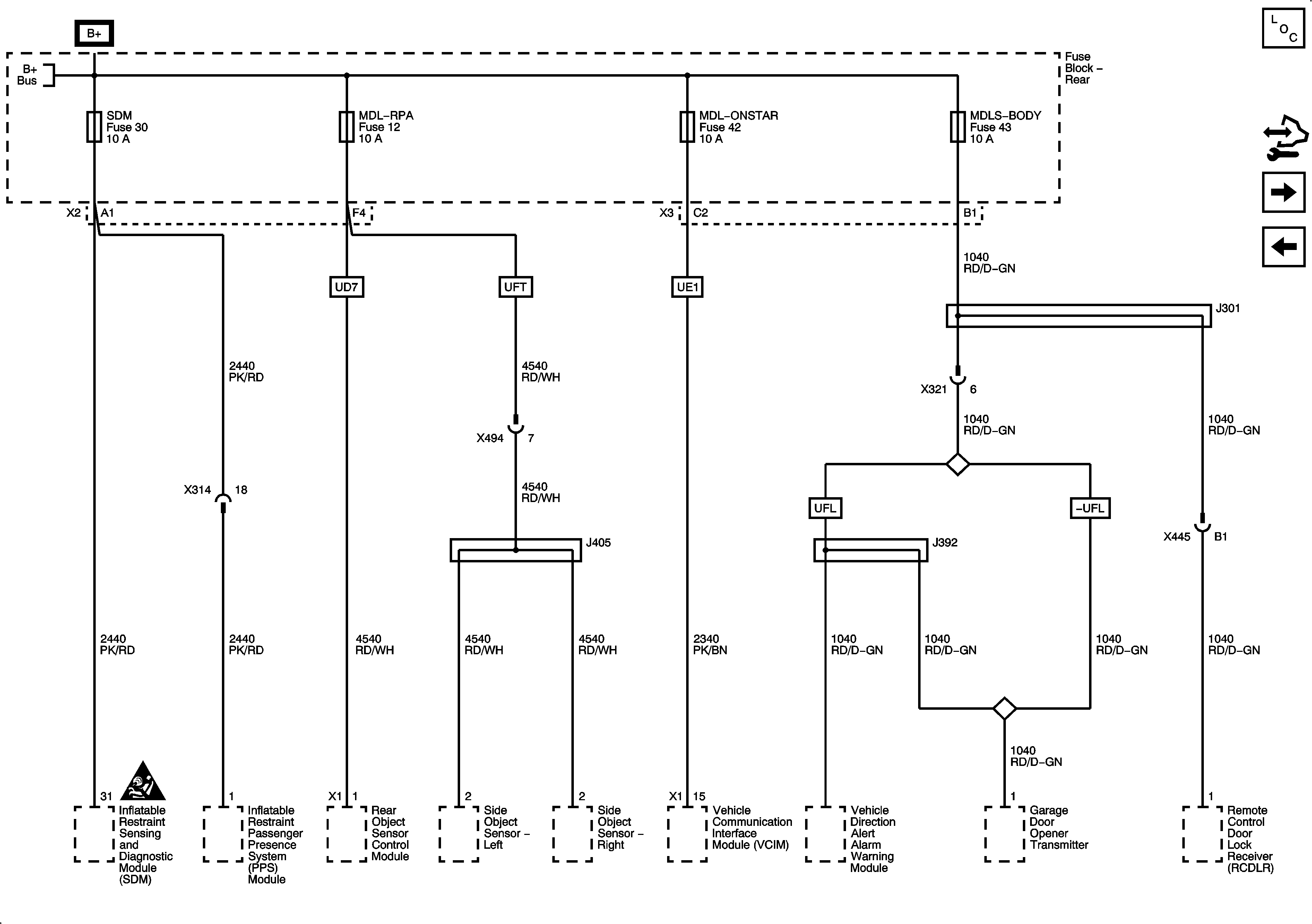
AIR BAG, OBJ SNSR, ONSTAR/S-BAND, BODY HARN MDL Fuses
Figure 10:

Rear Fuse Block - AIR BAG, OBJ SNSR, ONSTAR/S-BAND, BODY HARN MDL Fuses


Object Number: 1886837  Size: FS
Master Electrical Component List
Control Module References
PRK LAMP, DRL Relays, IP HARN MDL, LT PRK LAMP, RT PRK LAMP, DRL Fuses
TRUNK RELSE Relay, AUX PWR, CNSTR VENT, RVC SENSE, ELC MDL, MRTD MDL, TRUNK RELSE Fuses
Figure 11:

Rear Fuse Block - TRUNK RELSE Relay, AUX PWR, CNSTR VENT, RVC SENSE, ELC MDL, MRTD MDL, TRUNK RELSE Fuses


Object Number: 1886842  Size: FS
Master Electrical Component List
Control Module References
AIR BAG, OBJ SNSR, ONSTAR/S-BAND, BODY HARN MDL Fuses
MSM/RT FRT PWR SEAT, MSM/LT FRT PWR SEAT, MSM Circuit Breakers, ECM/TCM, MSM LOGIC/RF MASSAGE Fuses
Figure 12:

Rear Fuse Block - MSM/RT FRT PWR SEAT, MSM/LT FRT PWR SEAT, MSM Circuit Breakers, ECM/TCM, MSM LOGIC/RF MASSAGE Fuses


Object Number: 1886849  Size: FS
Master Electrical Component List
Control Module References
TRUNK RELSE Relay, AUX PWR, CNSTR VENT, RVC SENSE, ELC MDL, MRTD MDL, TRUNK RELSE Fuses
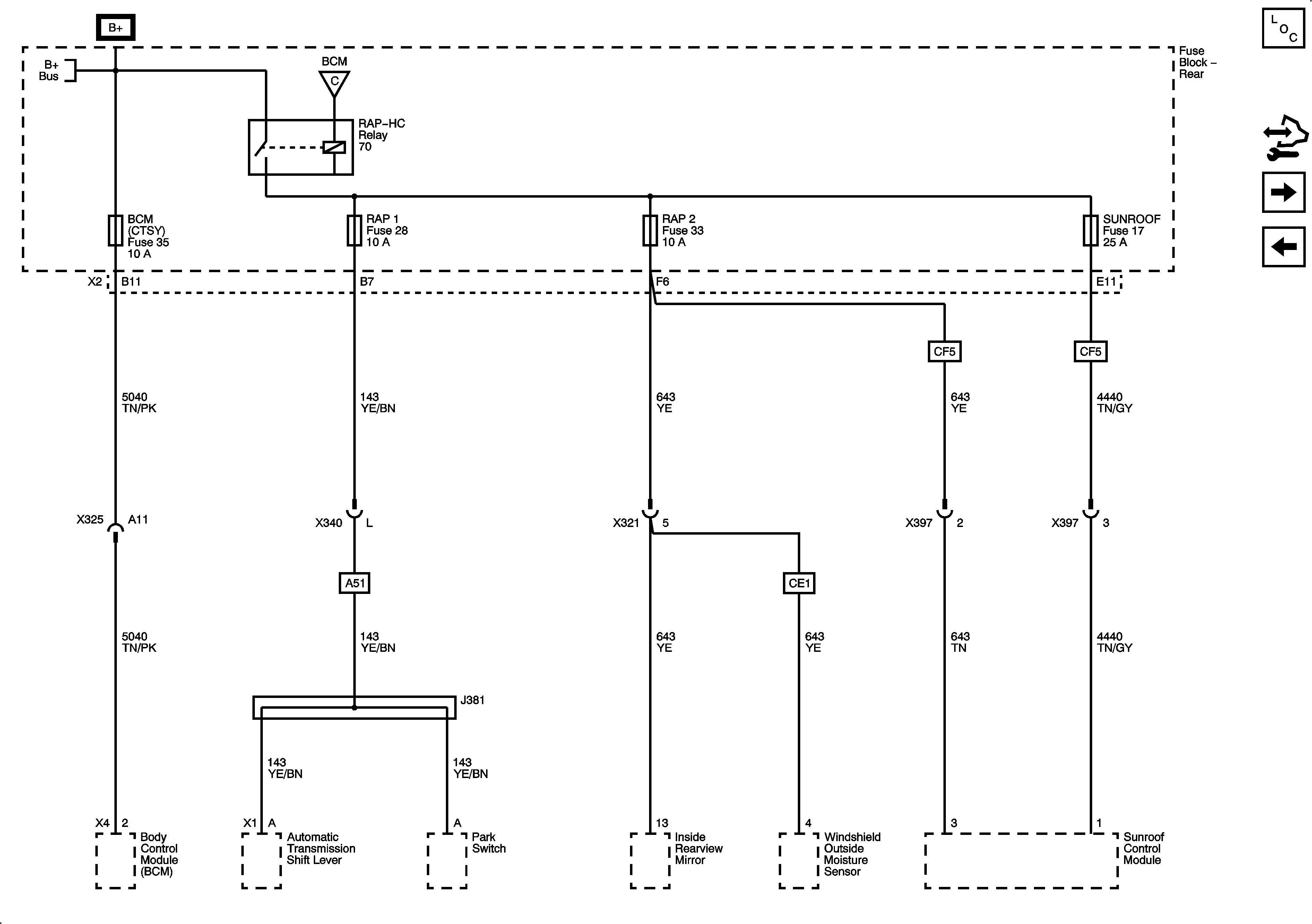
RAP RELAY, CTSY/RF TRN, S/ROOF, SHFTR SOL, RAP Fuses
Figure 13:

Rear Fuse Block - RAP-HC Relay, BCM (CTSY), SUNROOF, RAP 2, RAP 1 Fuses


Object Number: 1886855  Size: FS
Master Electrical Component List
Control Module References
MSM/RT FRT PWR SEAT, MSM/LT FRT PWR SEAT, MSM Circuit Breakers, ECM/TCM, MSM LOGIC/RF MASSAGE Fuses
HTD/COOL, DDM, PDM, RDO, AMP Fuses
Figure 14:

Rear Fuse Block - HTD/COOL, DDM, PDM, RDO, AMP Fuses


Object Number: 1886861  Size: FS
Master Electrical Component List
Control Module References
RAP RELAY, CTSY/RF TRN, S/ROOF, SHFTR SOL, RAP Fuses
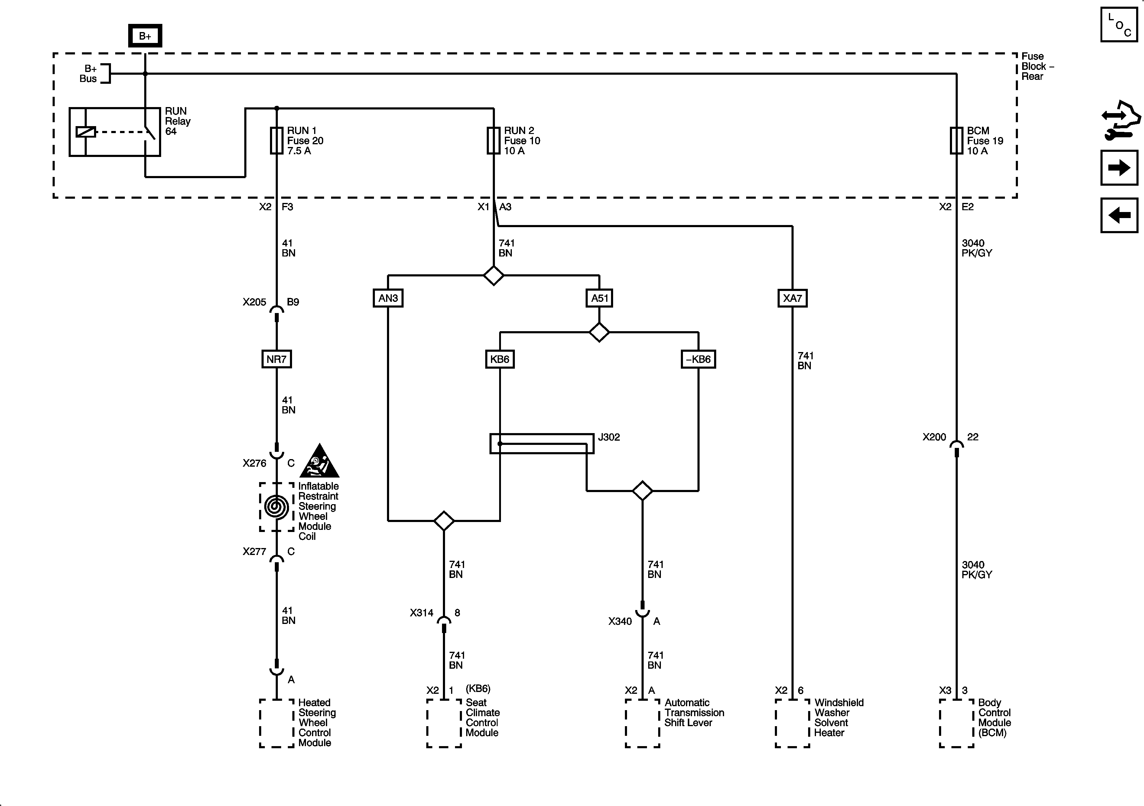
RUN Relay, HTD STR, HTD/COOL/IGN3, BCM LOGIC Fuses
Figure 15:

Rear Fuse Block - RUN Relay, HTD STR, HTD/COOL/IGN3, BCM LOGIC Fuses


Object Number: 1886866  Size: FS
Master Electrical Component List
Control Module References
HTD/COOL, DDM, PDM, RDO, AMP Fuses
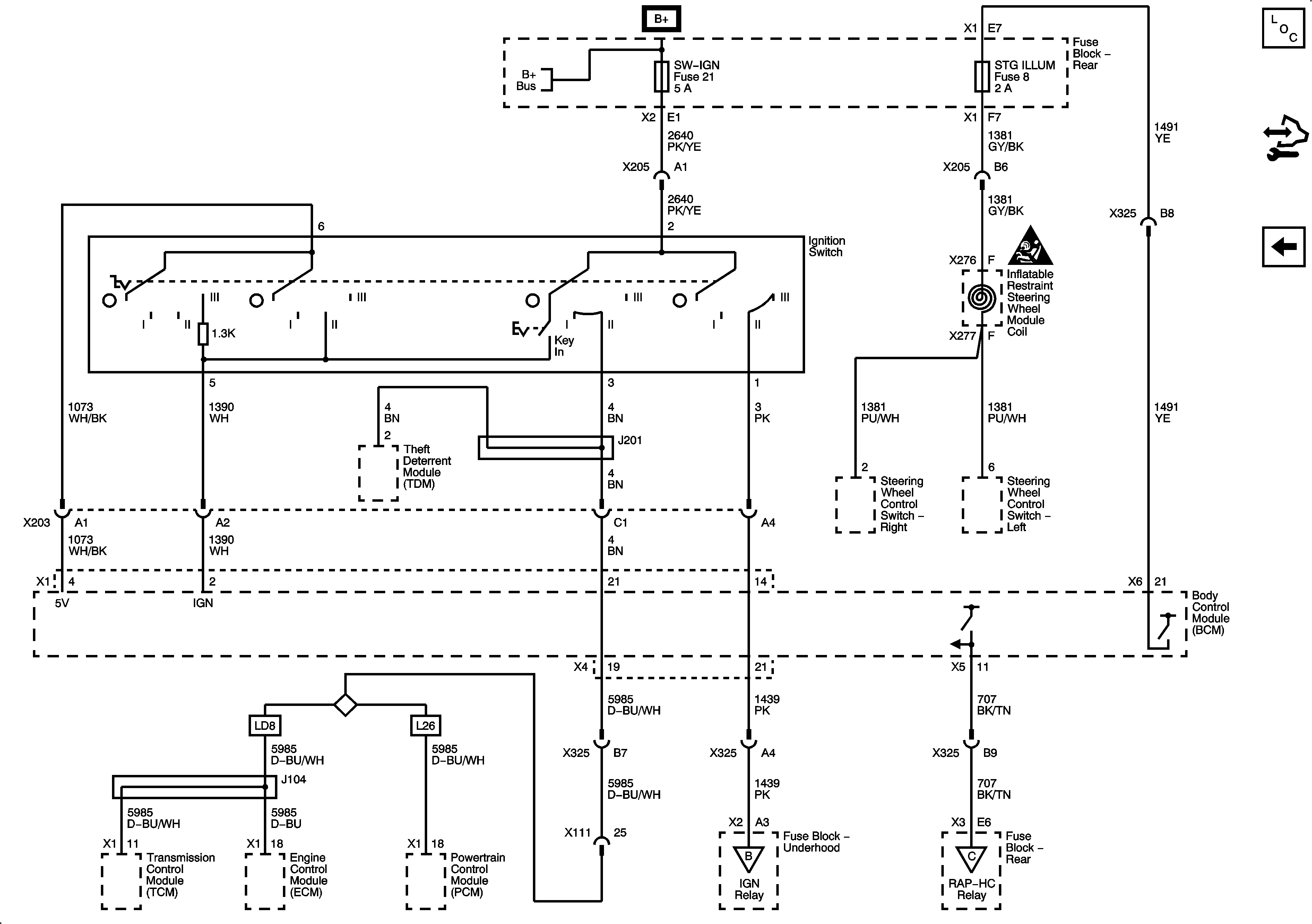
IGN SWTCH, STR/WHL/ILLUM Fuses
Figure 16:

Rear Fuse Block - IGN SWITCH, STR/WHL/ILLUM Fuses


Object Number: 1886871  Size: FS
Master Electrical Component List
Control Module References
RUN Relay, HTD STR, HTD/COOL/IGN3, BCM LOGIC Fuses