GM Service Manual Online
For 1990-2009 cars only

Important: Follow the balance procedure in the order listed in the following steps. Powertrain mounts must be tightened in sequence.


    Object Number: 1685486  Size: SH
  1. Remove the engine mount strut bolt.
  2. Install the engine support fixture. Refer to Engine Support Fixture .
  3. Raise and support the vehicle. Refer to Lifting and Jacking the Vehicle .

  4. Object Number: 1685332  Size: SH
  5. Loosen but DO NOT REMOVE the front engine mount lower nut.

  6. Object Number: 1685363  Size: SH
  7. Loosen but DO NOT REMOVE the rear engine mount lower nut.

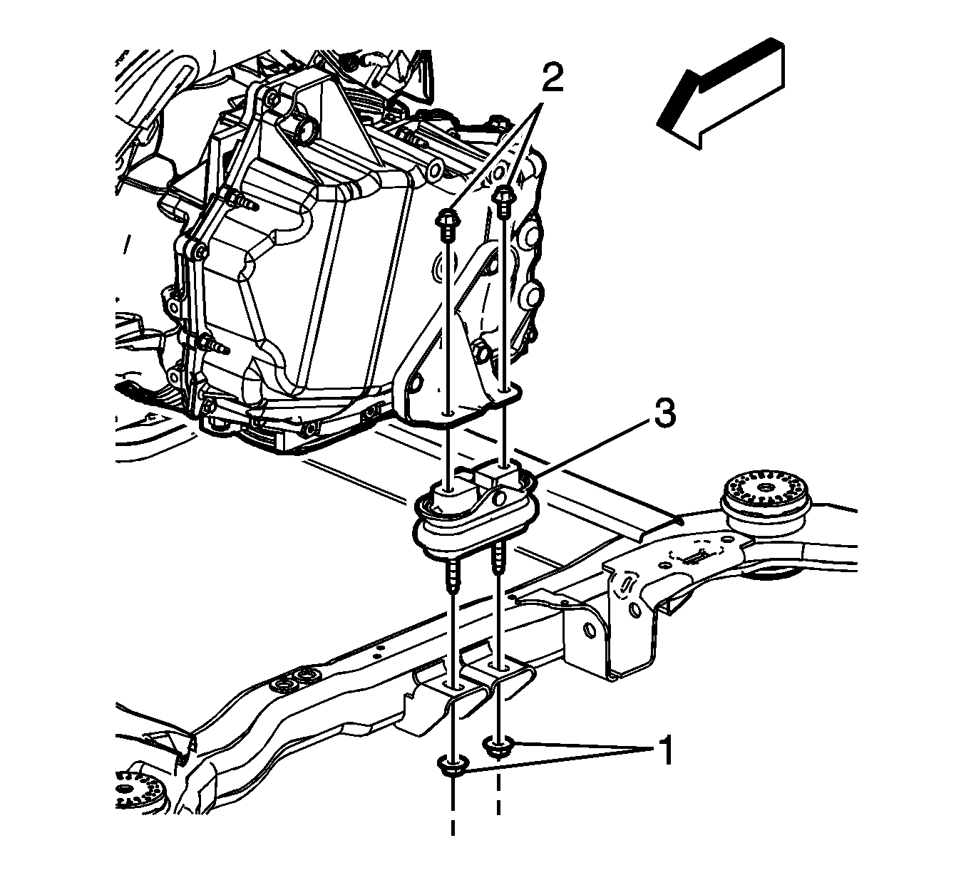
  8. Object Number: 1985840  Size: SH
  9. Loosen but DO NOT REMOVE the transmission mount to frame nuts (1).
  10. Lower the vehicle.
  11. Important: Confirm that each mount has achieved zero load.

  12. Using the engine support fixture, raise the powertrain mounts off of the cradle.
  13. Reset the powertrain on the frame and remove engine support fixture.
  14. Raise the vehicle.
  15. Notice: Refer to Fastener Notice in the Preface section.


    Object Number: 1685363  Size: SH
  16. Install the rear engine mount to cradle nut.
  17. Tighten
    Tighten the nut to 80 N·m (59 lb ft).


    Object Number: 1985840  Size: SH
  18. Install the rear transmission mount to cradle nuts (1).
  19. Tighten
    Tighten the nuts to 50 N·m (37 lb ft).


    Object Number: 1685332  Size: SH
  20. Install the front engine mount nut.
  21. Tighten
    Tighten the nut to 80 N·m (59 lb ft).


    Object Number: 1685486  Size: SH
  22. Lower the vehicle.
  23. Important: The torque strut should have zero preload when the transaxle selector is in Park on a level surface. Both of the bushing sleeves on the torque strut are slotted to accommodate build variation. The torque strut bolt should easily thread into the engine side bracket without side load. If the strut is preloaded and side loads the forward bolt, loosen the rear torque strut nut to the body side bracket, reposition the strut to avoid preloading.

  24. Install the torque strut bolt.
  25. Tighten
    Tighten the bolt and nut to 70 N·m (52 lb ft).