GM Service Manual Online
For 1990-2009 cars only

Tools Required

    • J 38185 Hose Clamp Pliers
    • J 37096 Flywheel Holding Tool
    • J 45059 Angle Meter

Removal Procedure


    Object Number: 1685080  Size: SH
  1. Disconnect the negative battery cable. Refer to Battery Negative Cable Disconnection and Connection .
  2. Remove the hood. Refer to Hood Replacement .
  3. Clean the area around the oil fill tube.
  4. Twist the oil fill tube counterclockwise in order to unlock the tube from the valve rocker cover.
  5. Lift the front of the manifold cover up and slide the tab out of the engine bracket.
  6. Replace the oil fill tube into the valve rocker cover.
  7. Raise and support the vehicle. Refer to Lifting and Jacking the Vehicle .

  8. Object Number: 1687133  Size: SH
  9. Drain the engine oil. Refer to Engine Oil and Oil Filter Replacement .
  10. Drain the cooling system. Refer to Cooling System Draining and Filling .
  11. Remove the transaxle brace to transaxle bolts.

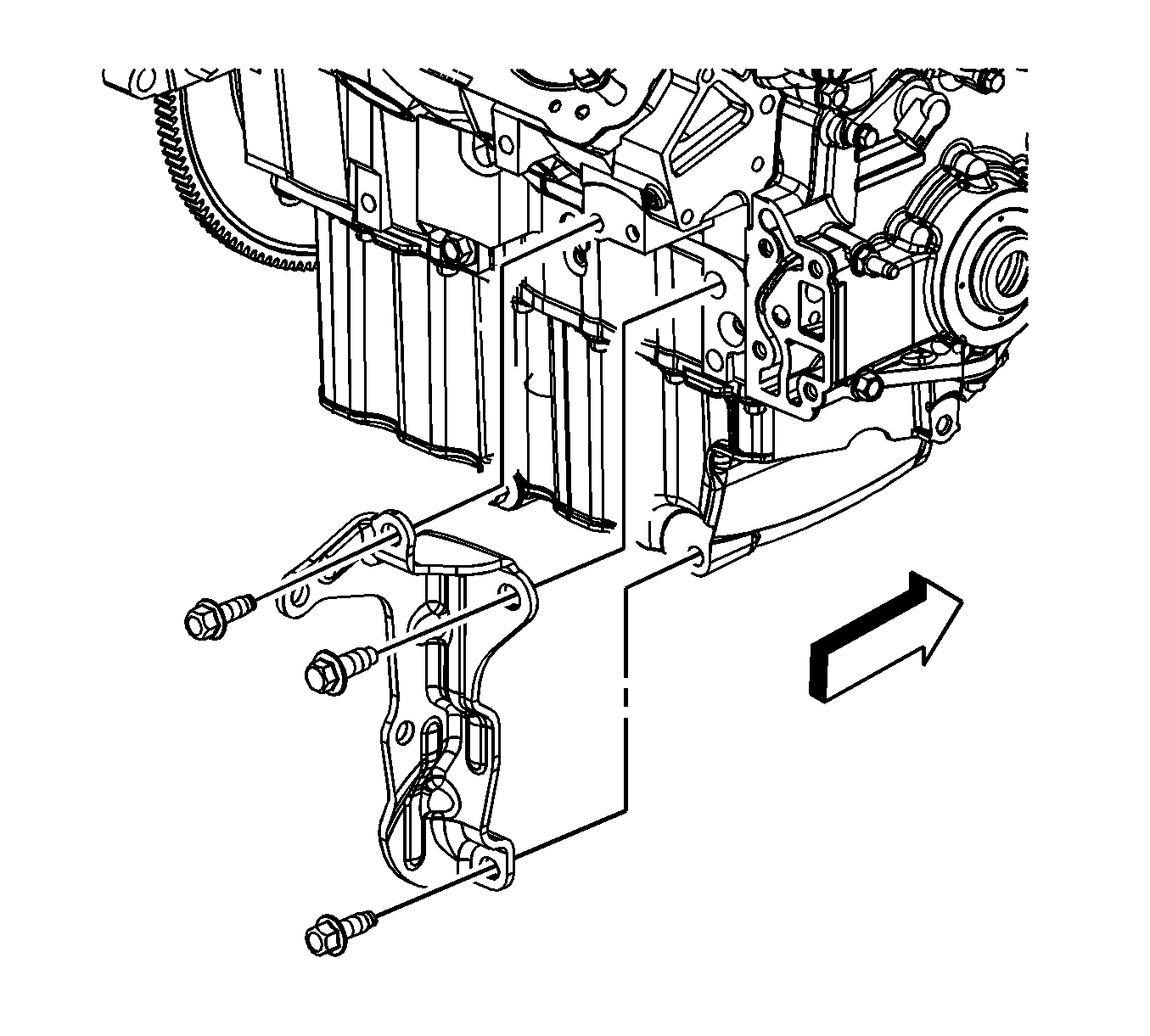
  12. Object Number: 1687132  Size: SH
  13. Remove the transaxle brace to oil pan bolts and brace.

  14. Object Number: 1687135  Size: SH
  15. Remove the front transaxle converter cover bolt (1).
  16. Remove the front transaxle converter cover (2).
  17. Remove the rear transaxle converter cover bolts (3).
  18. Remove the rear transaxle converter cover (4).
  19. Remove the starter motor. Refer to Starter Motor Replacement .

  20. Object Number: 1687439  Size: SH
  21. Remove the torque converter bolts. (engine shown removed for clarity).
  22. Mark the relationship of the torque converter to the flywheel for installation.

  23. Object Number: 1687441  Size: SH
  24. Remove the transaxle brace to transaxle bolts (1).

  25. Object Number: 1687131  Size: SH
  26. Remove the transaxle brace to engine and oil pan bolts and brace.

  27. Object Number: 1685332  Size: SH
  28. Remove the front engine mount to frame nut.

  29. Object Number: 1685363  Size: SH
  30. Remove the rear engine mount to frame nut.

  31. Object Number: 1687089  Size: SH
  32. Remove the exhaust manifold to catalytic converter nuts.

  33. Object Number: 1686626  Size: SH
  34. Disconnect the engine harness electrical connector (2) from the oil pressure sensor.
  35. Disconnect the engine harness electrical connector (3) from the vehicle speed sensor (VSS).
  36. Remove the engine harness clip (1) from the engine bracket.
  37. Remove the engine harness clip (4) from the steering gear bracket.
  38. Disconnect the engine harness electrical connector from the rear knock sensor jumper harness.

  39. Object Number: 1686735  Size: SH
  40. Disconnect the engine harness electrical connector (1) from the front knock sensor.
  41. Disconnect the engine harness electrical connector (2) from the oil level sensor.
  42. Disconnect the engine harness electrical connector (5) from the air conditioning (A/C) pressure sensor.
  43. Disconnect the engine harness electrical connector (7) from the A/C compressor.

  44. Object Number: 1687509  Size: SH
  45. Remove the starter cable ground bolt (5) and reposition the starter cable terminal (2) from the engine.

  46. Object Number: 1686929  Size: SH
  47. Remove the right wheel drive shaft. Refer to Wheel Drive Shaft Replacement .
  48. Remove the oil filter adapter bolts.
  49. Remove the oil filter adapter and gasket.

  50. Object Number: 1687565  Size: SH
  51. Remove the lower rear transaxle bolt.

  52. Object Number: 1687569  Size: SH
  53. Remove the lower front transaxle bolt.
  54. Lower the vehicle while supporting the transaxle.
  55. Remove the air cleaner assembly. Refer to Air Cleaner Assembly Replacement .

  56. Object Number: 1687521  Size: SH
  57. Reposition the starter cable boot.
  58. Remove the generator terminal nut.
  59. Remove the starter cable from the generator.

  60. Object Number: 1686302  Size: SH
  61. Disconnect the fuel feed line (1) quick connect fitting from the fuel rail. Refer to Metal Collar Quick Connect Fitting Service .
  62. Disconnect the evaporative emission (EVAP) line (2) quick connect fitting from the purge solenoid. Refer to Plastic Collar Quick Connect Fitting Service .

  63. Object Number: 1686600  Size: SH
  64. Loosen the water pump pulley bolts.
  65. Remove the drive belt. Refer to Drive Belt Replacement .
  66. Remove the water pump pulley bolts and water pump pulley.
  67. Remove the engine mount strut. Refer to Engine Mount Strut Replacement .
  68. Remove the fan shroud. Refer to Fan Shroud Replacement .

  69. Object Number: 1686286  Size: SH
  70. Remove the brake booster vacuum hose from the intake manifold.

  71. Object Number: 282122  Size: SH
  72. Remove the power steering pump bolts. Lay the power steering pump aside. (pulley shown removed for clarity).

  73. Object Number: 1686317  Size: SH
  74. Disconnect the engine harness electrical connectors (1) from the rear fuel injectors.
  75. Remove the engine harness electrical connector retainers (2) from the fuel rail.

  76. Object Number: 1687609  Size: SH
  77. Disconnect the engine harness electrical connector from the rear heated oxygen sensor (HO2S).

  78. Object Number: 1687607  Size: SH
  79. Disconnect the engine harness electrical connector from the generator.

  80. Object Number: 1686287  Size: SH
  81. Disconnect the engine harness electrical connector (1) from the throttle actuator.
  82. Disconnect the engine harness electrical connector (2) from the engine coolant temperature (ECT) sensor.

  83. Object Number: 1686289  Size: SH
  84. Disconnect the engine harness clips (1, 3) from the heat shield.
  85. Disconnect the engine harness electrical connector (2) from the exhaust gas recirculation (EGR) valve.

  86. Object Number: 1686320  Size: SH
  87. Disconnect the engine harness electrical connectors (1) from the front fuel injectors.
  88. Remove the engine harness retainers (2) from the fuel rail.

  89. Object Number: 1686288  Size: SH
  90. Disconnect the engine harness electrical connector (1) from the ignition control module harness electrical connector (2).
  91. Disconnect the engine harness electrical connector (3) from the manifold absolute pressure (MAP) sensor.
  92. Gather all branches of the engine wiring harness and reposition the harness out of the way.

  93. Object Number: 1686393  Size: SH
  94. Using J 38185 reposition the radiator inlet hose clamp at the thermostat housing.
  95. Remove the radiator inlet hose from the thermostat housing.

  96. Object Number: 1686676  Size: SH
  97. Using J 38185 reposition the radiator outlet hose clamp at the front cover.
  98. Remove the radiator outlet hose from the front cover.

  99. Object Number: 1685288  Size: SH
  100. Remove the heater inlet and outlet hose adapter bolts (1, 3). (heater hoses shown removed for clarity).
  101. Remove the heater inlet (4) and outlet (2) adapters from the drive belt tensioner.

  102. Object Number: 1687780  Size: SH

    Important: It is not necessary to recover the A/C system.

  103. Remove the A/C compressor bolts and nut. DO NOT discharge the A/C system.
  104. Reposition and secure the A/C compressor to the frame.
  105. Install a engine lifting device to the lift brackets.

  106. Object Number: 1687569  Size: SH
  107. Remove the upper transaxle bolts.
  108. With the aid of an assistant, remove the engine from the vehicle.

  109. Object Number: 309963  Size: SH
  110. Install the J 37096 to a ratchet.
  111. Install the J 37096 and ratchet to the flywheel to hold the flywheel.

  112. Object Number: 153602  Size: SH
  113. Loosen the flywheel bolts.
  114. Remove 7 of the 8 flywheel bolts, leaving 1 bolt at the top of the crankshaft rotation.
  115. Firmly grasp the flywheel and remove the remaining bolt. Do not drop the flywheel when removing the final bolt.
  116. Remove the flywheel.
  117. Install the engine to a engine stand.
  118. Transfer any components as required. Refer to the appropriate procedures.

Installation Procedure


    Object Number: 153602  Size: SH
  1. Remove the engine from the engine stand.
  2. Install the flywheel.
  3. Install NEW flywheel bolts until snug.
  4. Install the J 37096 and ratchet to the flywheel to hold the flywheel.
  5. Notice: Refer to Fastener Notice in the Preface section.

  6. Tighten the flywheel bolts.
  7. Tighten
    Tighten the bolts to 15 N·m (11 lb ft) plus an additional 50 degrees using J 45059 .


    Object Number: 309963  Size: SH
  8. Install the J 37096 to a ratchet.
  9. Install the J 37096 and ratchet to the flywheel to hold the flywheel.

  10. Object Number: 1687569  Size: SH
  11. With the aid of an assistant, install the engine to the vehicle.
  12. Install the upper transaxle bolts.
  13. Tighten
    Tighten the bolts to 75 N·m (55 lb ft).

  14. Remove the engine lifting device from the lift brackets.

  15. Object Number: 1687780  Size: SH
  16. Unsecure and position the A/C compressor to the engine.
  17. Install the A/C compressor bolts and nut.
  18. Tighten
    Tighten the bolts/nut to 25 N·m (18 lb ft).


    Object Number: 1685288  Size: SH
  19. Install the heater inlet (4) and outlet (2) adapters to the drive belt tensioner. (heater hoses shown removed for clarity).
  20. Install the heater inlet and outlet hose adapter bolts (1, 3).
  21. Tighten
    Tighten the bolts to 10 N·m (89 lb in).


    Object Number: 1686676  Size: SH
  22. Install the radiator outlet hose to the front cover.
  23. Using J 38185 position the radiator outlet hose clamp at the front cover.

  24. Object Number: 1686393  Size: SH
  25. Install the radiator inlet hose to the thermostat housing.
  26. Using J 38185 position the radiator inlet hose clamp at the thermostat housing.

  27. Object Number: 1686288  Size: SH
  28. Position the engine wiring harness over the engine.
  29. Connect the engine harness electrical connector (3) to the MAP sensor.
  30. Connect the engine harness electrical connector (1) to the ignition control module harness electrical connector (2).

  31. Object Number: 1686320  Size: SH
  32. Install the engine harness retainers (2) to the fuel rail.
  33. Connect the engine harness electrical connectors (1) to the front fuel injectors.

  34. Object Number: 1686289  Size: SH
  35. Connect the engine harness electrical connector (2) to the EGR valve.
  36. Connect the engine harness clips (1, 3) to the heat shield.

  37. Object Number: 1686287  Size: SH
  38. Connect the engine harness electrical connector (2) to the ECT sensor.
  39. Connect the engine harness electrical connector (1) to the throttle actuator.

  40. Object Number: 1687607  Size: SH
  41. Connect the engine harness electrical connector to the generator.

  42. Object Number: 1687609  Size: SH
  43. Connect the engine harness electrical connector to the rear HO2S.

  44. Object Number: 1686317  Size: SH
  45. Install the engine harness electrical connector retainers (2) to the fuel rail.
  46. Connect the engine harness electrical connectors (1) to the rear fuel injectors.

  47. Object Number: 282122  Size: SH
  48. Position the power steering pump and install the power steering pump bolts. (pulley shown removed for clarity).
  49. Tighten
    Tighten the bolts to 34 N·m (25 lb ft).


    Object Number: 1686286  Size: SH
  50. Install the brake booster vacuum hose to the intake manifold.
  51. Install the fan shroud. Refer to Fan Shroud Replacement .
  52. Install the engine mount strut. Refer to Engine Mount Strut Replacement .

  53. Object Number: 1686600  Size: SH
  54. Install the water pump pulley and bolts until snug.
  55. Install the drive belt. Refer to Drive Belt Replacement .
  56. Tighten the water pump pulley bolts.
  57. Tighten
    Tighten the bolts to 13 N·m (115 lb in).


    Object Number: 1686302  Size: SH
  58. Connect the EVAP line (2) quick connect fitting to the purge solenoid. Refer to Plastic Collar Quick Connect Fitting Service .
  59. Connect the fuel feed line (1) quick connect fitting to the fuel rail. Refer to Metal Collar Quick Connect Fitting Service .

  60. Object Number: 1687521  Size: SH
  61. Install the starter cable to the generator.
  62. Install the generator terminal nut.
  63. Tighten
    Tighten the nut to 20 N·m (15 lb ft).

  64. Position the starter cable boot.
  65. Install the air cleaner assembly. Refer to Air Cleaner Assembly Replacement .

  66. Object Number: 1687569  Size: SH
  67. Raise the vehicle.
  68. Install the lower front transaxle bolt.
  69. Tighten
    Tighten the bolt to 75 N·m (55 lb ft).


    Object Number: 1687565  Size: SH
  70. Install the lower rear transaxle bolt.
  71. Tighten
    Tighten the bolt to 75 N·m (55 lb ft).


    Object Number: 1686929  Size: SH
  72. Position the oil filter adapter gasket and adapter.
  73. Install the oil filter adapter bolts.
  74. Tighten
    Tighten the bolts to 50 N·m (37 lb ft) plus an additional 3 degrees using J 45059 .

  75. Install the right wheel drive shaft. Refer to Wheel Drive Shaft Replacement .

  76. Object Number: 1687509  Size: SH
  77. Position the starter cable terminal (2) to the engine and install the starter cable ground bolt (5).
  78. Tighten
    Tighten the bolt to 25 N·m (18 lb ft).


    Object Number: 1686735  Size: SH
  79. Connect the engine harness electrical connector (7) to the A/C compressor.
  80. Connect the engine harness electrical connector (5) to the A/C pressure sensor.
  81. Install the engine harness (3) terminal to the starter.
  82. Install the starter solenoid "S" terminal nut (4).
  83. Tighten
    Tighten the nut to 2.3 N·m (20.5 lb in).


    Object Number: 1686626  Size: SH
  84. Connect the engine harness electrical connector to the rear knock sensor jumper harness.
  85. Install the engine harness clip (4) to the steering gear bracket.
  86. Install the engine harness clip (1) to the engine bracket.
  87. Connect the engine harness electrical connector (3) to the VSS.
  88. Connect the engine harness electrical connector (2) to the oil pressure sensor.

  89. Object Number: 1687089  Size: SH
  90. Install the exhaust manifold to catalytic converter nuts.
  91. Tighten
    Tighten the nut to 30 N·m (22 lb ft).


    Object Number: 1685363  Size: SH
  92. Install the rear engine mount to frame nut.
  93. Tighten
    Tighten the nut to 80 N·m (59 lb ft).


    Object Number: 1685332  Size: SH
  94. Install the front engine mount to frame nut.
  95. Tighten
    Tighten the nut to 80 N·m (59 lb ft).


    Object Number: 1687131  Size: SH
  96. Position the transaxle brace to the engine and install the bolts to the engine and oil pan.
  97. Tighten
    Tighten the bolts to 50 N·m (37 lb ft).


    Object Number: 1687441  Size: SH
  98. Install the transaxle brace to transaxle bolts (1).
  99. Tighten
    Tighten the bolts to 50 N·m (37 lb ft).


    Object Number: 1687439  Size: SH
  100. Align the mark on the torque converter to the mark on the flywheel.
  101. Install the torque converter bolts. (engine shown removed for clarity).
  102. Tighten
    Tighten the bolts to 50 N·m (37 lb ft).

  103. Install the starter motor. Refer to Starter Motor Replacement .

  104. Object Number: 1687135  Size: SH
  105. Position the rear transaxle converter cover (4).
  106. Install the rear transaxle converter cover bolts (3).
  107. Tighten
    Tighten the bolts to 7.5 N·m (66 lb in).

  108. Position the front transaxle converter cover (2).
  109. Install the front transaxle converter cover bolt (1).
  110. Tighten
    Tighten the bolt to 7.5 N·m (66 lb in).


    Object Number: 1687132  Size: SH
  111. Position the transaxle brace and install the brace to oil pan bolts.
  112. Tighten
    Tighten the bolts to 50 N·m (37 lb ft).


    Object Number: 1687133  Size: SH
  113. Install the transaxle brace to transaxle bolts.
  114. Tighten
    Tighten the bolts to 50 N·m (37 lb ft).


    Object Number: 1685080  Size: SH
  115. Lower the vehicle.
  116. Remove the oil fill tube from the valve rocker cover.
  117. Insert the tab on the rear of the intake manifold cover through the engine bracket.
  118. Align the hole in the intake manifold cover with the oil fill tube hole in the valve rocker cover.
  119. Insert the oil fill tube into the valve rocker cover and twist clockwise in order to lock the detent on the tube into the notch in the cover.
  120. Install the hood. Refer to Hood Replacement .
  121. Connect the negative battery cable. Refer to Battery Negative Cable Disconnection and Connection .
  122. Fill the crankcase with oil. Refer to Engine Oil and Oil Filter Replacement .
  123. Fill the cooling system. Refer to Cooling System Draining and Filling .
  124. Perform the CKP system variation learn procedure. Refer to Crankshaft Position System Variation Learn .
  125. Start the vehicle and inspect for leaks.