GM Service Manual Online
For 1990-2009 cars only
Makes
🢒
Buick
🢒
2008
🢒
Lucerne
🢒
Diagnostic Navigation
🢒
Vehicle Diagnostic Information
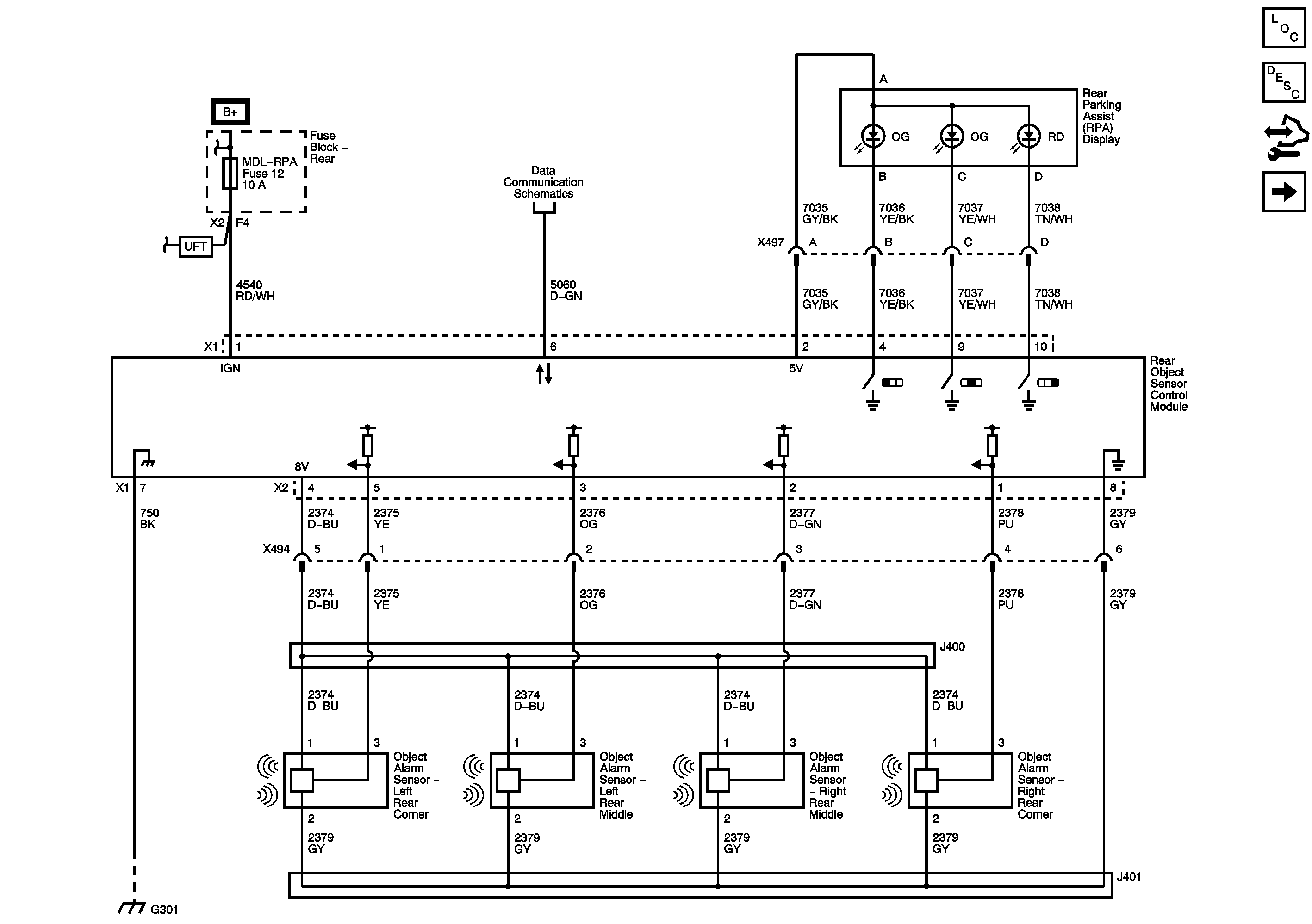
🢒 Object Detection Schematics
Figure
1:
Rear Park Assist - UD7
Master Electrical Component List
Object Detection Description and Operation (Rear Park Assist)
Control Module References
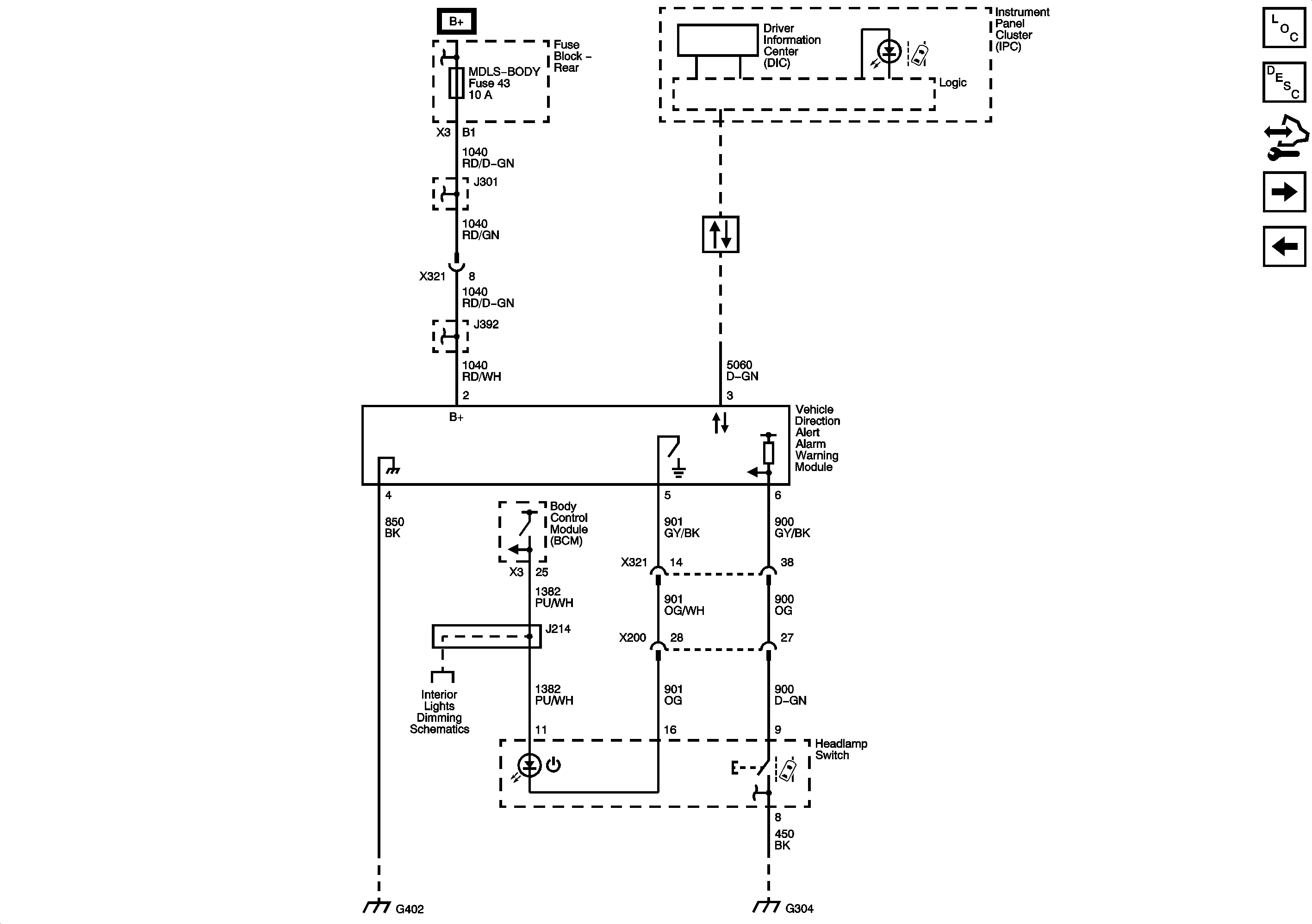
Lane Departure Warning - UFL
Figure
2:
Lane Departure Warning System
Master Electrical Component List
Object Detection Description and Operation (VDAAW)
Control Module References
Rear Park Assist UD7
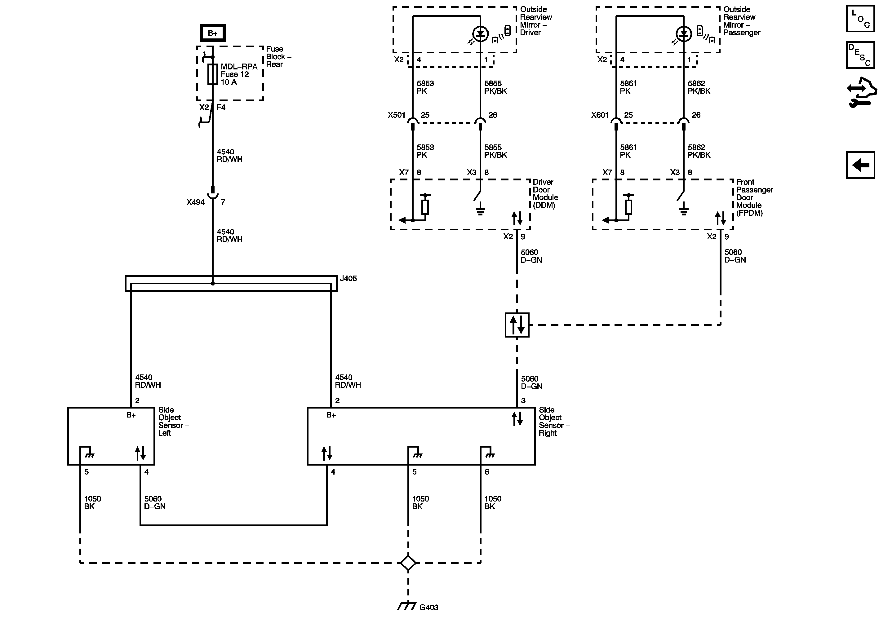
Side Object Detection - UFT
Figure
3:
Side Object Detection
Master Electrical Component List
Object Detection Description and Operation (SOD)
Control Module References
Lane Departure Warning - UFL