GM Service Manual Online
For 1990-2009 cars only
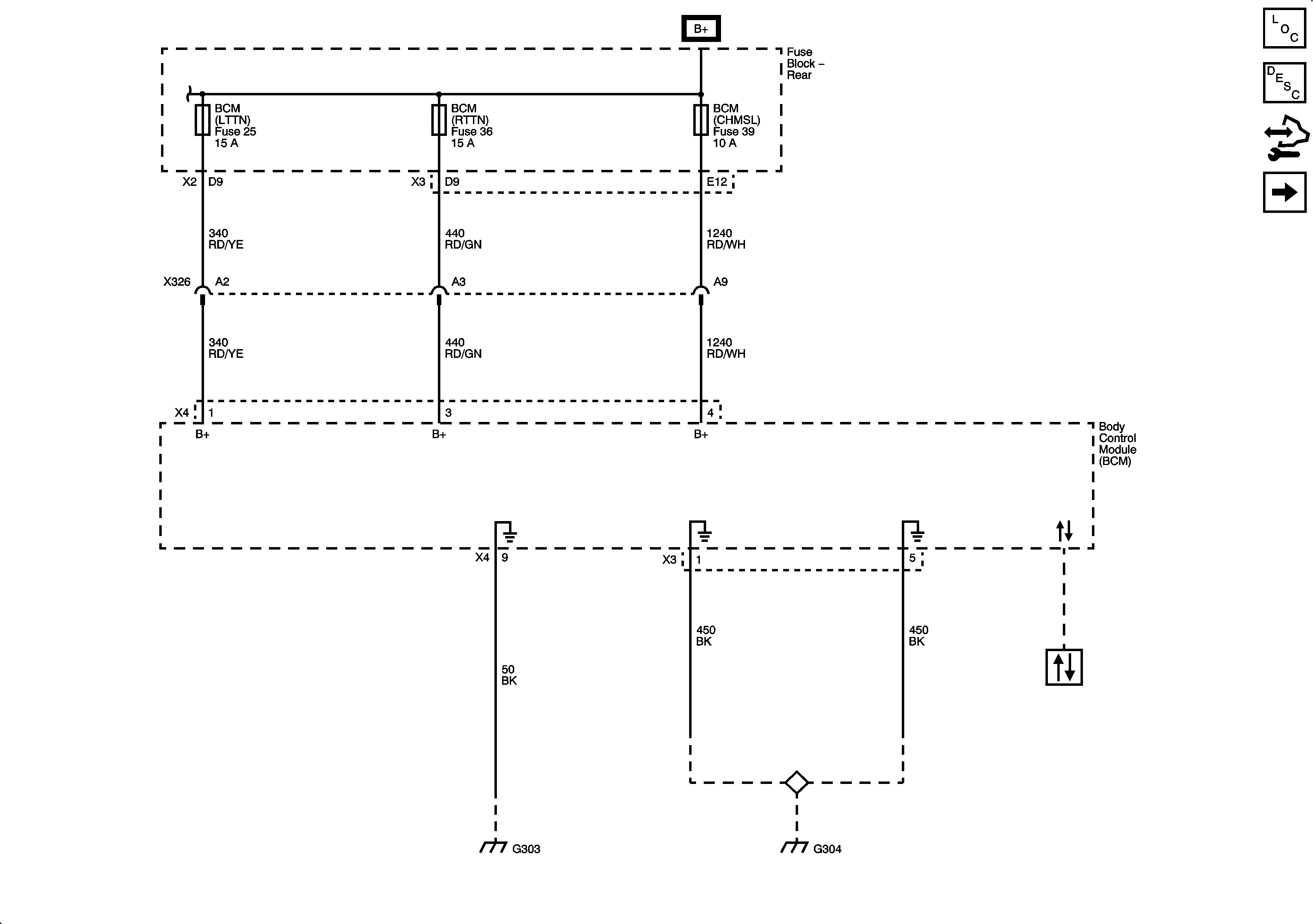
Figure 1:

BCM Power, Ground and DLC


Object Number: 1886760  Size: FS
Master Electrical Component List
Body Control System Description and Operation
Control Module References
BCM Inputs and Outputs 1 of 4
Figure 2:

BCM Inputs and Outputs 1 of 4


Object Number: 1886763  Size: FS
Master Electrical Component List
Body Control System Description and Operation
Control Module References
BCM Power, Ground and DLC
BCM Inputs and Outputs 2 of 4
Figure 3:

BCM Inputs and Outputs 2 of 4


Object Number: 1886765  Size: FS
Master Electrical Component List
Body Control System Description and Operation
Control Module References
BCM Inputs and Outputs 1 of 4
BCM Inputs and Outputs 3 of 4
Figure 4:

BCM Inputs and Outputs 3 of 4


Object Number: 1886767  Size: FS
Master Electrical Component List
Body Control System Description and Operation
Control Module References
BCM Inputs and Outputs 2 of 4
BCM Inputs and Outputs 4 of 4
Figure 5:

BCM Inputs and Outputs 4 of 4


Object Number: 1886770  Size: FS
Master Electrical Component List
Body Control System Description and Operation
Control Module References
BCM Inputs and Outputs 3 of 4