GM Service Manual Online
For 1990-2009 cars only
Makes
🢒
Buick
🢒
2008
🢒
Lucerne
🢒
Diagnostic Navigation
🢒
Vehicle Diagnostic Information
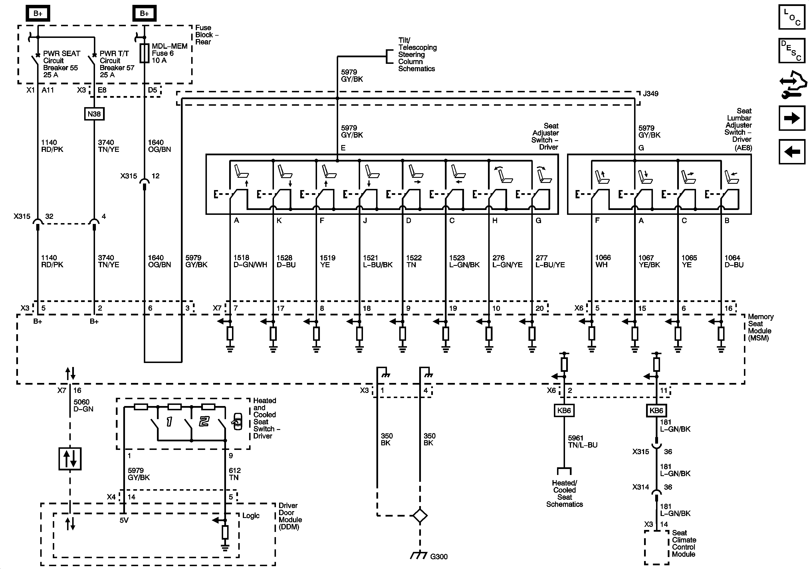
🢒 Driver Seat Schematics
Figure
1:
Without A45
Master Electrical Component List
Power Seats System Description and Operation
Control Module References
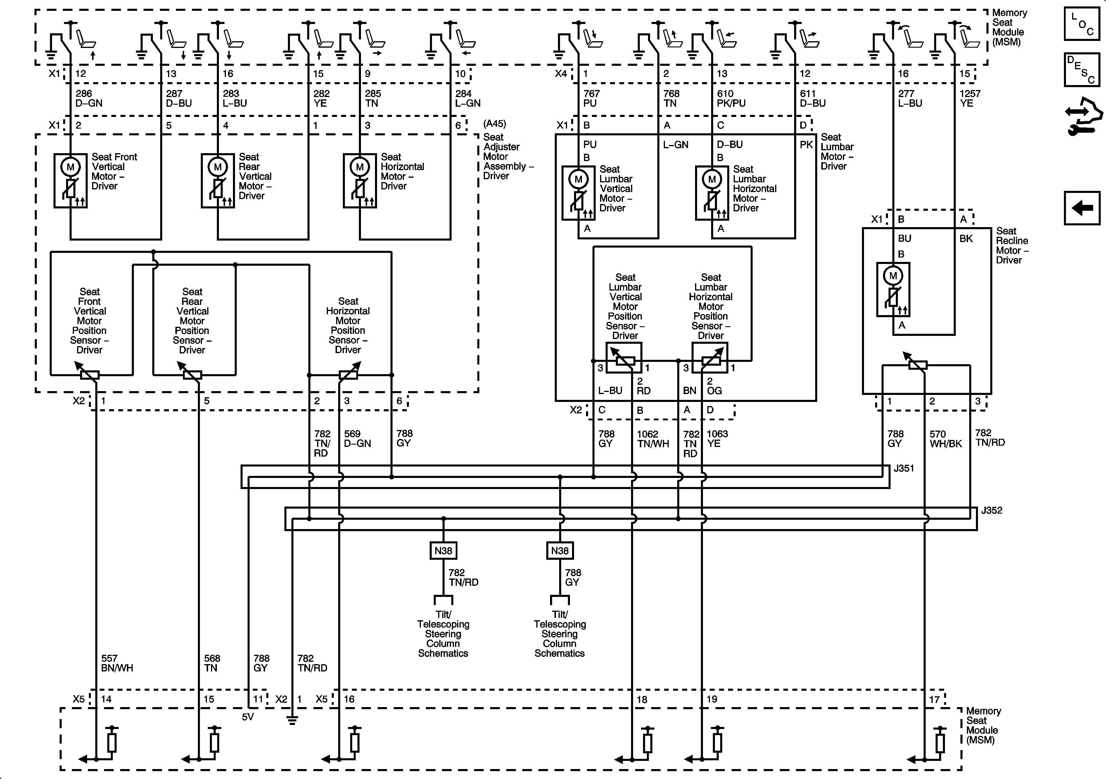
with A45
Figure
2:
With A45
Master Electrical Component List
Power Seats System Description and Operation
Control Module References
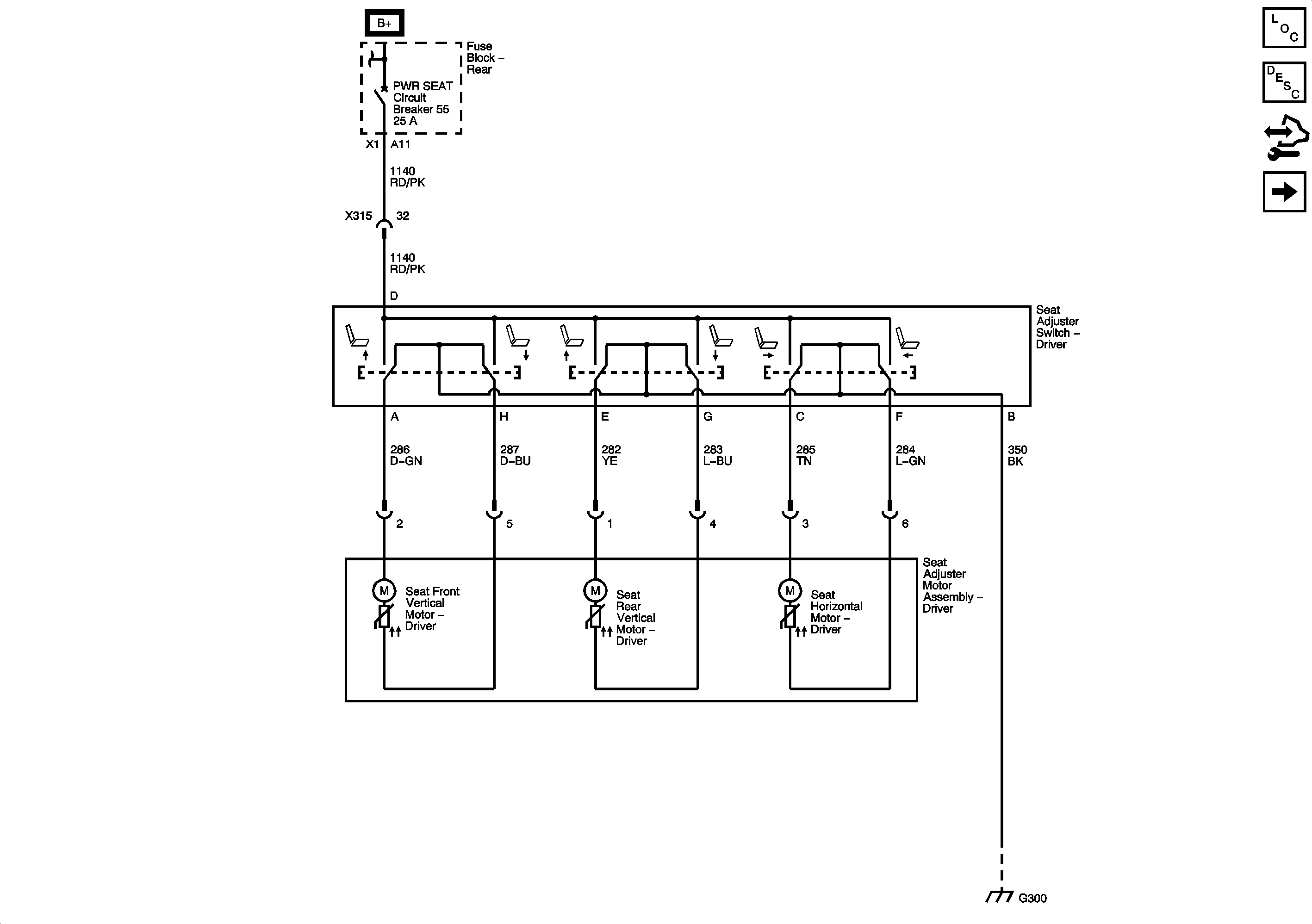
Without A45
Position Sensors
Figure
3:
Position Sensors
Master Electrical Component List
Power Seats System Description and Operation
Control Module References
with A45