GM Service Manual Online
For 1990-2009 cars only
Makes
🢒
Buick
🢒
2008
🢒
Lucerne
🢒
Diagnostic Navigation
🢒
Vehicle Diagnostic Information
🢒 Outside Rearview Mirror Schematics
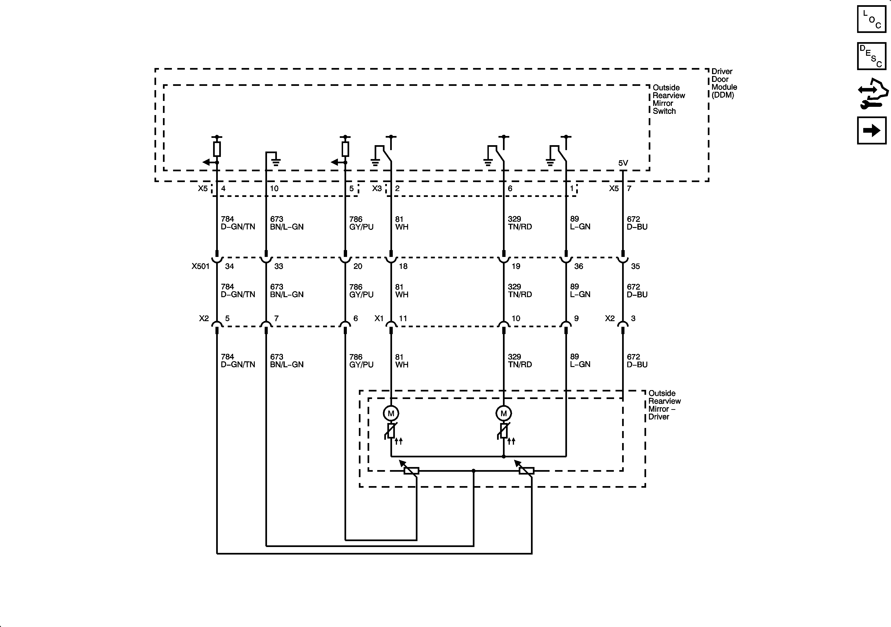
Figure
1:
Driver Outside Rearview Mirror
Master Electrical Component List
Outside Mirror Description and Operation (Power Mirrors)
Control Module References
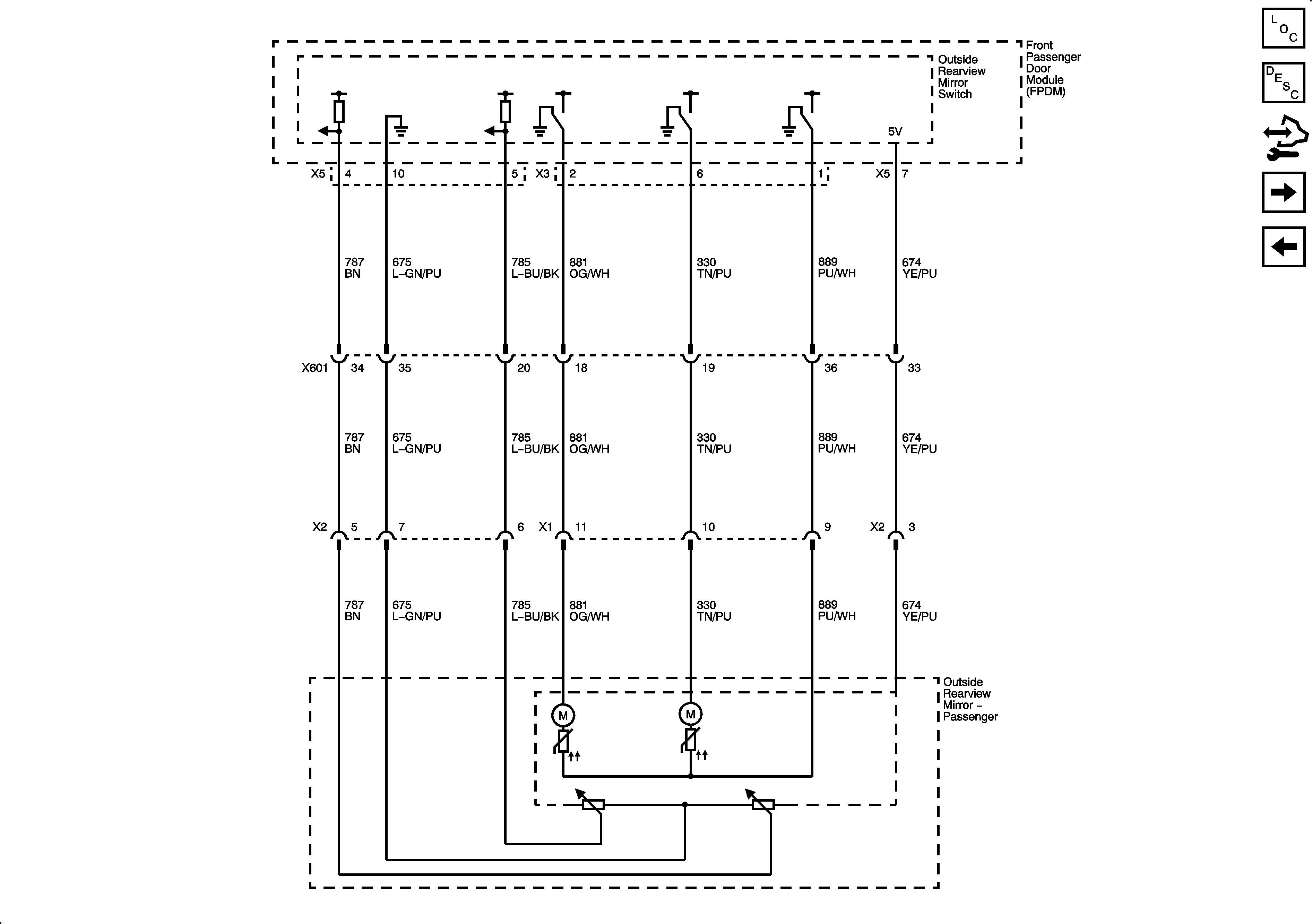
Passenger Outside Rearview Mirror
Figure
2:
Passenger Outside Rearview Mirror
Master Electrical Component List
Outside Mirror Description and Operation (Power Mirrors)
Control Module References
Driver Outside Rearview Mirror
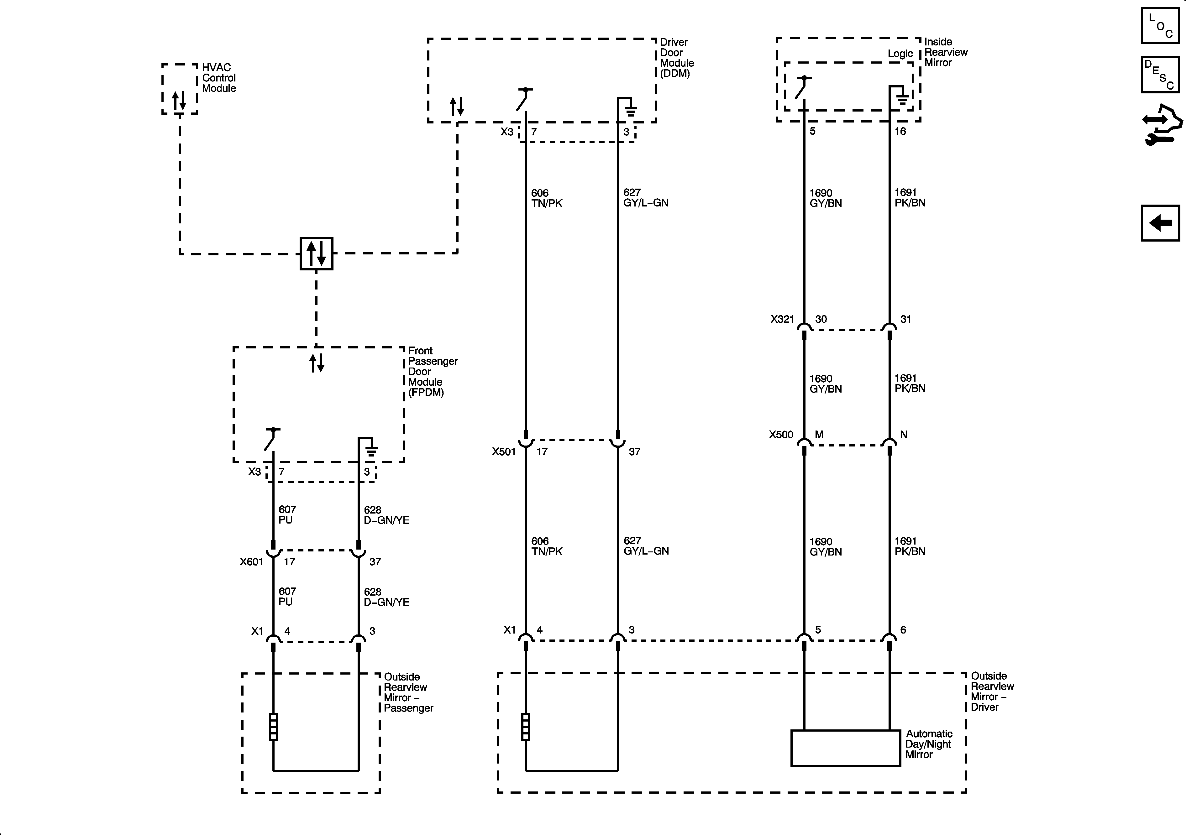
Heated Mirrors w/DR2
Figure
3:
Heated Mirrors w/DR2
Master Electrical Component List
Outside Mirror Description and Operation (Heated Mirrors)
Control Module References
Passenger Outside Rearview Mirror