GM Service Manual Online
For 1990-2009 cars only
Makes
🢒
Buick
🢒
2008
🢒
Lucerne
🢒
Diagnostic Navigation
🢒
Vehicle Diagnostic Information
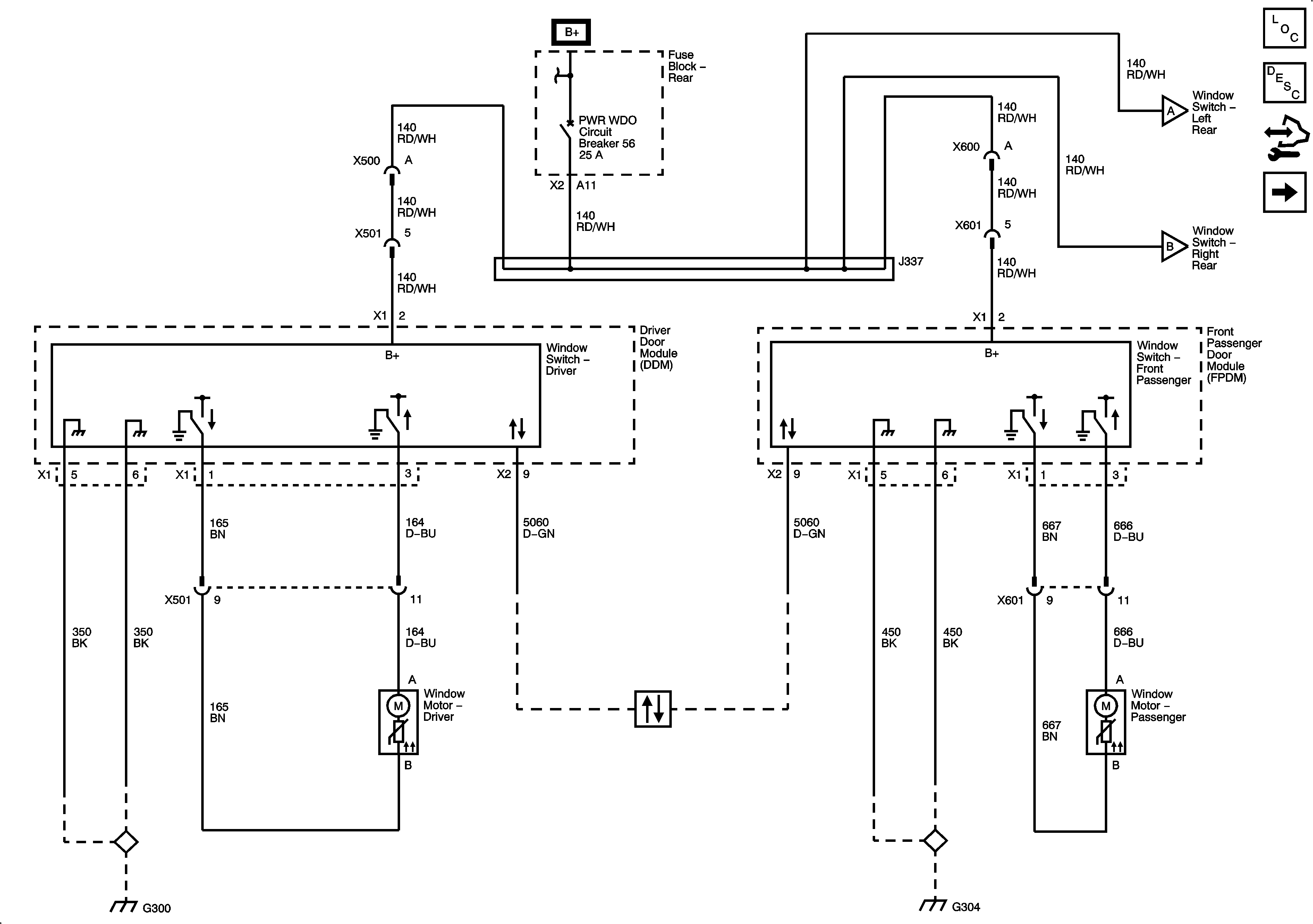
🢒 Moveable Window Schematics
Figure
1:
Front Window Switches and Motors
Master Electrical Component List
Power Windows Description and Operation
Control Module References
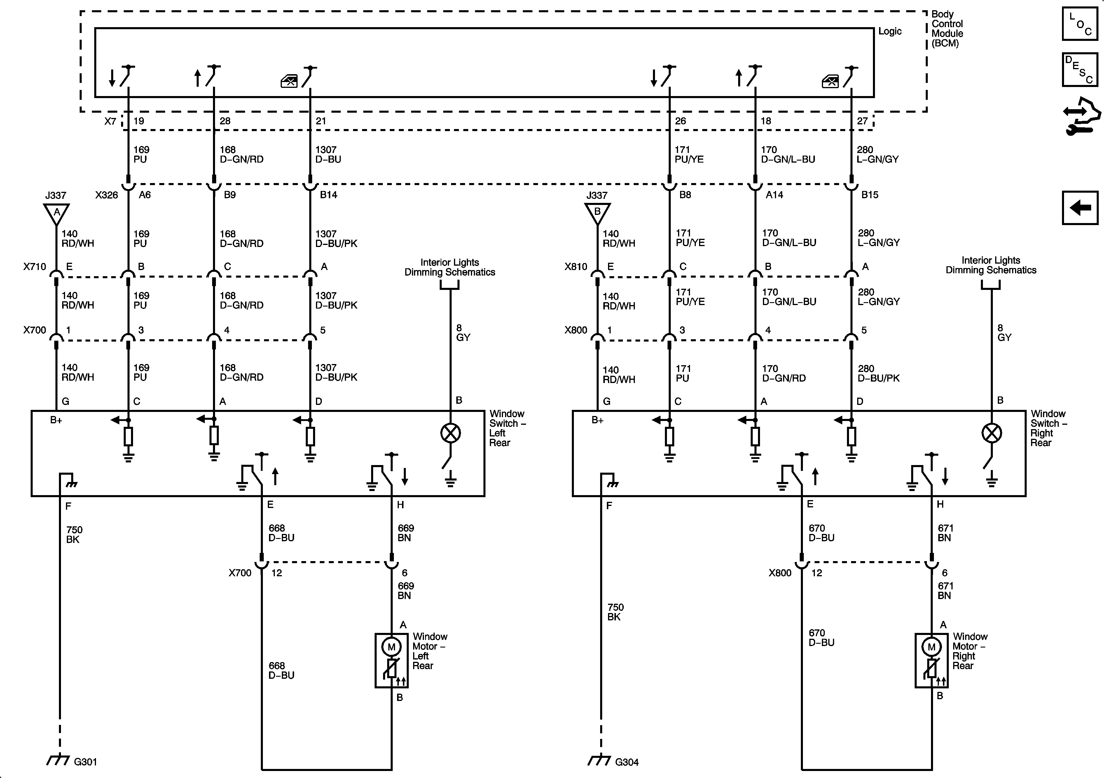
Rear Window Switches and Motors
Figure
2:
Rear Window Switches and Motors
Master Electrical Component List
Power Windows Description and Operation
Control Module References
Front Window Switches and Motors