GM Service Manual Online
For 1990-2009 cars only
Figure 1:

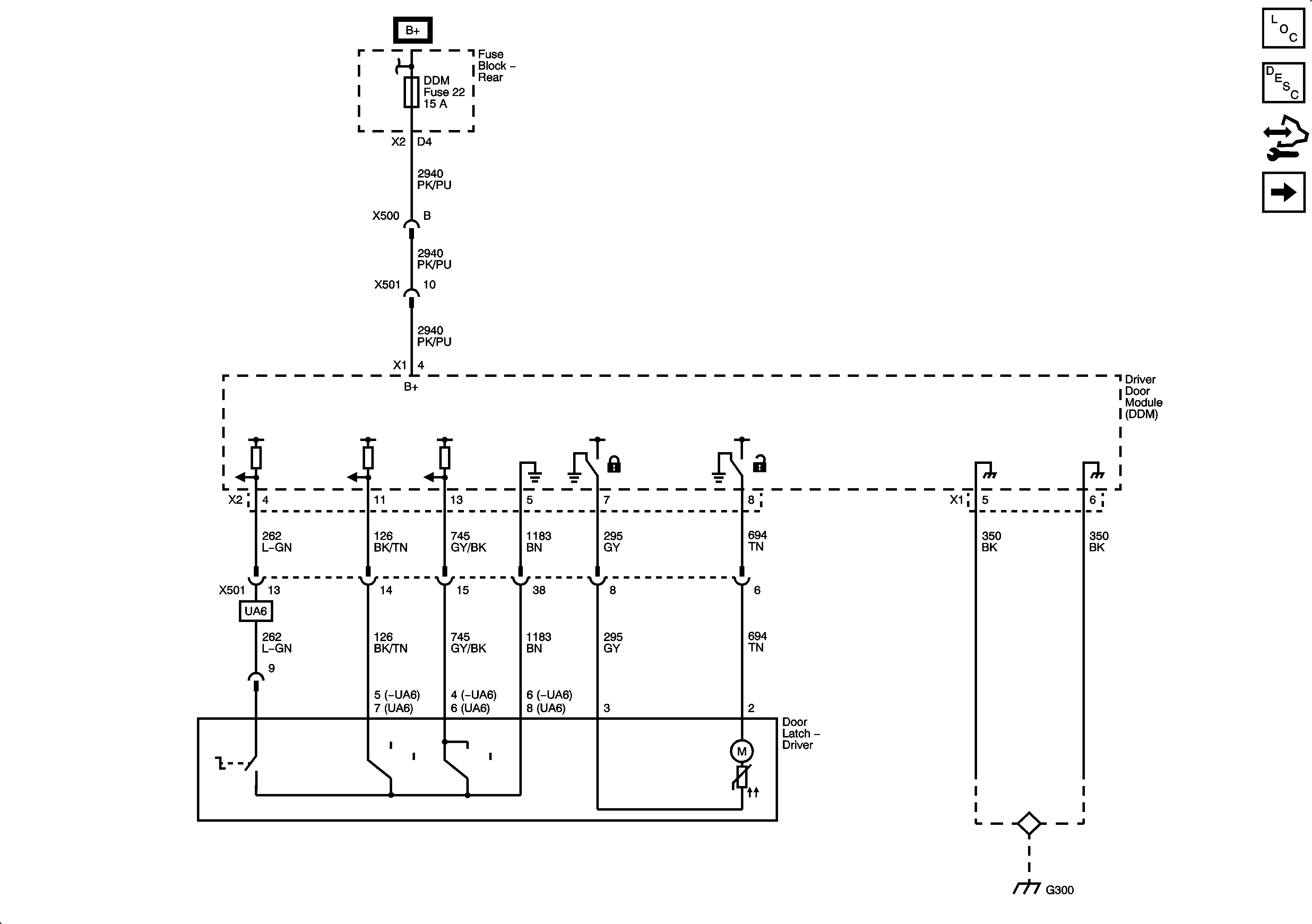
Driver Door Module Power and Ground


Object Number: 1886583  Size: FS
Master Electrical Component List
Power Door Locks Description and Operation
Control Module References
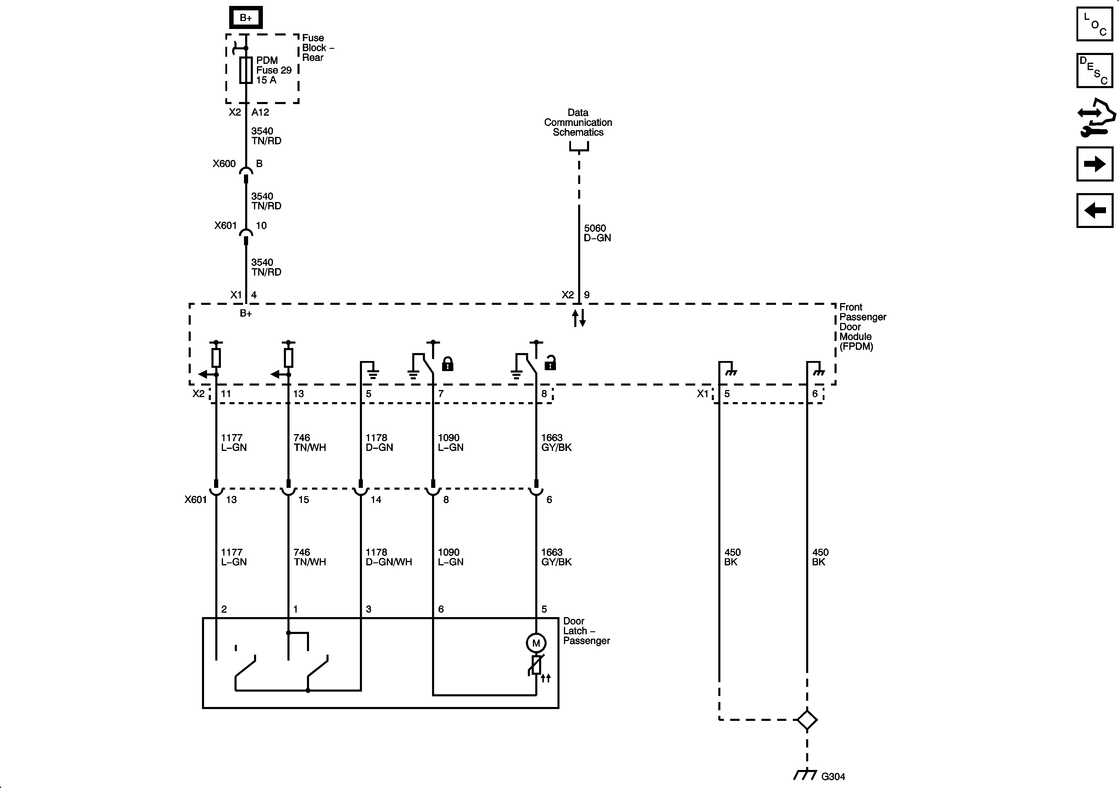
Front Passenger Door Module Power and Ground
Figure 2:

Front Passenger Door Module Power and Ground


Object Number: 1886585  Size: FS
Master Electrical Component List
Power Door Locks Description and Operation
Control Module References
Driver Door Module Power and Ground
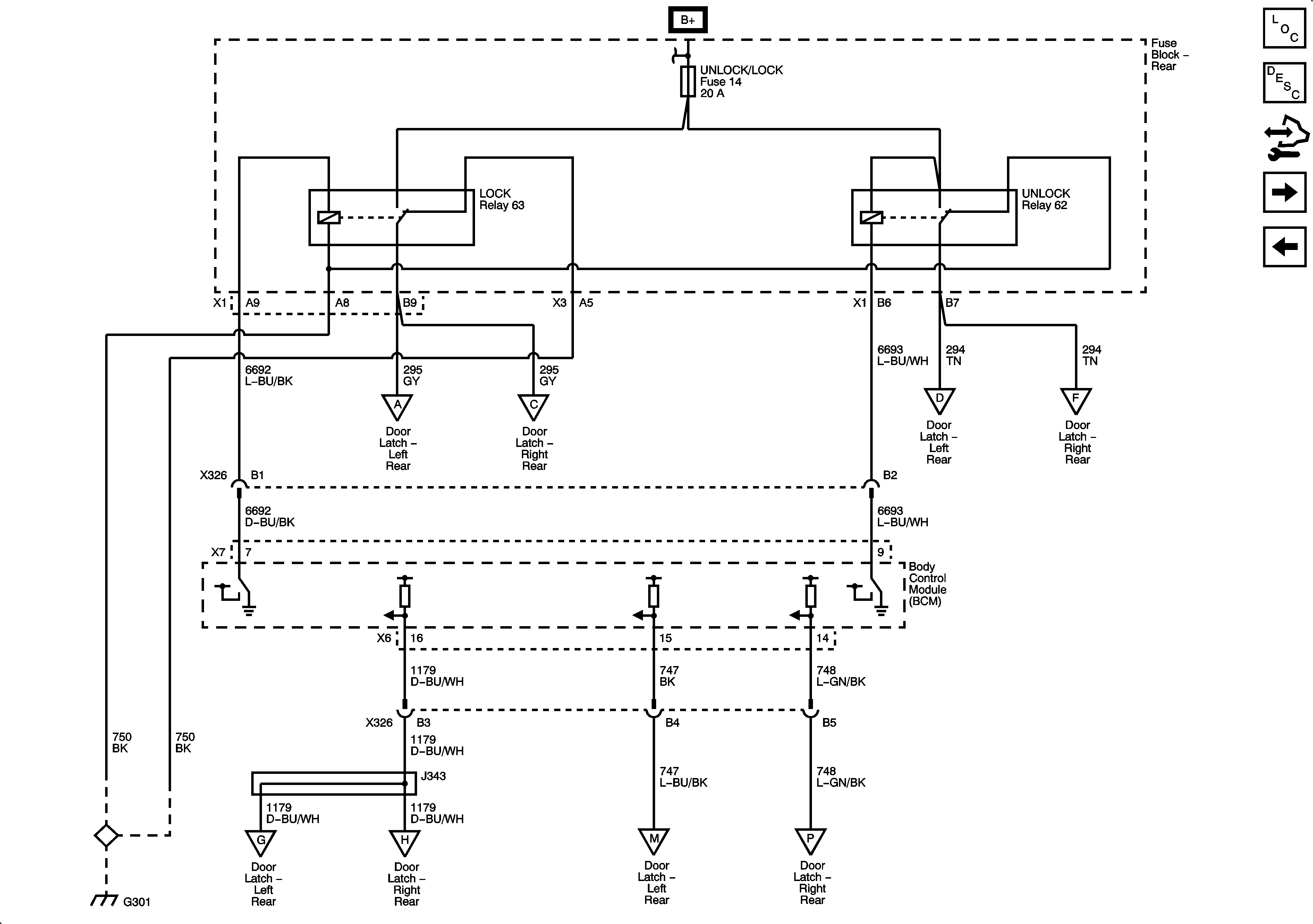
Door Lock, Unlock Relays
Figure 3:

Door Lock, Unlock Relays


Object Number: 1886589  Size: FS
Master Electrical Component List
Power Door Locks Description and Operation
Control Module References
Front Passenger Door Module Power and Ground
Rear Door Latch Assemblies
Figure 4:

Rear Door Latch Assemblies


Object Number: 1886591  Size: FS
Master Electrical Component List
Power Door Locks Description and Operation
Control Module References
Door Lock, Unlock Relays