GM Service Manual Online
For 1990-2009 cars only
Figure 1:

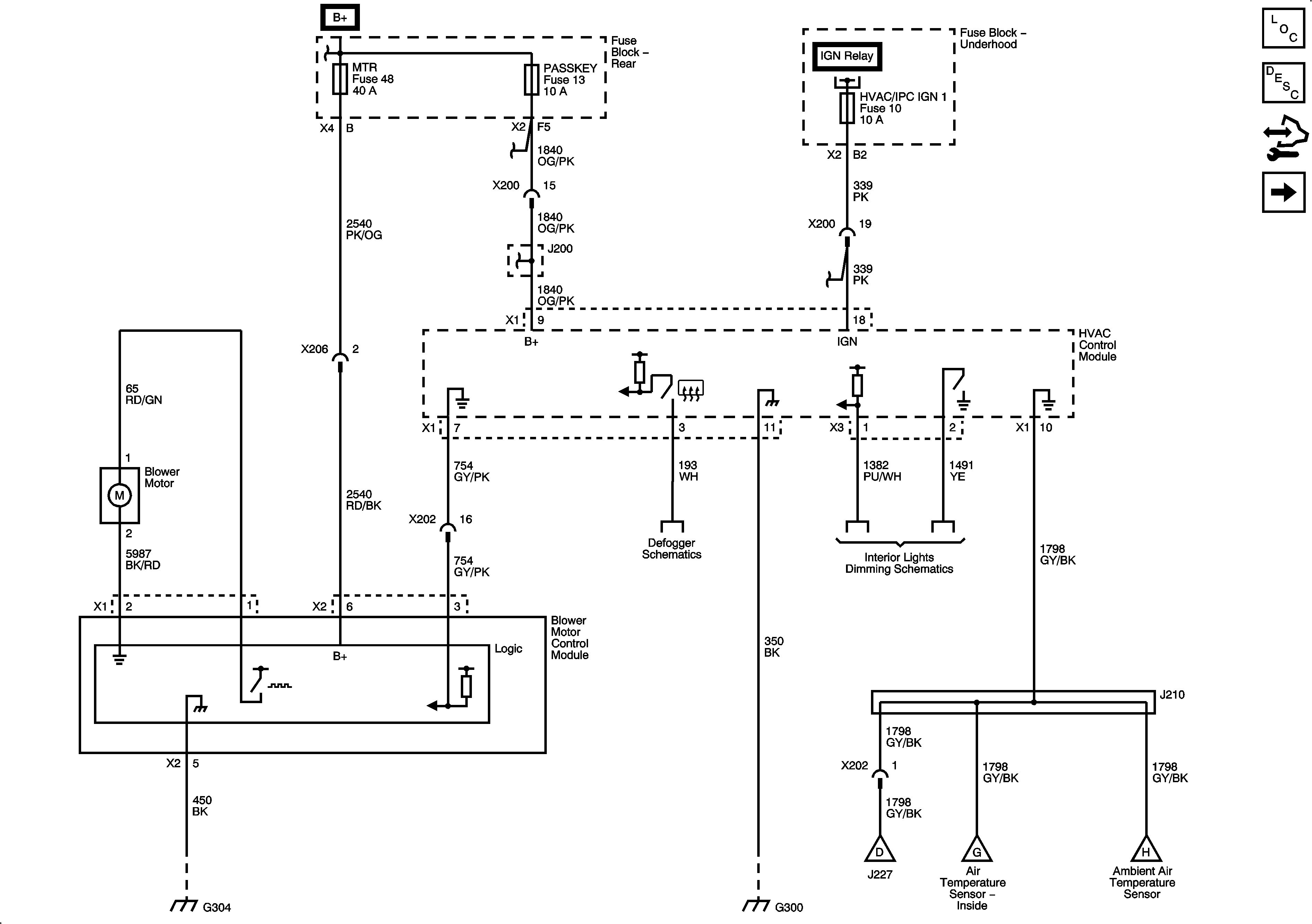
Power, Ground, Blower Motor Controls


Object Number: 1886290  Size: FS
Master Electrical Component List
Air Delivery Description and Operation
Control Module References
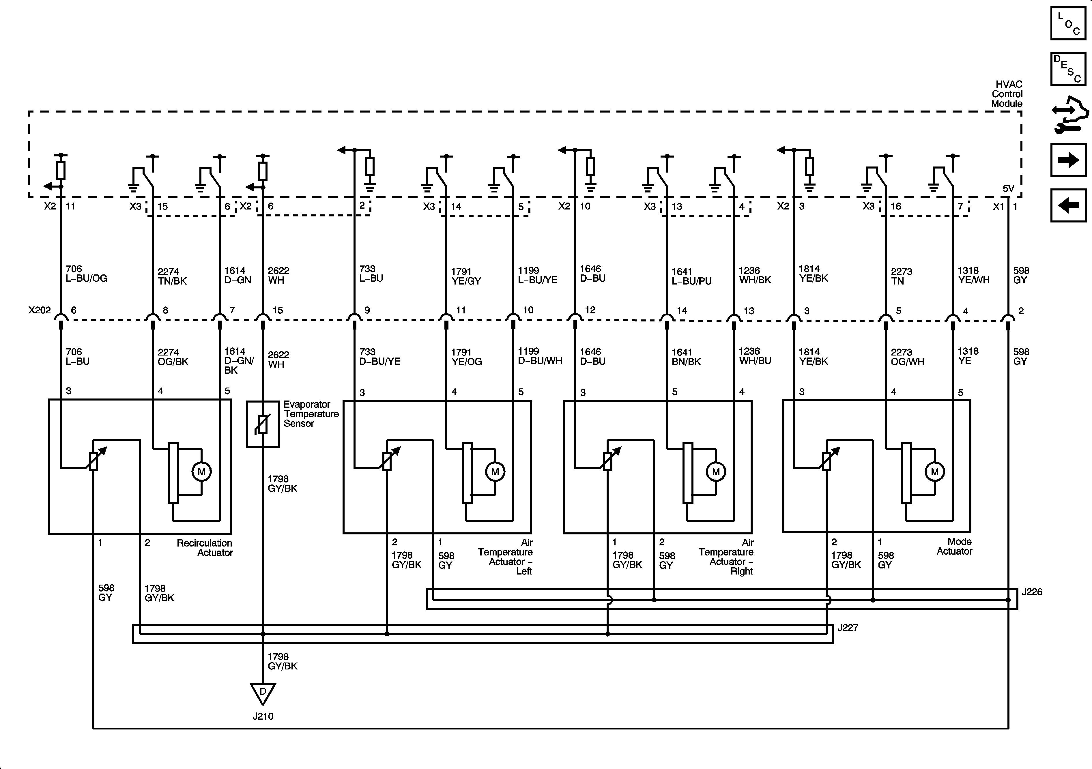
Mode and Air Temperature Controls
Figure 2:

Mode and Air Temperature Controls


Object Number: 1886293  Size: FS
Master Electrical Component List
Air Delivery Description and Operation
Control Module References
Power, Ground, Blower Motor Controls
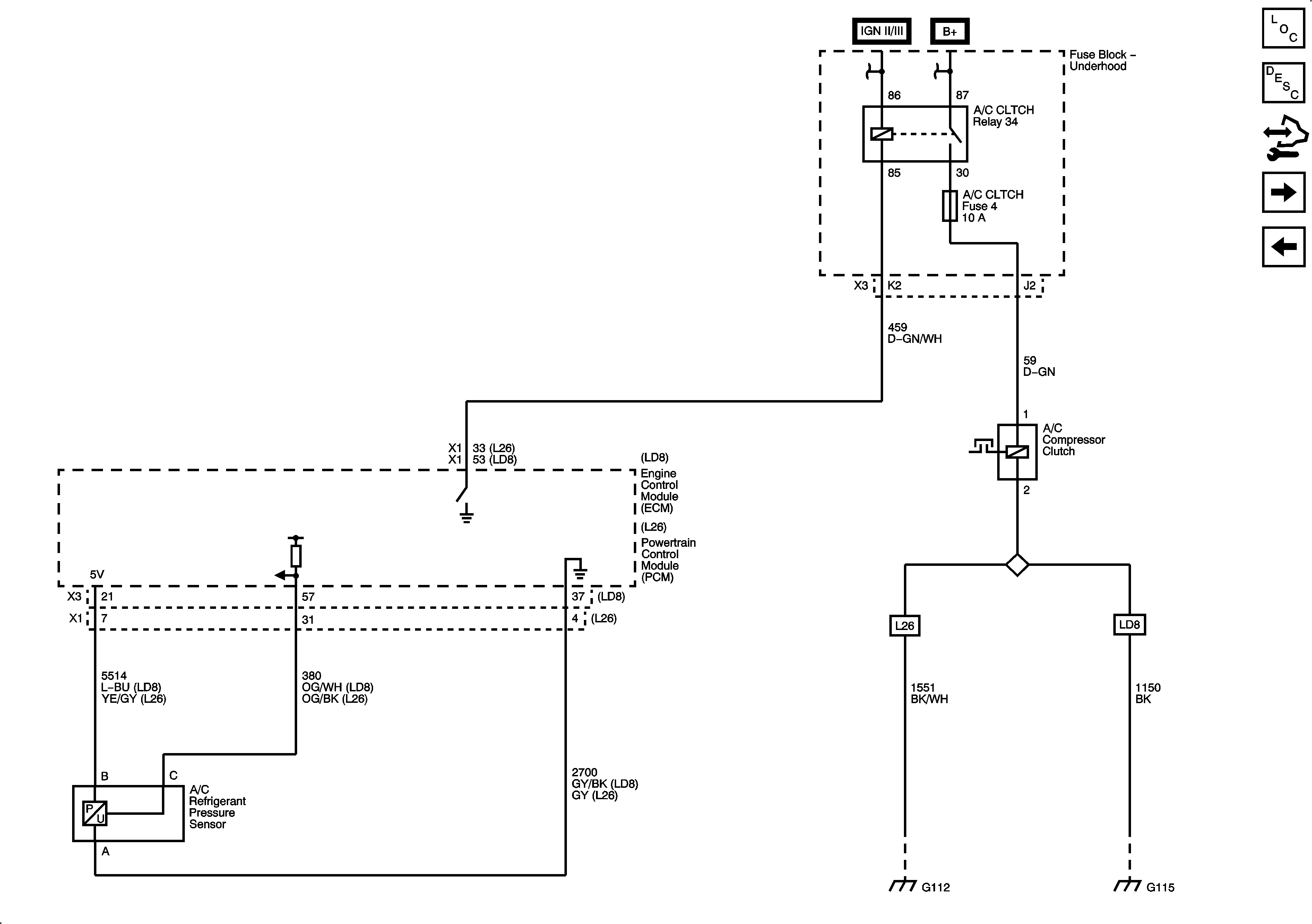
Compressor Controls
Figure 3:

Compressor Controls


Object Number: 1886296  Size: FS
Master Electrical Component List
Air Delivery Description and Operation
Control Module References
Mode and Air Temperature Controls
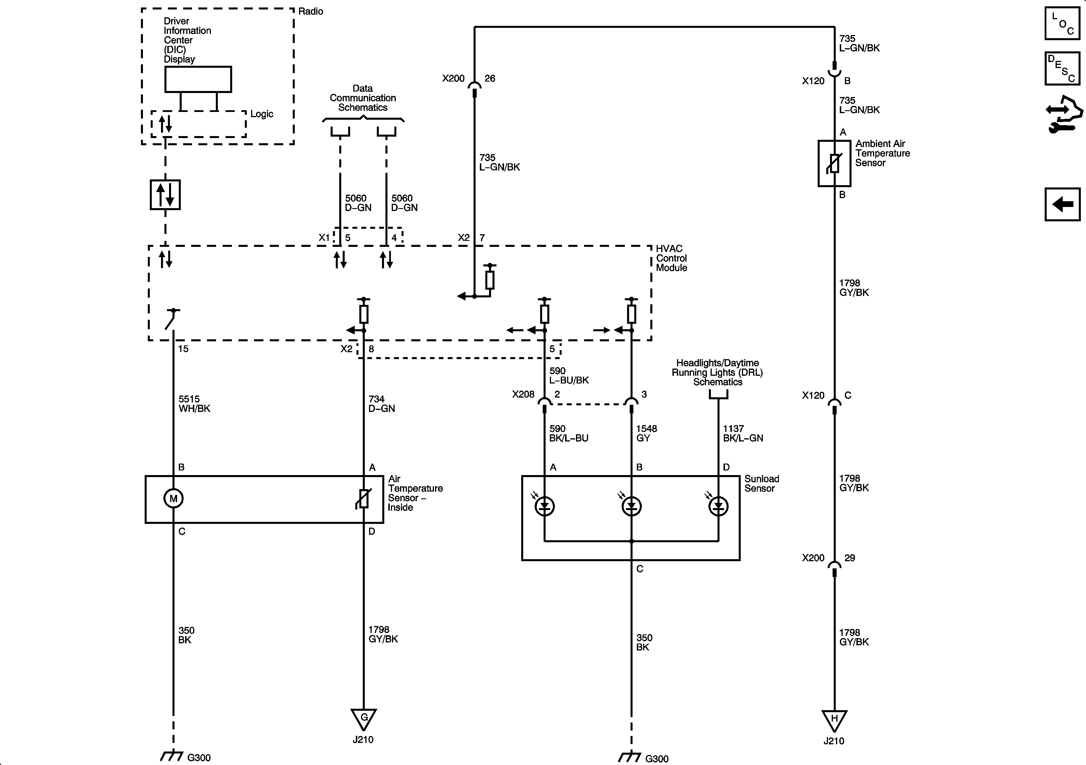
Air Temperature Controls
Figure 4:

Air Temperature Sensors


Object Number: 1886301  Size: FS
Master Electrical Component List
Air Delivery Description and Operation
Control Module References
Compressor Controls