GM Service Manual Online
For 1990-2009 cars only
Makes
🢒
Buick
🢒
2008
🢒
Lucerne
🢒
Diagnostic Navigation
🢒
Vehicle Diagnostic Information
🢒 Headlights/Daytime Running Lights (DRL) Schematics
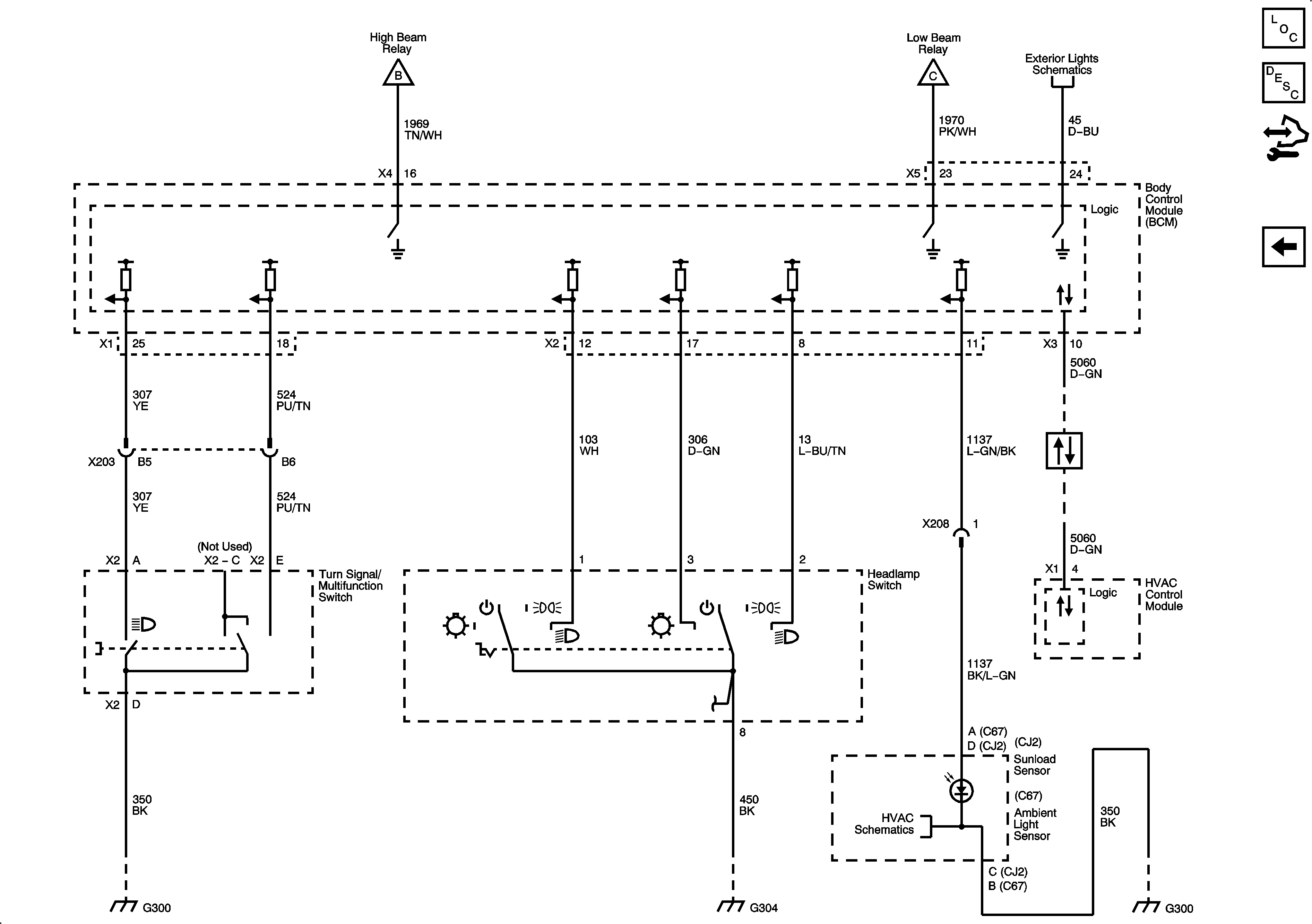
Figure
1:
Headlamps
Master Electrical Component List
Exterior Lighting Systems Description and Operation
Control Module References
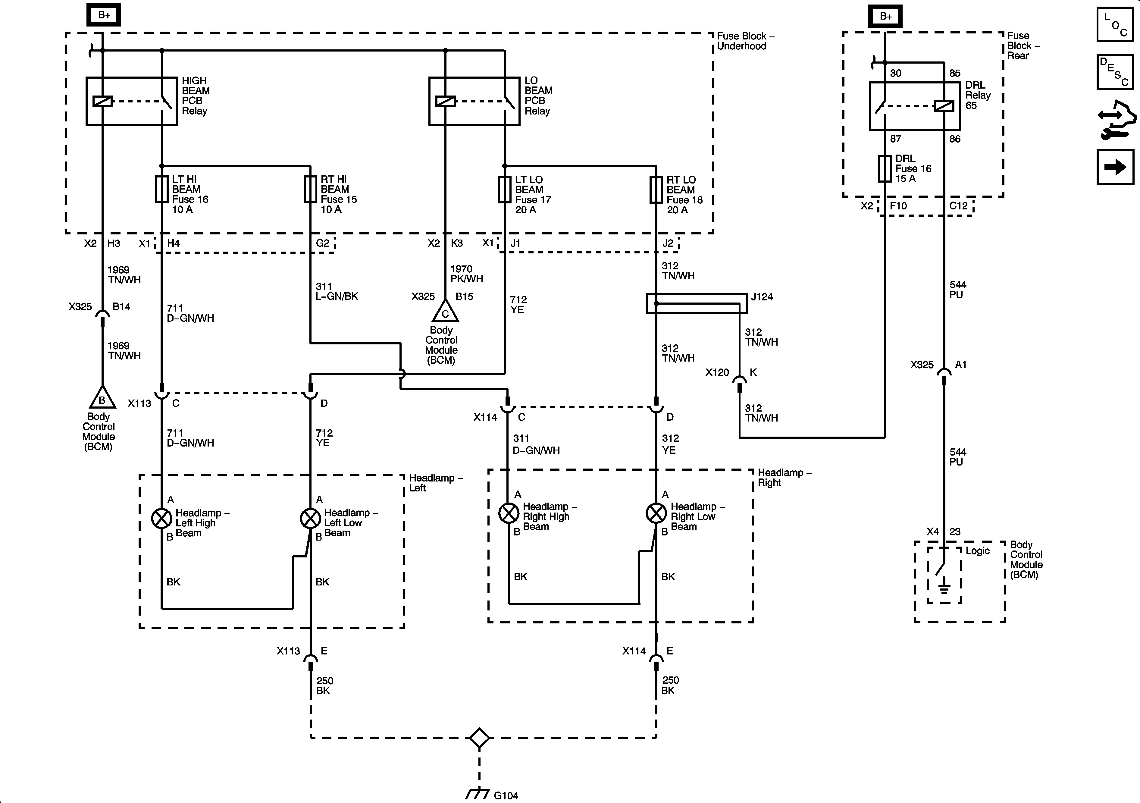
Headlamp Switch
Figure
2:
Headlamp Switch
Master Electrical Component List
Exterior Lighting Systems Description and Operation
Control Module References
Headlamps