GM Service Manual Online
For 1990-2009 cars only
Figure 1:

Hazard, Headlamp, Driver Information Display Switches, Ashtray, HVAC Control Module, Radio


Object Number: 1886556  Size: FS
Master Electrical Component List
Interior Lighting Systems Description and Operation
Control Module References
Traction Control, Sunroof Switches, Reverse Lockout Solenoid, Garage Door Opener
Figure 2:

Traction Control, Sunroof Switches, Reverse Lockout Solenoid, Garage Door Opener


Object Number: 1886560  Size: FS
Master Electrical Component List
Interior Lighting Systems Description and Operation
Control Module References
Hazard, Headlamp, Driver Information Display Switches, Ashtray, HVAC Control Module, Radio
Window Switches
Figure 3:

Window Switches


Object Number: 1886565  Size: FS
Master Electrical Component List
Interior Lighting Systems Description and Operation
Control Module References
Traction Control, Sunroof Switches, Reverse Lockout Solenoid, Garage Door Opener
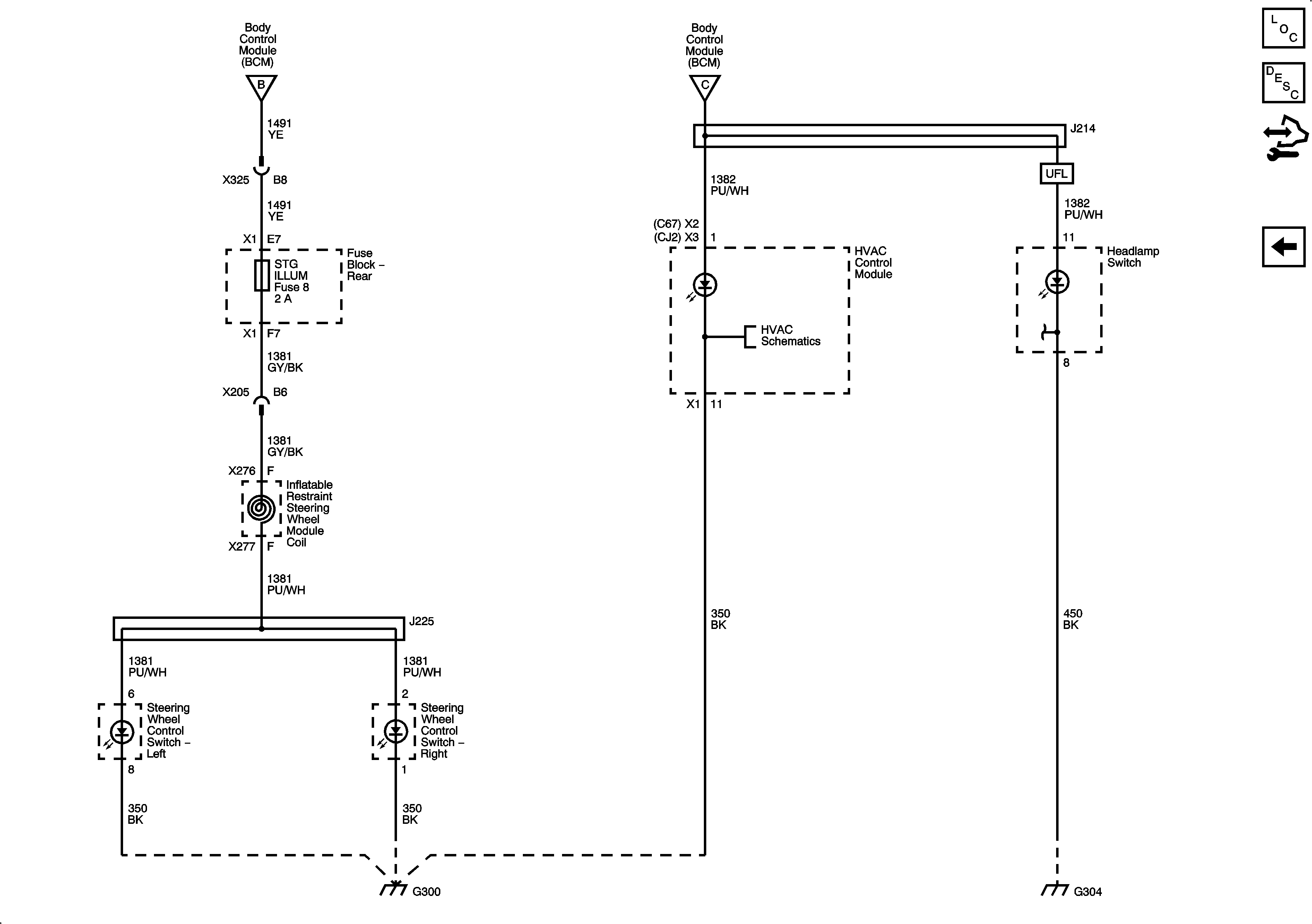
HVAC Control Module, Steering Wheel Switches
Figure 4:

HVAC Control Module, Steering Wheel Switches


Object Number: 1886567  Size: FS
Master Electrical Component List
Interior Lighting Systems Description and Operation
Control Module References
Window Switches