GM Service Manual Online
For 1990-2009 cars only
Makes
🢒
Buick
🢒
2008
🢒
Lucerne
🢒
Diagnostic Navigation
🢒
Vehicle Diagnostic Information
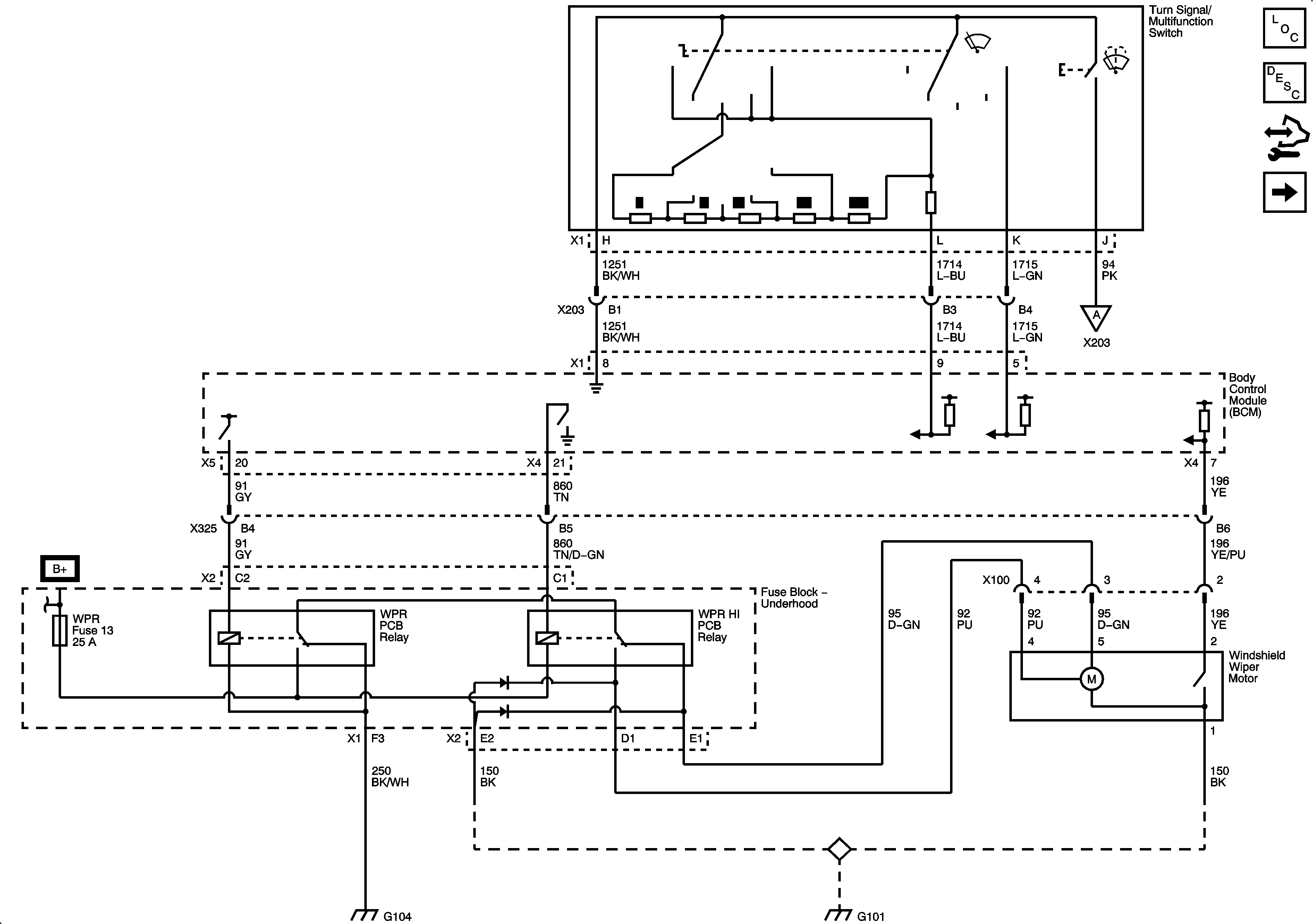
🢒 Wiper/Washer Schematics
Figure
1:
Wiper Motor Power and Ground
Master Electrical Component List
Wiper/Washer System Description and Operation (Wiper and Washers)
Control Module References
Outside Moisture Sensor and Windshield Washer Solvent Heater
Figure
2:
Outside Moisture Sensor and Windshield Washer Solvent Heater
Master Electrical Component List
Wiper/Washer System Description and Operation (Heated Washer System)
Control Module References
Wiper Motor Power and Ground