GM Service Manual Online
For 1990-2009 cars only
Makes
🢒
Buick
🢒
2008
🢒
Lucerne
🢒
Diagnostic Navigation
🢒
Vehicle Diagnostic Information
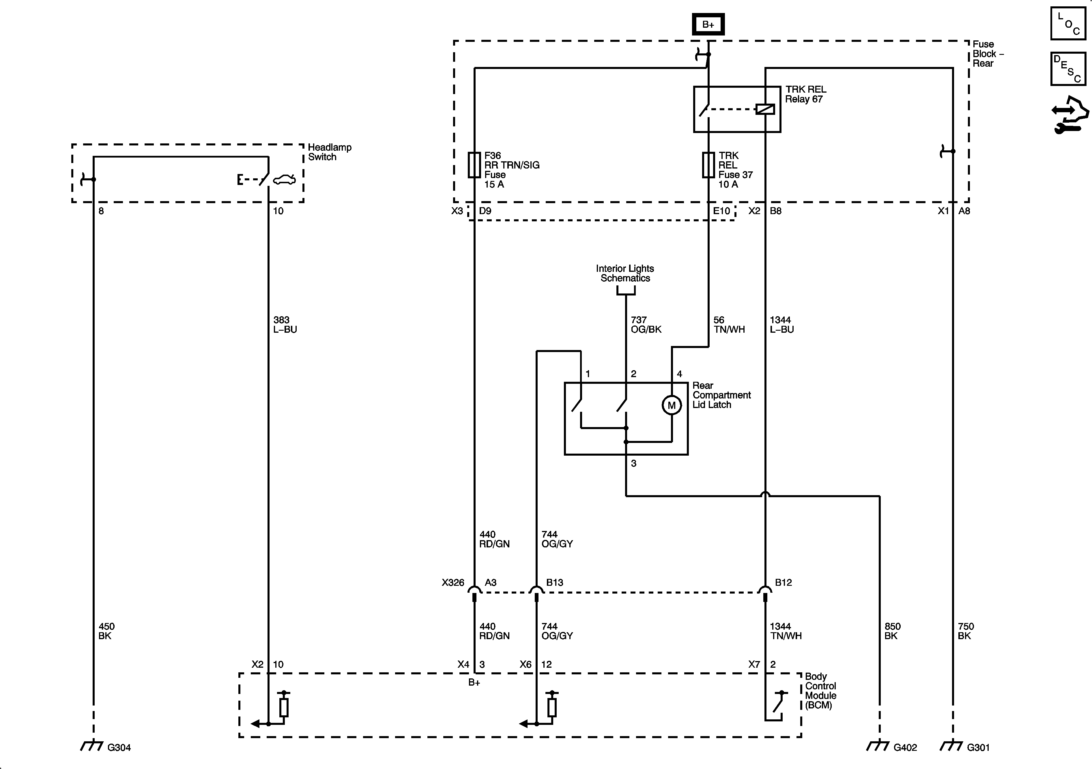
🢒 Release Systems Schematics
Trunk Release and Rear Compartment Latch
Master Electrical Component List
Luggage Compartment Description and Operation
Control Module References