GM Service Manual Online
For 1990-2009 cars only
Figure 1:

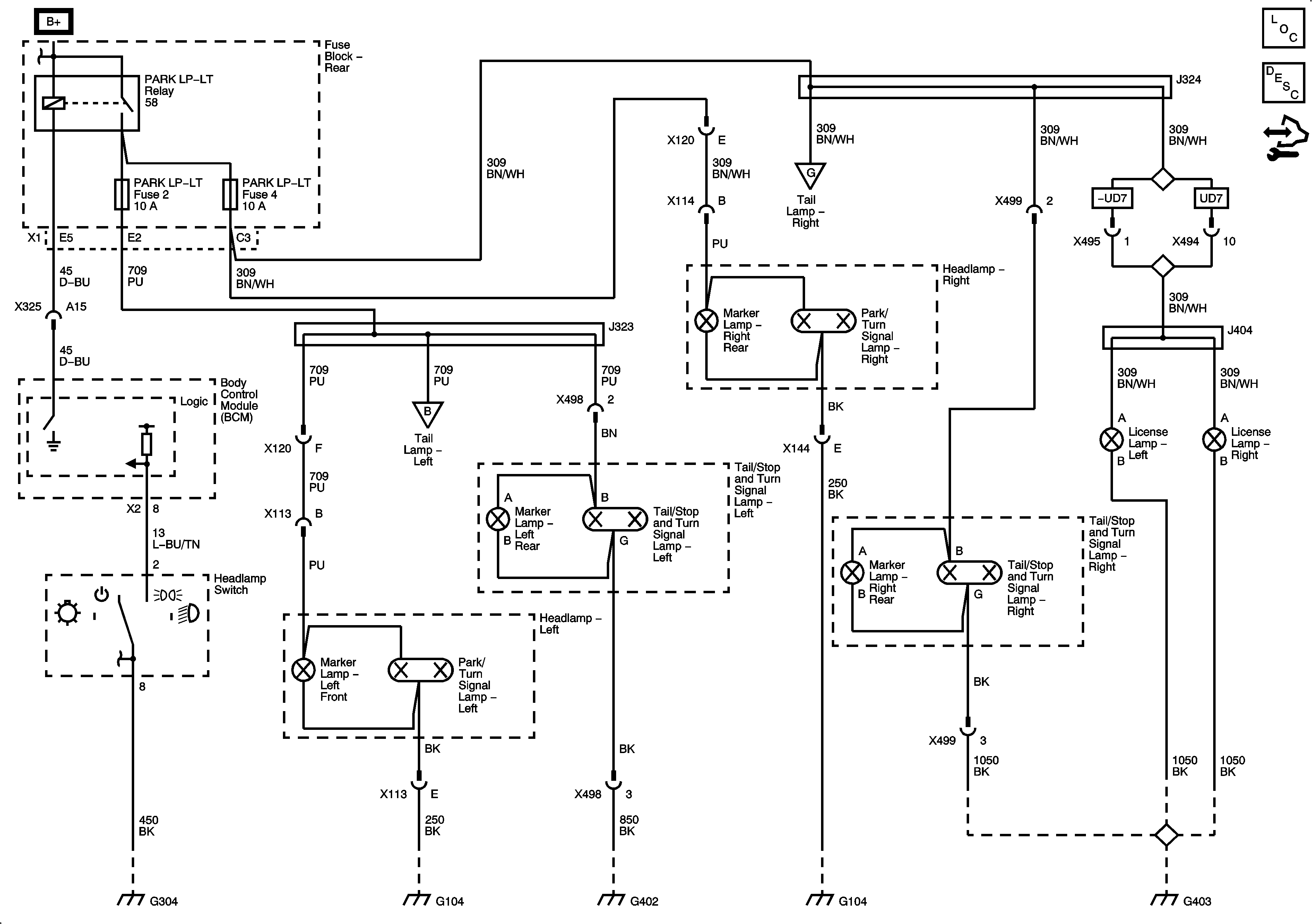
Front Park, Marker Lamps


Object Number: 1886543  Size: FS
Master Electrical Component List
Exterior Lighting Systems Description and Operation
Control Module References
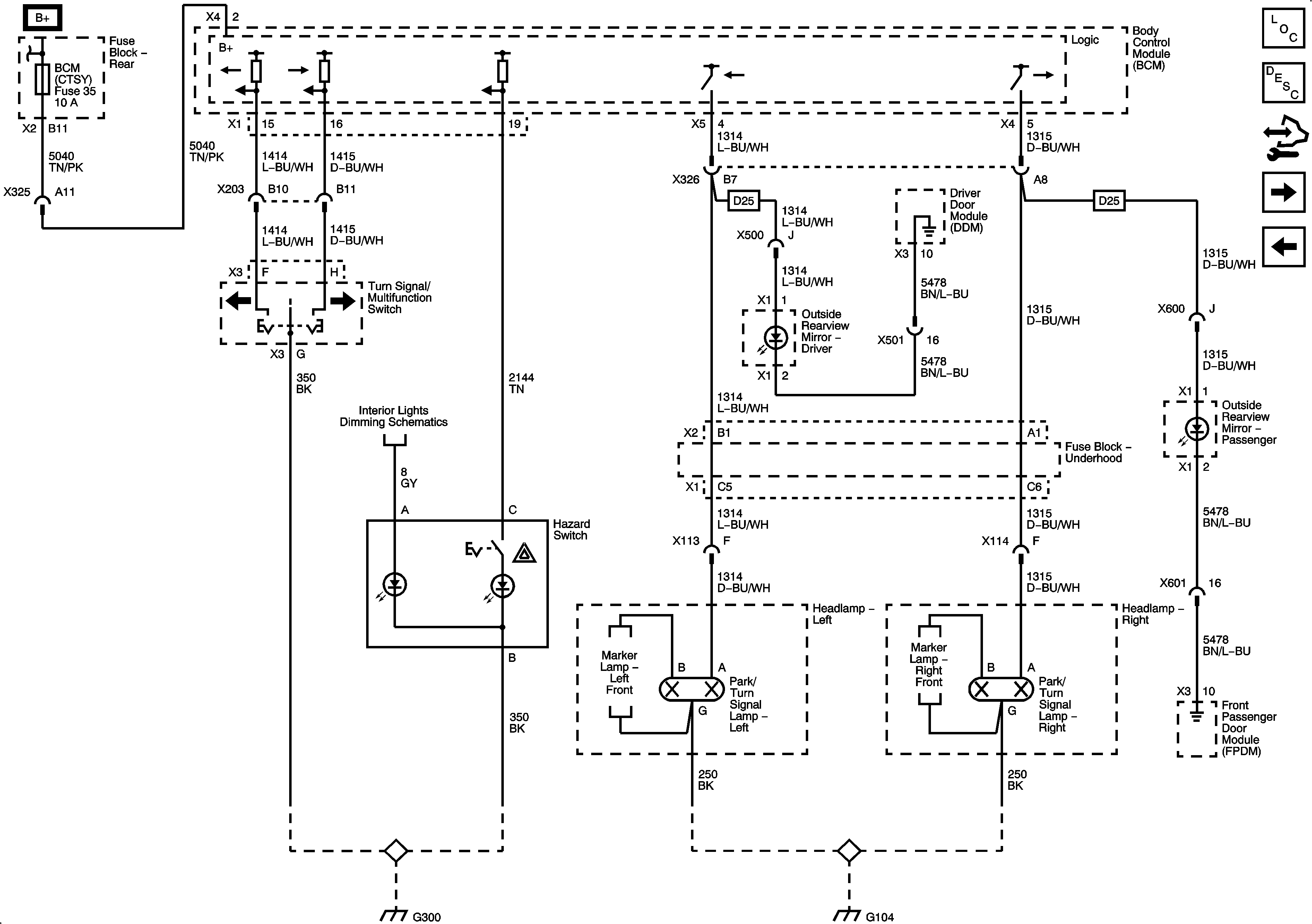
Front Turn Signal/Hazard Lamps
Figure 2:

Front Turn Signal/Hazard Lamps


Object Number: 1886545  Size: FS
Master Electrical Component List
Exterior Lighting Systems Description and Operation
Control Module References
Front Park, Marker Lamps
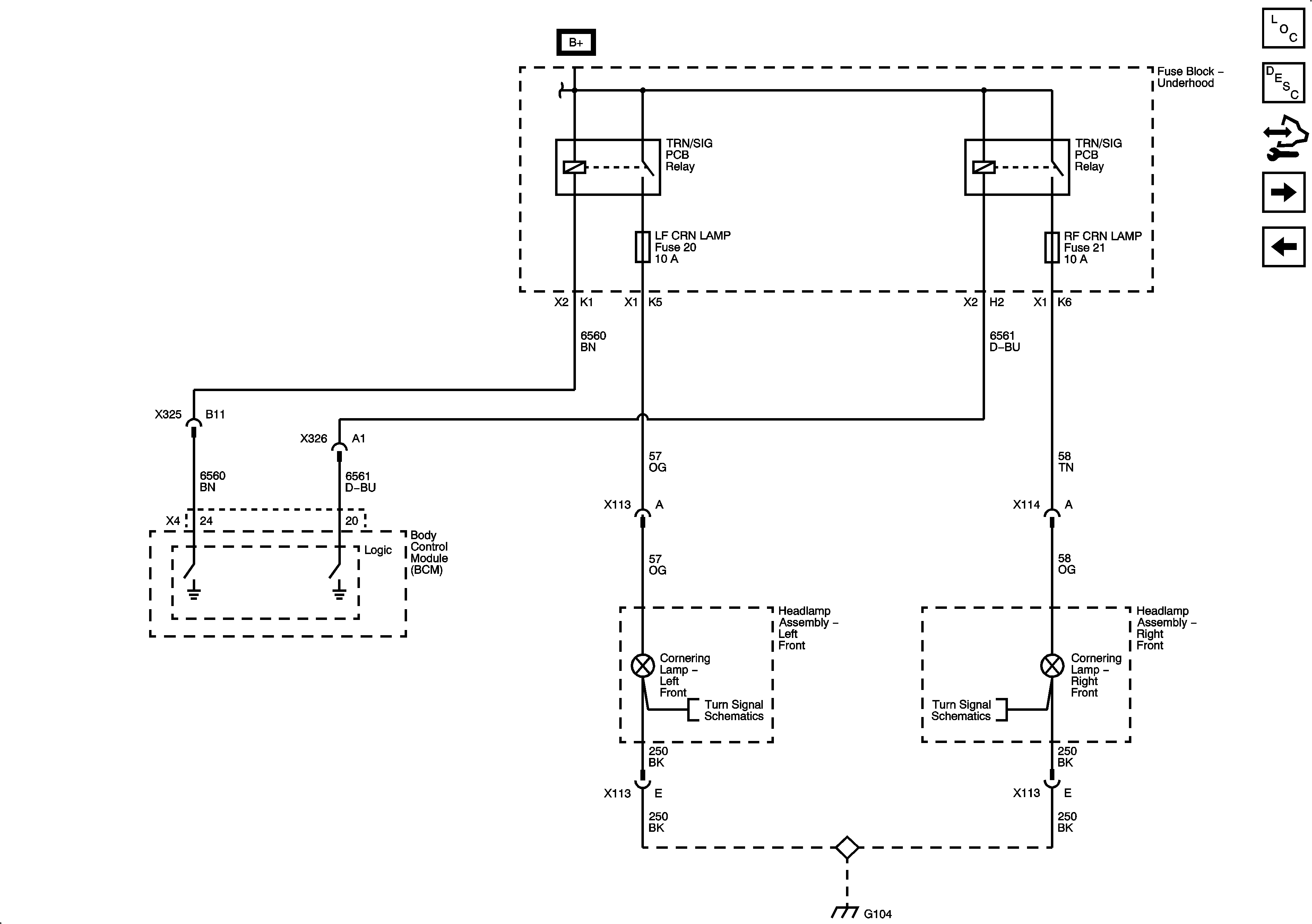
Cornering Lamps
Figure 3:

Cornering Lamps


Object Number: 1886547  Size: FS
Master Electrical Component List
Exterior Lighting Systems Description and Operation
Control Module References
Front Turn Signal/Hazard Lamps
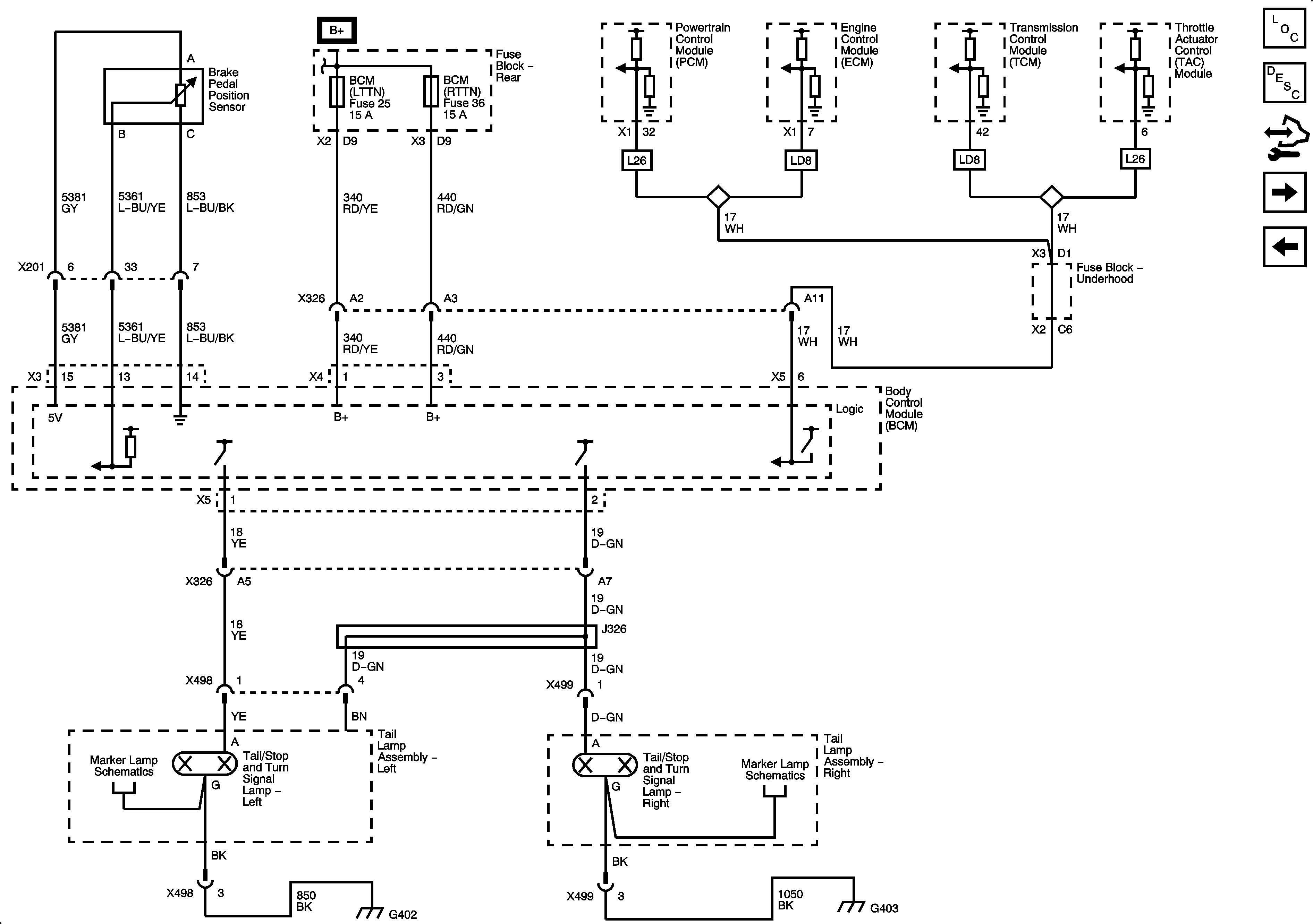
Rear Stop/Turn Signal Lamps
Figure 4:

Rear Stop/Turn Signal Lamps


Object Number: 1886549  Size: FS
Master Electrical Component List
Exterior Lighting Systems Description and Operation
Control Module References
Cornering Lamps
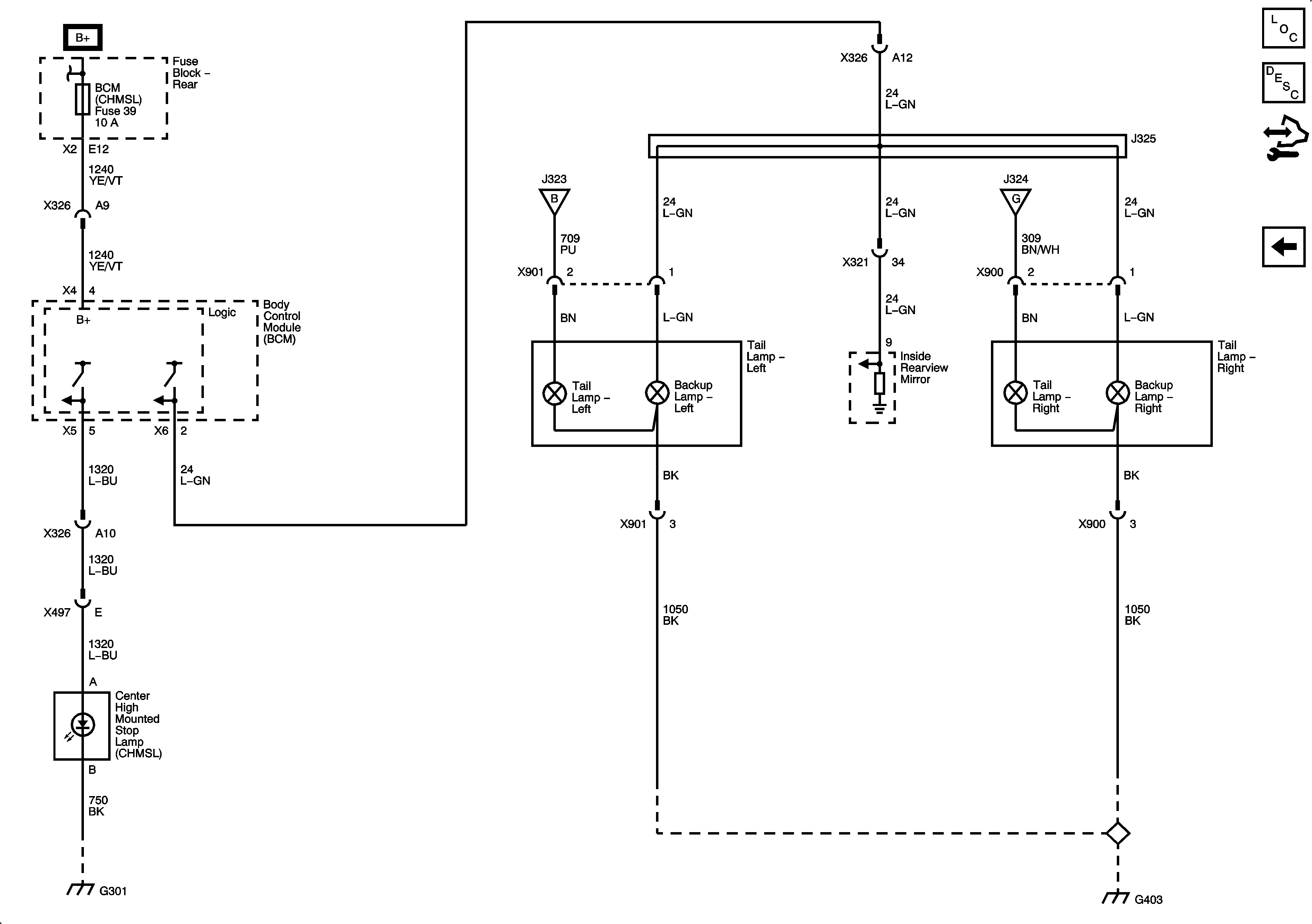
Center High Mounted Stop Lamp, Auxiliary Tail Lamps
Figure 5:

Center High Mounted Stop Lamp, Auxiliary Tail Lamps


Object Number: 1886551  Size: FS
Master Electrical Component List
Exterior Lighting Systems Description and Operation
Control Module References
Rear Stop/Turn Signal Lamps