GM Service Manual Online
For 1990-2009 cars only
Figure 1:

Radio Power and Ground


Object Number: 1886703  Size: FS
Master Electrical Component List
Radio/Audio System Description and Operation
Control Module References
Amplifier (UQA)
Figure 2:

Amplifier (UQA)


Object Number: 1886705  Size: FS
Master Electrical Component List
Radio/Audio System Description and Operation
Control Module References
Radio Power and Ground
Speakers (UQA)
Figure 3:

Speakers (UQA)


Object Number: 1886709  Size: FS
Master Electrical Component List
Radio/Audio System Description and Operation
Control Module References
Amplifier (UQA)
Speakers (UQ3)
Figure 4:

Speakers (UQ3)


Object Number: 1886714  Size: FS
Master Electrical Component List
Radio/Audio System Description and Operation
Control Module References
Speakers (UQA)
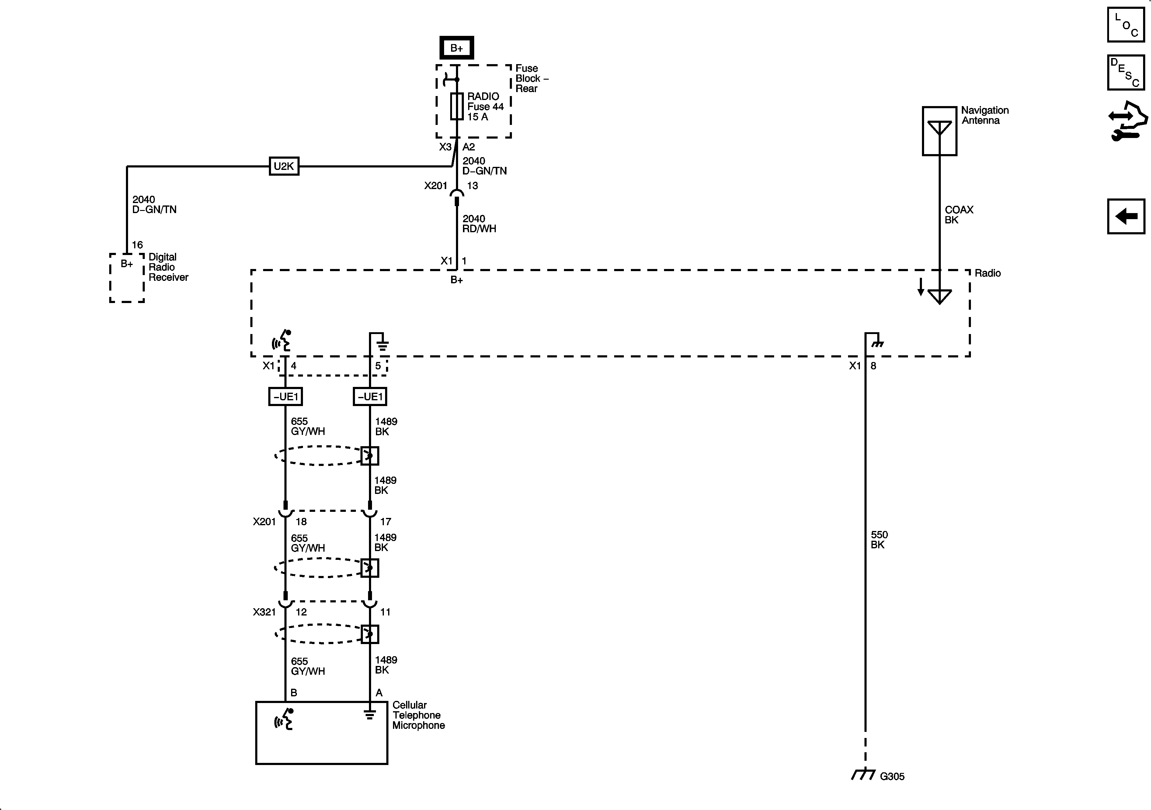
Radio w/o UE1
Figure 5:

Radio w/o UE1


Object Number: 1886720  Size: FS
Master Electrical Component List
Radio/Audio System Description and Operation
Control Module References
Speakers (UQ3)