GM Service Manual Online
For 1990-2009 cars only
Makes
🢒
Buick
🢒
2008
🢒
Lucerne
🢒
Power and Signal Distribution
🢒
Data Communications
🢒 Remote Function Schematics
Figure
1:
Remote Control Door Lock Receiver (RCDLR)
Master Electrical Component List
Keyless Entry System Description and Operation without Accessory 2 Way Remote
Control Module References
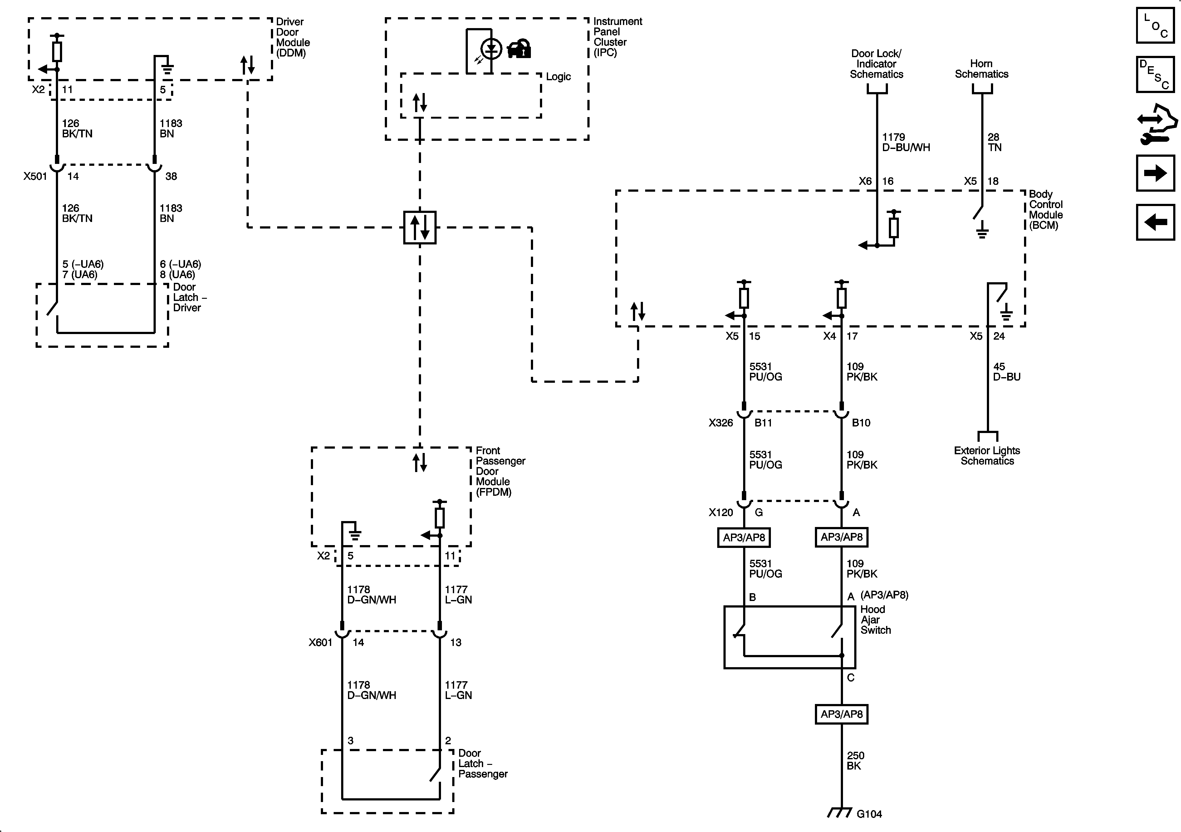
Door Latch Assemblies and Hood Ajar Switch
Figure
2:
Door Latch Assemblies and Hood Ajar Switch
Master Electrical Component List
Keyless Entry System Description and Operation without Accessory 2 Way Remote
Control Module References
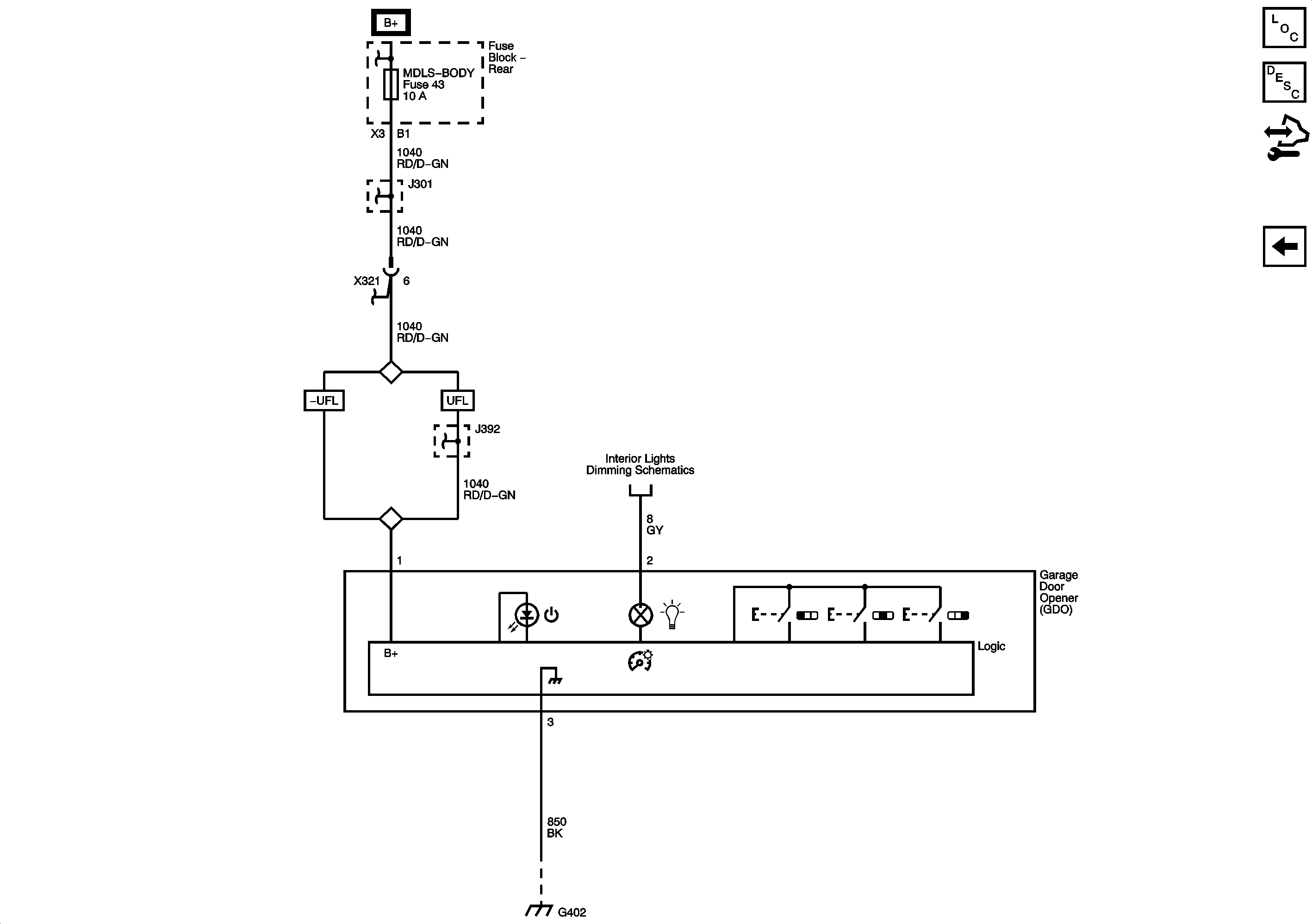
Garage Door Opener
Remote Control Door Lock Receiver (RCDLR)
Figure
3:
Garage Door Opener
Master Electrical Component List
Garage Door Opener Description and Operation
Control Module References
Door Latch Assemblies and Hood Ajar Switch