GM Service Manual Online
For 1990-2009 cars only
Makes
🢒
Buick
🢒
2008
🢒
Lucerne
🢒
Power and Signal Distribution
🢒
Wiring Systems and Power Management
🢒 Power Moding Schematics
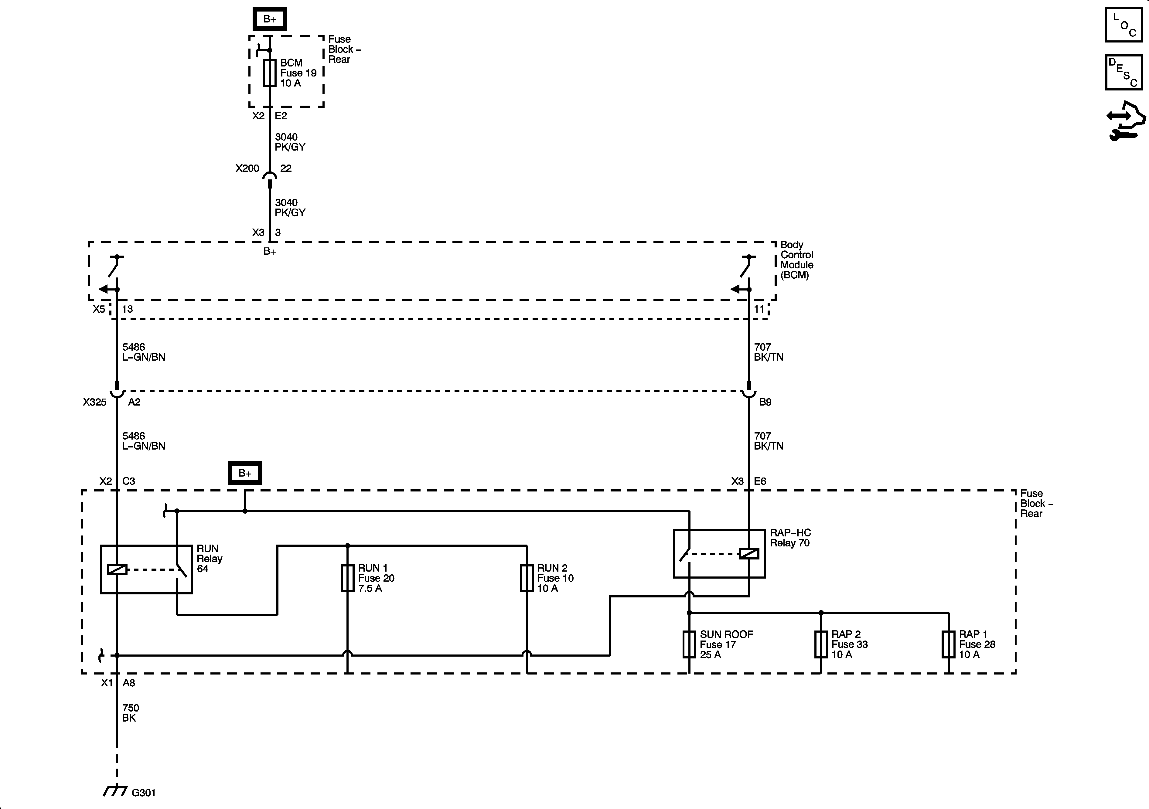
Figure
1:
IGN I/II
Master Electrical Component List
Power Mode Description and Operation
Control Module References
IGN II/III
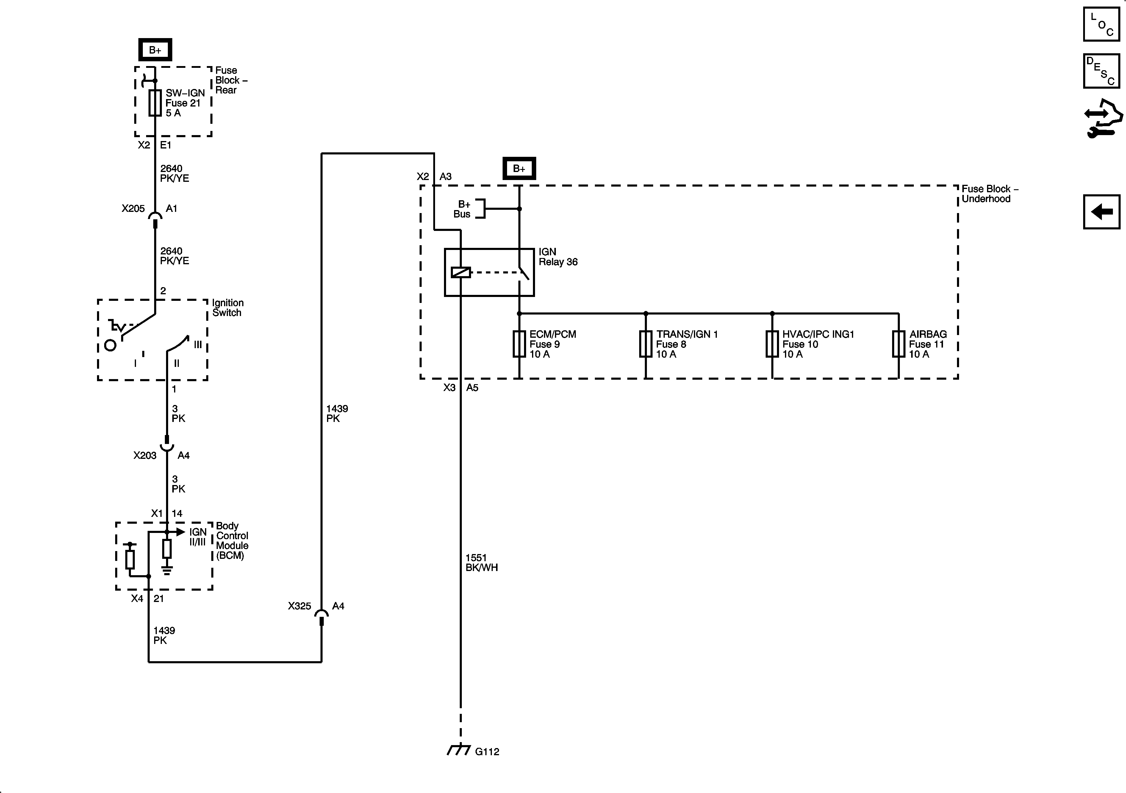
Figure
2:
IGN II/III
Master Electrical Component List
Power Mode Description and Operation
Control Module References
IGN I/II