GM Service Manual Online
For 1990-2009 cars only
Figure 1:

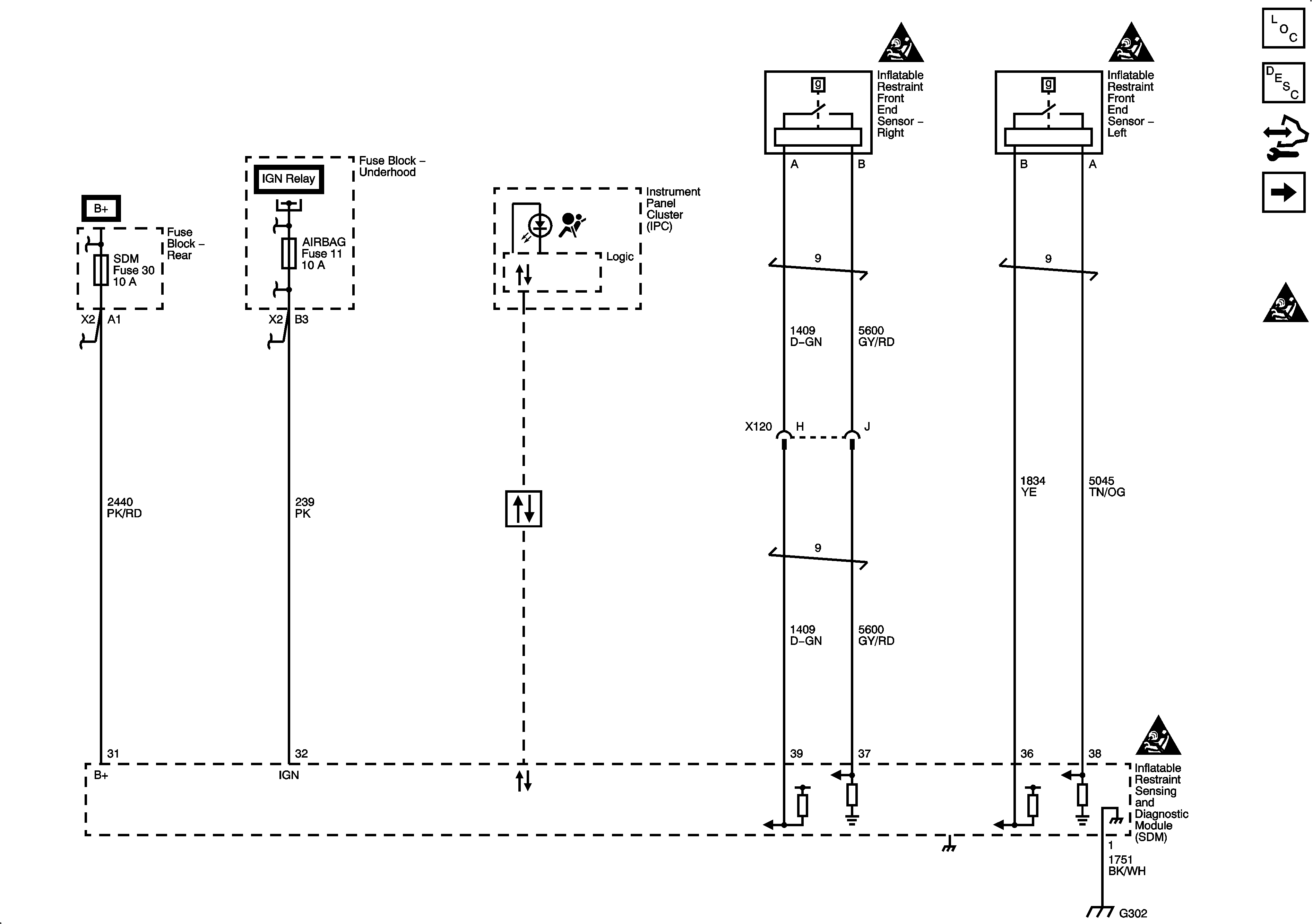
Indicators, Power, Ground, Front End Sensors


Object Number: 1886669  Size: FS
Master Electrical Component List
SIR System Description and Operation
Control Module References
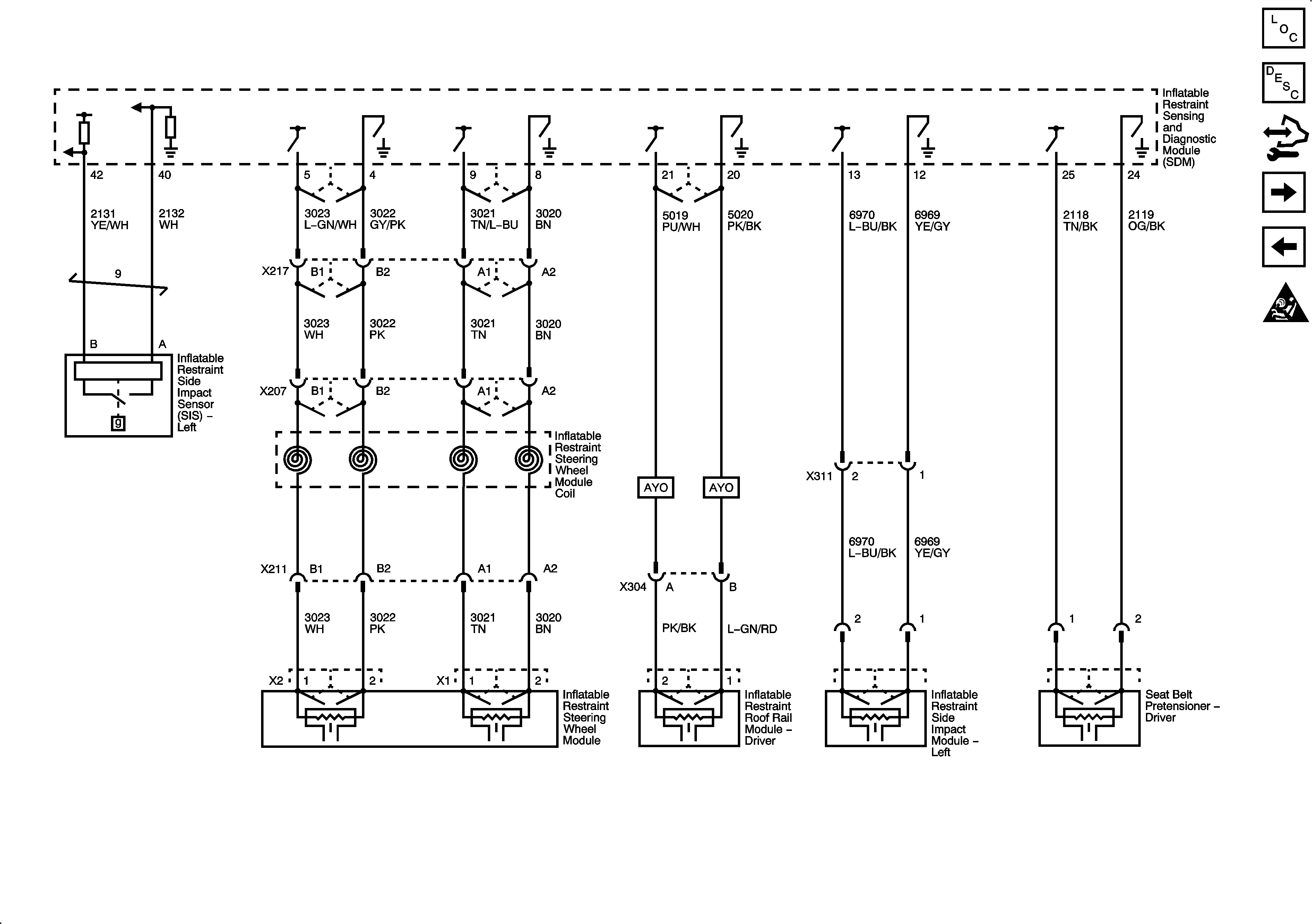
Left Side Impact Sensor and Module, Roof Rail Module, Steering Module, Pretensioner
Figure 2:

Left Side Impact Sensor and Module, Roof Rail Module, Steering Module, Pretensioner


Object Number: 1886674  Size: FS
Master Electrical Component List
SIR System Description and Operation
Control Module References
Indicators, Power, Ground, Front End Sensors
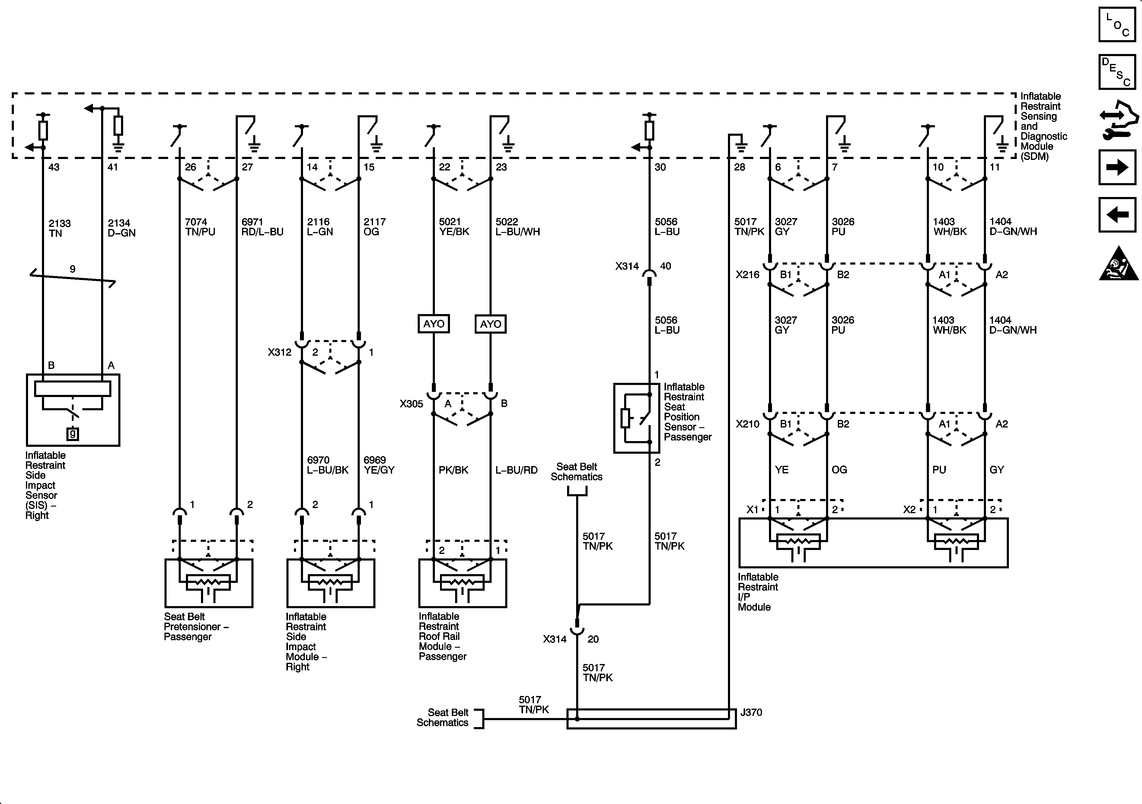
Right Side Impact Sensor and Module, Roof Rail Module, I/P Module, Pretensioner
Figure 3:

Right Side Impact Sensor and Module, Roof Rail Module, I/P Module, Pretensioner


Object Number: 1886677  Size: FS
Master Electrical Component List
SIR System Description and Operation
Control Module References
Left Side Impact Sensor and Module, Roof Rail Module, Steering Module, Pretensioner
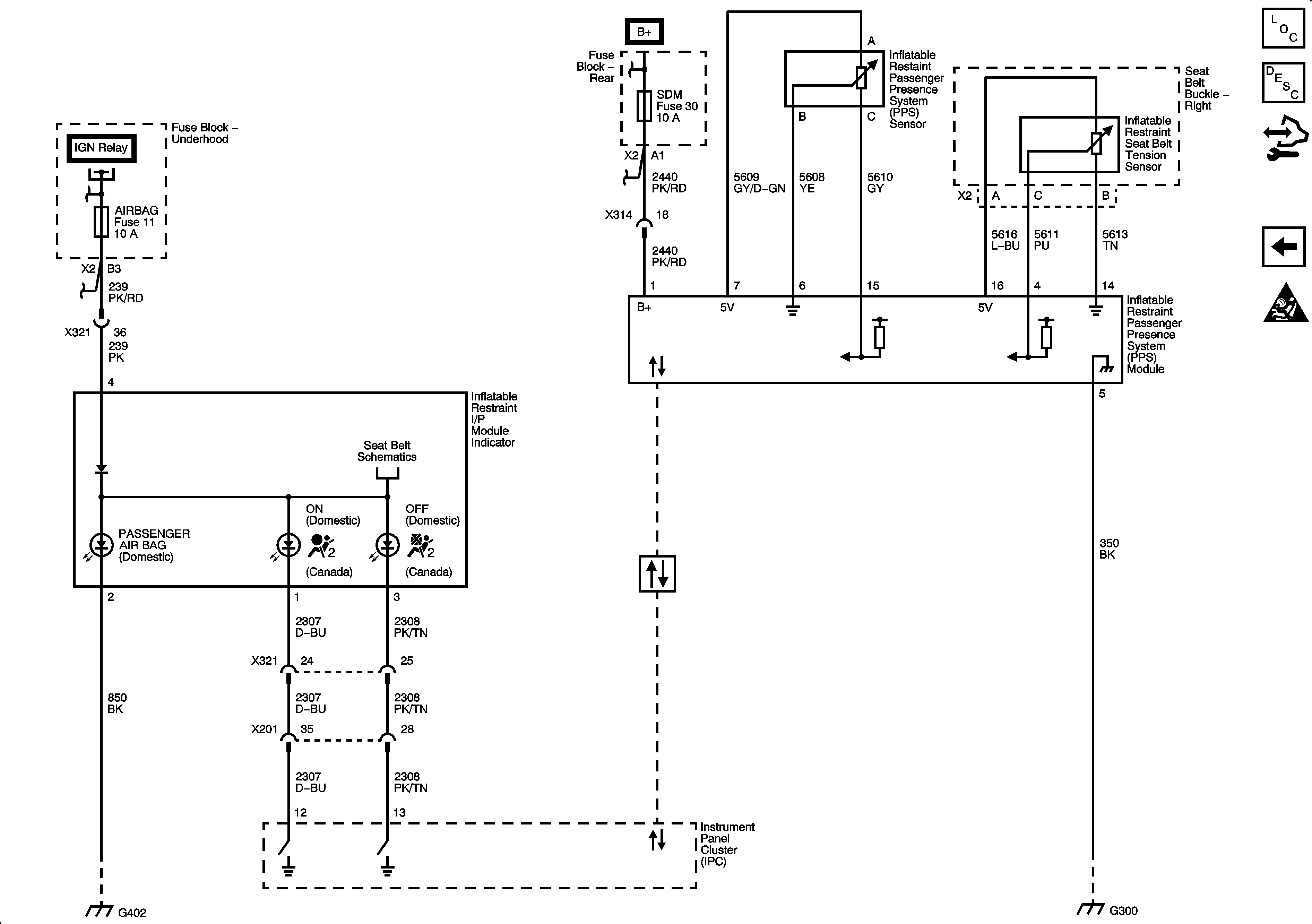
Passenger Presence System
Figure 4:

Passenger Presence System (PPS)


Object Number: 1886682  Size: FS
Master Electrical Component List
SIR System Description and Operation
Control Module References
Right Side Impact Sensor and Module, Roof Rail Module, I/P Module, Pretensioner