GM Service Manual Online
For 1990-2009 cars only
Makes
🢒
Buick
🢒
2008
🢒
Lucerne
🢒 Starting 2 of 2
Starting 2 of 2
Starting 2 of 2
Master Electrical Component List
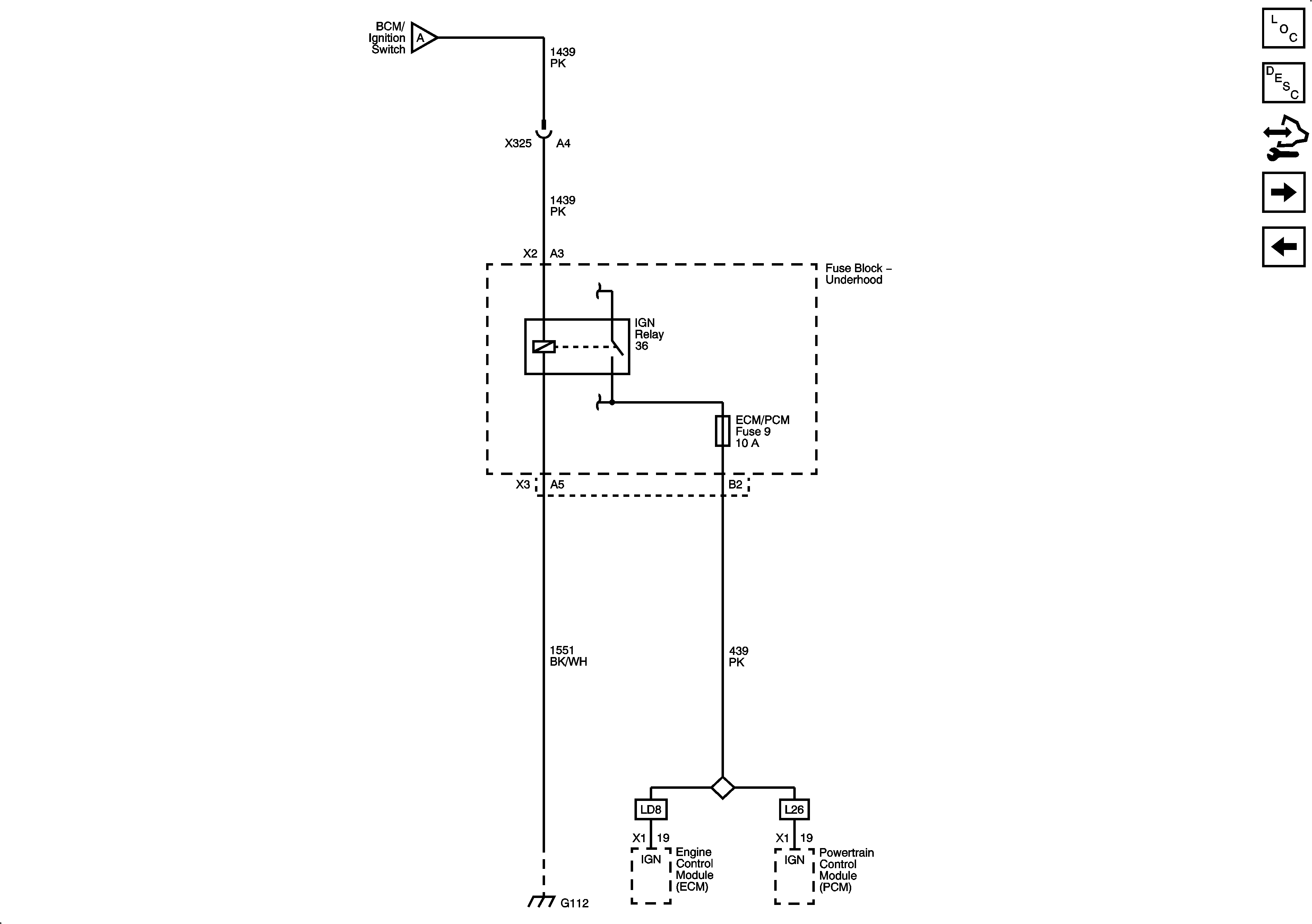
Starting System Description and Operation
Control Module References
Starting
Charging